Запчасти Case 580G (083A) - TRACTOR LAMP CIRCUIT - WITH CAB STARTING FROM NO. 3.808.597 (04) - ELECTRICAL SYSTEMS

Схема запчастей Case 580G - (083A) - TRACTOR LAMP CIRCUIT - WITH CAB STARTING FROM NO. 3.808.597 (04) - ELECTRICAL SYSTEMS
2
4
11
10
3
12
5
9
1
7
8
6
FIT
1:1
100%

Артикул

Название

Примечание

Количество

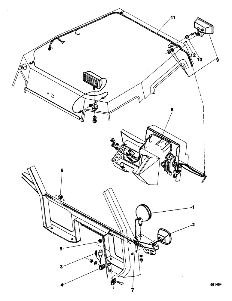
1

REF

INSTRUCTION

LAMP ASSY, See figure 90

2шт.

2

REF

INSTRUCTION

LAMP ASSY, See figure 92

2шт.

3

E45462

HARNESS

1шт.

4

49858

O-RING,0.103" Thk x 0.75" ID, -116, Cl 5, 75 Duro

CLAMP

2шт.

5

E45701

GROMMET

1шт.

6

E45457

CLIP

4-5шт.

7

E11200

GROMMET

2шт.

8

E45470

HARNESS

1шт.

9

REF

INSTRUCTION

LAMP ASSY, See figure 90

4шт.

10

353-700

BUSHING

4шт.

11

E45474

HARNESS

SPARE PART

1шт.

12

193-82

LOCK WASHER,Int Tooth, 5/16"

4шт.

Выбрано товаров: 12