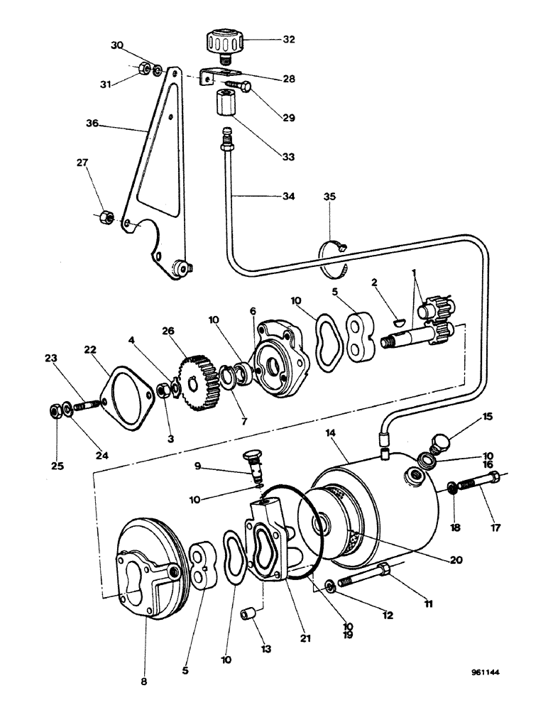
Запчасти Case 580G (117A) - STEERING PUMP AND RESERVOIR (SEE OTHER OPTION FIGURE116) (05) - STEERING

Схема запчастей Case 580G - (117A) - STEERING PUMP AND RESERVOIR (SEE OTHER OPTION FIGURE116) (05) - STEERING
6
23
9
1
8
10
17
32
5
12
2
10
27
10
29
10
11
22
35
16
24
20
33
5
14
4
19
21
26
3
7
25
30
15
13
34
10
28
31
18
10
36
FIT
1:1
100%

Артикул

Название

Примечание

Количество

K206595

PUMP

steering, Includes: Ref. 1 - 21

1шт.

For identification see name plate on pump

1шт.

K206595R

REMAN-HYD PUMP

580G

1шт.

K206595C

CORE-HYDRAULIC PUMP

Return Number

1шт.

K964815

GEAR

KIT, Includes: Ref. 1 - 4

1шт.

1

K964934

GEAR

SET

1шт.

2

126-11

WOODRUFF KEY,#5, 1/8" x 5/8"

(No. 405)

1шт.

3

25-157

JAM NUT,Jam, 7/16"-20, G5

1шт.

4

K626380

WASHER

tab

1шт.

5

K962189

BEARING

SET

1шт.

6

K261641

FLANGE

1шт.

7

K261644

SNAP RING

1шт.

8

NSS

NOT SOLD SEPARAT

ADAPTER

1шт.

9

K964632

VALVE

relief

1шт.

10

K964935

SEAL

1шт.

11

K965769

BOLT

4шт.

12

192-21

LOCK WASHER,3/8"

4шт.

13

K964920

PIN

RING dowel

2шт.

14

K261063

RESERVOIR

1шт.

15

K623849

PLUG

1шт.

16

K626317

WASHER

1шт.

17

K965770

BOLT

1шт.

18

K964928

SEAL

1шт.

19

K965217

RING

1шт.

20

84419022

HYDRAULIC OIL FILTER

1шт.

21

K261642

FLANGE

COVER

1шт.

22

K919729

GASKET,0.76mm Thk

1шт.

23

K608135

STUD

2шт.

24

192-20

LOCK WASHER,Helical Spring, 0.318" ID, CST, ZND

2шт.

25

9635082

NUT,5/16" - 18, Gr 5

2шт.

26

K945098

PINION

1шт.

K260490

BREATHER

KIT, Includes: Ref. 27 - 36

1шт.

To be used with K206595 to service K953152 (See Figure 116)

1шт.

27

25-106

NUT,3/8"-16, G5

2шт.

28

K302479

BRACKET

STRAP holding

1шт.

29

814-8016

BOLT,Hex, M8 x 1.25 x 16mm, Cl 8.8, Full Thd

1шт.

30

892-1108

LOCK WASHER,M8

1шт.

31

825-1108

NUT,Hex, M8, Cl 8

1шт.

32

K302324

FILTER

1шт.

33

K204309

ADAPTER

1шт.

34

K204270

PIPE,0.312" OD x 20, 2" L

1шт.

35

K621734

CABLE

CLAMP

1шт.

36

K302478

BRACKET

1шт.

Выбрано товаров: 43