Запчасти Case 580G (138) - POWER SHUTTLE - MOUNTING AND DIPSTICK (06) - POWER TRAIN

Схема запчастей Case 580G - (138) - POWER SHUTTLE - MOUNTING AND DIPSTICK (06) - POWER TRAIN
11
12
3
13
4
a
15
7
1
10
2
6
9
5
8
14
FIT
1:1
100%

Артикул

Название

Примечание

Количество

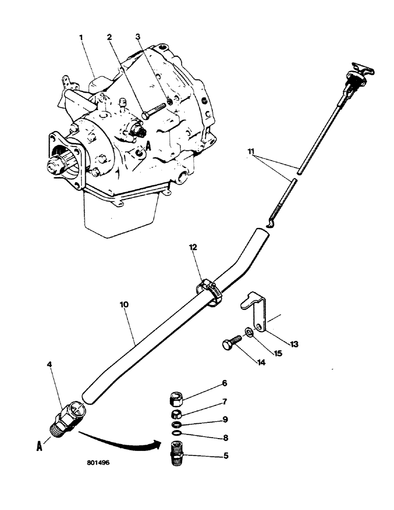
1

REF

INSTRUCTION

POWER SHUTTLE ASSY, See Figure 140 - 148

1шт.

2

13-752

BOLT,Hex, 7/16" - 14 x 3-1/4", Gr 5

6шт.

3

92-7

LOCK WASHER,7/16"

6шт.

4

222-3006

FITTING,1 1/2"-12 x 3/4" NPT

ASSY, Includes: Ref. 5 - 9

1шт.

5

NSS

NOT SOLD SEPARAT

BODY

1шт.

6

222-3111

TUBE NUT,1"-12

1шт.

7

222-3105

SLEEVE,1" Tube

1шт.

8

A7623

O-RING,0.139" Thk x 0.984" ID, -214, Cl 5, 75 Duro

1шт.

9

D54295

RING

backup

1шт.

10

D89393

PIPE

1шт.

11

D88856

DIPSTICK,721.2mm L

1шт.

12

214-255

HOSE CLAMP,#16, 0.81" - 1.5", Type F Worm

1шт.

13

D89377

SUPPORT

E46382

1шт.

13

E46382

SUPPORT

1шт.

14

13-616

BOLT,Hex, 3/8" - 16 x 1", Gr 5, Full Thd

1шт.

15

92-6

LOCK WASHER,3/8"

1шт.

Выбрано товаров: 16