Запчасти Case 580G (140) - POWER SHUTTLE - HOUSING AND OIL PAN (06) - POWER TRAIN

Схема запчастей Case 580G - (140) - POWER SHUTTLE - HOUSING AND OIL PAN (06) - POWER TRAIN
3
8
5
4
12
1
13
15
16
9
18
11
12
6
2
10
14
7
17
FIT
1:1
100%

Артикул

Название

Примечание

Количество

D88050

TRANSMISSION

POWER SHUTTLE ASSY, (See Figure138-148), Includes: Ref. 1 - 18, Serial Range: -3.942.165

1шт.

D135731

GEARBOX ASSY

POWER SHUTTLE ASSY, (See Figure 138-148), Includes: Ref. 1 - 18, Serial Range: 3.942.166-3.989.306

1шт.

D140175

TRANSMISSION

POWER SHUTTLE ASSY, (See Figure 138-148), Includes: Ref. 1 - 18, Start Serial: 3.989.307

1шт.

329669A1

REMAN-TORQ CONV PS K

Power Shuttle 329669A1 includes a reman power shuttle (DR140175) with a reman converter (103293A1R)

1шт.

329669A1C

CORE-TORQ CONV PS KI

Return Part Number, Power Shuttle 329669A1 includes a reman power shuttle (DR140175) with a reman converter (103293A1R)

1шт.

D70650

HOUSING

ASSY, Includes: Ref. 1 - 3

1шт.

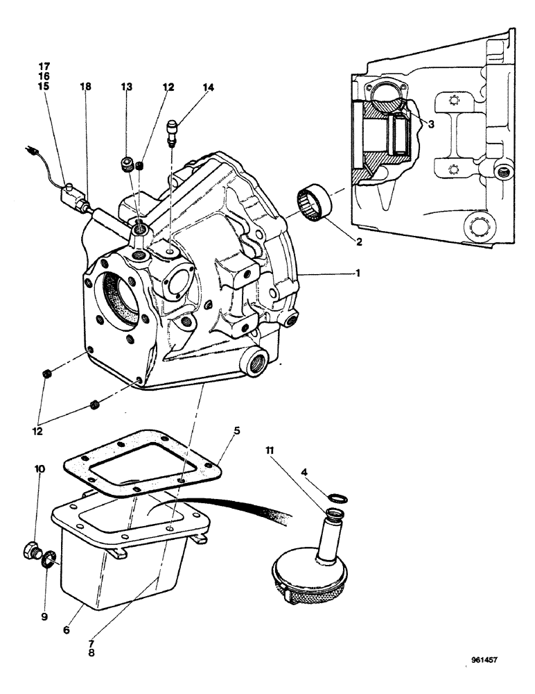
1

NSS

NOT SOLD SEPARAT

HOUSING

1шт.

2

R21491

NEEDLE BEARING,1.75" ID x 2.125" OD x 0.75"

needle, 1-3/4 in ID

1шт.

3

41-1007

PLUG,Cup, 7/16"

1шт.

4

R29797

O-RING,0.07" Thk x 0.739" ID

1шт.

5

R29956

GASKET,0.76mm Thk

If used

1шт.

6

R29902

PAN

oil, N13577 + 221-841 (1) + (7) 113-221

1шт.

6

N13577

PAN

oil

1шт.

7

92-6

LOCK WASHER,3/8"

7шт.

8

13-616

BOLT,Hex, 3/8" - 16 x 1", Gr 5, Full Thd

7шт.

8

113-221

BOLT,Hex, 3/8" - 16 x 7/8", Gr 5

7шт.

D73701

PLUG

ASSY, Includes: Ref. 9 and 10, If used

1шт.

9

NSS

NOT SOLD SEPARAT

GASKET

1шт.

10

NSS

NOT SOLD SEPARAT

PLUG

1шт.

10

221-841

PLUG

"0" 1/4" NPT, Used the Shuttle D140175

1шт.

11

D66455

FILTER SCREEN

D143133

1шт.

11

D143133

FILTER SCREEN

1шт.

12

221-849

PLUG,Hex Soc, 1/8"-27

3шт.

13

221-843

PLUG,Hex Soc, 3/8"-18

1шт.

14

D50062

BREATHER

1шт.

15

N14766

SOLENOID VALVE

Includes: Ref. 16 and 17, Used the Shuttle D140175

1шт.

Held in place with nut on top of solenoid valve - see Fig 140A for solenoid that is thread to valve body

1шт.

16

G107675

O-RING,0.07" Thk x 0.739" ID, -18, Cl 6, 90 Duro

large (Not shown), Used the Shuttle D140175

1шт.

17

S6476

O-RING,0.103" Thk x 0.487" ID, -112, Cl 6, 90 Duro

small (Not shown), Used the Shuttle D140175

1шт.

18

131-424

NUT,PAL, 1 1/8"-7

1-1/8"-7NC, Used the Shuttle D140175

1шт.

D103218

BEARING ASSY

KIT bearing

1шт.

D103219

PACKAGE

KIT overhaul, clutch

1шт.

D103220

SEAL PACKAGE

KIT seal, gasket

1шт.

Выбрано товаров: 33