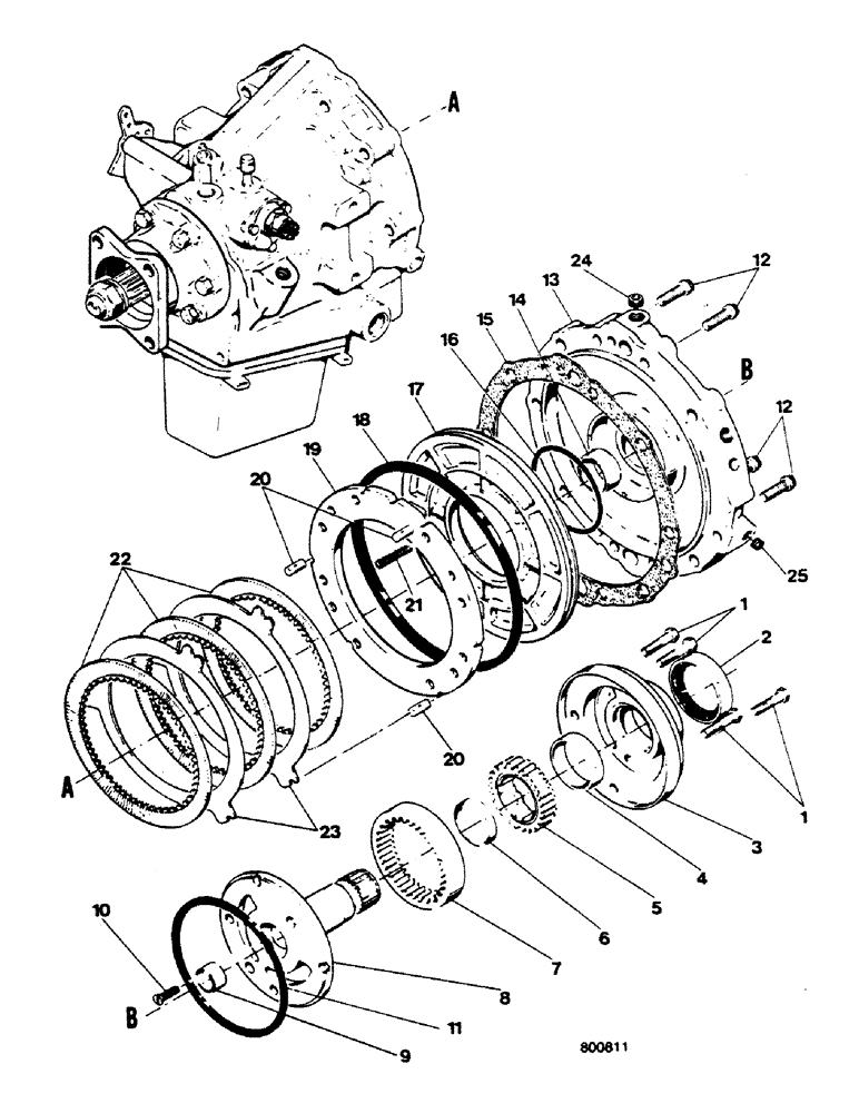
Запчасти Case 580G (148) - POWER SHUTTLE - CHARGING PUMP AND REVERSE CLUTCH (06) - POWER TRAIN

Схема запчастей Case 580G - (148) - POWER SHUTTLE - CHARGING PUMP AND REVERSE CLUTCH (06) - POWER TRAIN
16
15
12
1
23
24
13
19
20
20
12
18
17
a
6
10
5
9
11
25
a
b
14
7
8
b
1
4
3
2
22
FIT
1:1
100%

Артикул

Название

Примечание

Количество

REF

INSTRUCTION

SHUTTLE power, See Figure 138 - 146, Includes: Ref. 1 - 25

1шт.

1

13-528

BOLT,Hex, 5/16" - 18 x 1-3/4", Gr 5

4шт.

L30488

PUMP

ASSY, Includes: Ref. 2 - 10

1шт.

137093A1R

REMAN-HYD PUMP

580G, REMAN for Part No. L30488, N.A. Only

1шт.

137093A1C

CORE-HYDRAULIC PUMP

Return Number, For N.A. Only

1шт.

2

N8071

OIL SEAL,49.23mm ID x 68.53mm OD x 8.23mm Thk

1шт.

3

NSS

NOT SOLD SEPARAT

BODY ASSY, Includes: Ref. 4

1шт.

4

NSS

NOT SOLD SEPARAT

BUSHING

1шт.

5

NSS

NOT SOLD SEPARAT

GEAR ASSY, Includes: Ref. 6

1шт.

6

NSS

NOT SOLD SEPARAT

BUSHING

1шт.

7

NSS

NOT SOLD SEPARAT

GEAR

1шт.

8

NSS

NOT SOLD SEPARAT

SUPPORT ASSY, Includes: Ref. 8

1шт.

9

NSS

NOT SOLD SEPARAT

BUSHING

1шт.

10

171-100

SCREW,Sl Flat Hd, #10 - 24 x 3/4"

1шт.

11

L30487

GASKET,140.49mm ID x 150.02mm OD x 3.02mm Thk

1шт.

12

166-46

12 PT SCREW,Flg, 3/8" - 16 x 1 1/4", Gr 8

4шт.

D50022

ADAPTER

COVER ASSY, Includes: Ref. 13 and 14

1шт.

13

NSS

NOT SOLD SEPARAT

COVER

1шт.

14

D50074

BUSHING,34.92mm ID x 38.13mm OD x 17.46mm L

1шт.

15

D50033

GASKET,0.58mm Thk

1шт.

16

D50034

O-RING,0.139" Thk x 3.484" ID

1шт.

17

D50035

PISTON

PLATE

1шт.

18

D50036

SEALING RING,194.51mm ID x 232.84mm OD x 3.17mm Thk

1шт.

19

D50037

PLATE

1шт.

20

D50038

PIN

dowel

3шт.

21

D50039

SPRING

11шт.

22

D50040

PLATE

3шт.

23

D50041

CLUTCH PLATE,155.57mm ID x 215.09mm OD x 1.8mm Thk

2шт.

24

221-841

PLUG

1шт.

25

221-849

PLUG,Hex Soc, 1/8"-27

2шт.

Выбрано товаров: 30