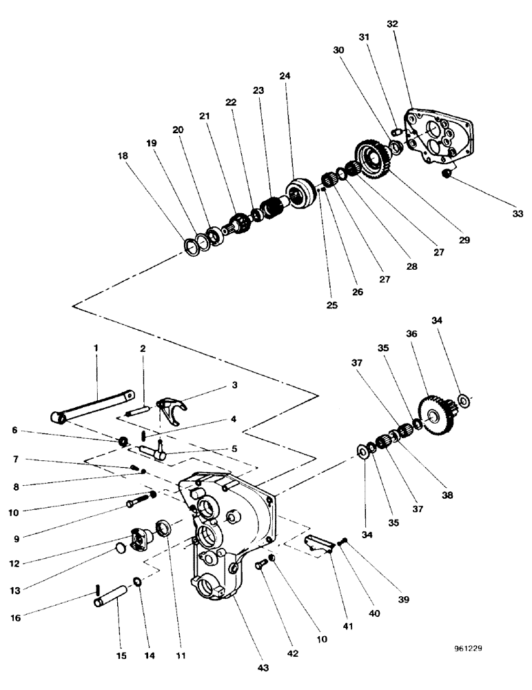
Запчасти Case 580G (04) - TRANSFER CASE - CREEPER GEAR

Схема запчастей Case 580G - (04) - TRANSFER CASE - CREEPER GEAR
35
36
28
13
6
10
40
4
14
21
24
41
31
11
22
38
18
5
15
37
12
2
43
27
34
37
20
7
39
32
34
27
23
1
29
16
19
30
42
33
8
9
26
10
35
25
FIT
1:1
100%

Артикул

Название

Примечание

Количество

E46079

CASE

transfer

1шт.

1

E45299

LEVER

SPARE PART

1шт.

2

E45298

PIN

1шт.

3

E45297

FORK

SPARE PART selector

1шт.

4

K956978

SPLIT PIN/SAFETY PIN

groove

1шт.

5

E45296

LEVER

1шт.

6

K965377

OIL SEAL

1шт.

7

E45295

BOLT

1шт.

8

K956835

WASHER

1шт.

9

814-12110

BOLT,Hex, M12 x 1.75 x 110mm, Cl 8.8

2шт.

10

892-1012

LOCK WASHER,M12

lock

5шт.

11

E45282

SEAL

1шт.

12

E45281

FLANGE

1шт.

13

E45280

PLUG

core

1шт.

14

E42511

O-RING

SPARE PART

1шт.

15

E45278

PIN

1шт.

17

N7680

PLUG

1шт.

18

K965403

RING, SNAP

RING SNAP

1шт.

19

K956909

SHIM,0.5mm Thk

1шт.

19

K956910

SHIM,0.3mm Thk

1шт.

19

K956911

SHIM,0.1mm Thk

1шт.

20

K965406

ROLLER BEARING

roller

1шт.

21

E45283

SHAFT

SPARE PART

1шт.

22

E45284

BEARING

roller

1шт.

23

E45285

SHAFT

SPARE PART

1шт.

24

E45286

SLEEVE

SPARE PART

1шт.

25

211-7

BALL,1/4" Dia

3шт.

26

K965394

SPRING

3шт.

27

E45287

BEARING

needle

2шт.

28

E45288

WASHER

1шт.

29

E45289

GEAR

SPARE PART

1шт.

30

E45290

SPACER

SPARE PART

1шт.

31

E45291

PIN

SPARE PART dowel

1шт.

32

E45292

COVER

1шт.

33

E45293

NUT

4шт.

34

E42494

WASHER

2шт.

35

E45495

WASHER thrust

2шт.

36

E45277

GEAR

SPARE PART ASSY

1шт.

37

E42515

BEARING

needle

2шт.

38

E45276

SPACER

1шт.

39

864-6016

HEX SOC SCREW,M6 x 16mm, Cl 8.8

2шт.

40

K261870

WASHER

2шт.

41

E45294

GUIDE

pan

1шт.

42

814-12030

BOLT,Hex, M12 x 1.75 x 30mm, Cl 8.8, Full Thd

3шт.

43

E45275

HOUSING

1шт.

Выбрано товаров: 45