Качественные детали и логистика
Оригинальные и аналоговые запчасти с доставкой по России, Казахстану и Беларуси
©2022 PartSell ООО "Система" ИНН 2463123282 ОГРН 1212400004838
Центральный офис: г. Красноярск, Академика Киренского, д.87, пом.4
Телефон: 8 (800) 777-65-74 Email: zakaz@partsell.ru
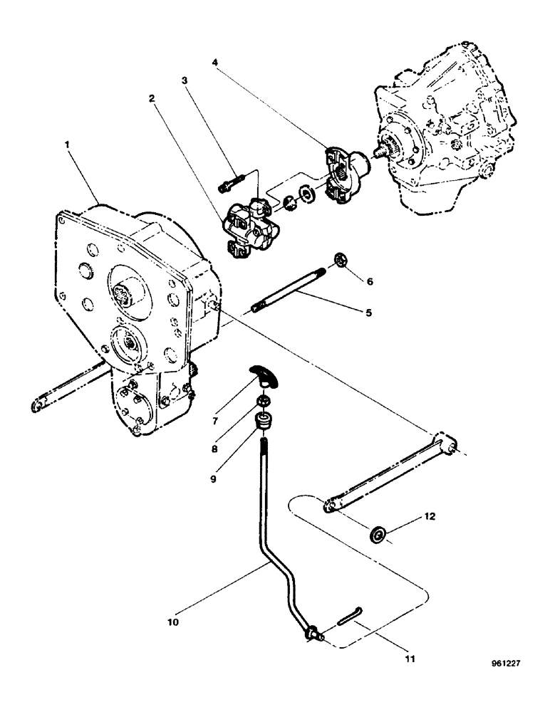
(08) - CREEPER GEAR CONTROL
№
Артикул
Название
Примечание
Количество
1
REF
INSTRUCTION
CASE transfer
1шт.
2
L11370
TOGGLE
3
L30495
SCREW
8шт.
4
D69669
YOKE
UNIVERSAL JOINT YOKE
5
D120555
STUD
For 2-wheel drive
2шт.
6
905834R1
THIN NUT,M12 x 1.25, Thin
7
K956842
HANDLE
8
K965369
JAM NUT
9
353-468
BUSHING,nasp
SPARE PART
10
E45135
LEVER
11
132-48
COTTER PIN,1/8" x 1"
12
195-33
WASHER,1/2"
flat
Выбрано товаров: 0