Запчасти Case 580G (12) - ENGINE - MANIFOLDS (10) - ENGINE

Схема запчастей Case 580G - (12) - ENGINE - MANIFOLDS (10) - ENGINE
7
2
13
16
17
16
9
16
10
16
17
19
3
18
15
11
6
6
21
1
14
20
5
8
4
10
12
16
FIT
1:1
100%

Артикул

Название

Примечание

Количество

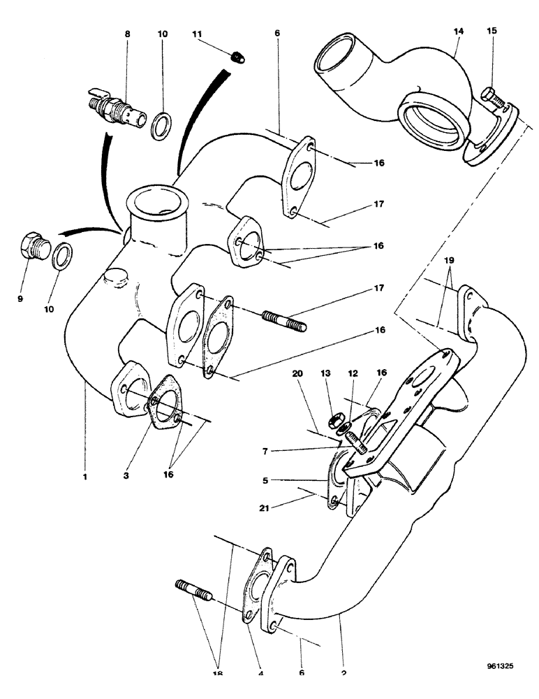
1

K923244

MANIFOLD

1шт.

2

K929728

MANIFOLD

1шт.

3

K921730

MANIFOLD GASKET

4шт.

4

K907344

MANIFOLD GASKET

2шт.

5

K907343

GASKET

1шт.

6

129-103

NUT,Hex, 3/8" - 16, Gr 5

18шт.

7

K608201

STUD

4шт.

8

K928523

GLOW PLUG

Thermostart

1шт.

If Used

1шт.

9

K619528

PLUG

1шт.

If Used

1шт.

10

K626957

WASHER

1шт.

11

K609691

PLUG

1шт.

12

195-104

WASHER,3/8"

flat

4шт.

13

129-103

NUT,Hex, 3/8" - 16, Gr 5

4шт.

14

K207415

FLANGE

1шт.

15

113-208

BOLT,Hex, 3/8" - 16 x 1-1/4", Gr 5

3шт.

16

K608203

STUD

1-7/16" long

7шт.

17

K608237

STUD

1-3/4" long

2шт.

18

K608242

STUD

2-3/4" long

2шт.

19

K608209

STUD

2-1/4" long

2шт.

21

K608214

STUD

2" long

1шт.

Выбрано товаров: 22