Запчасти Case 680H (206) - EQUIPMENT HYDRAULIC CIRCUIT, RESERVOIR TO HYDRAULIC PUMP (08) - HYDRAULICS

Схема запчастей Case 680H - (206) - EQUIPMENT HYDRAULIC CIRCUIT, RESERVOIR TO HYDRAULIC PUMP (08) - HYDRAULICS
FIT
1:1
100%

Артикул

Название

Примечание

Количество

1

REF

INSTRUCTION

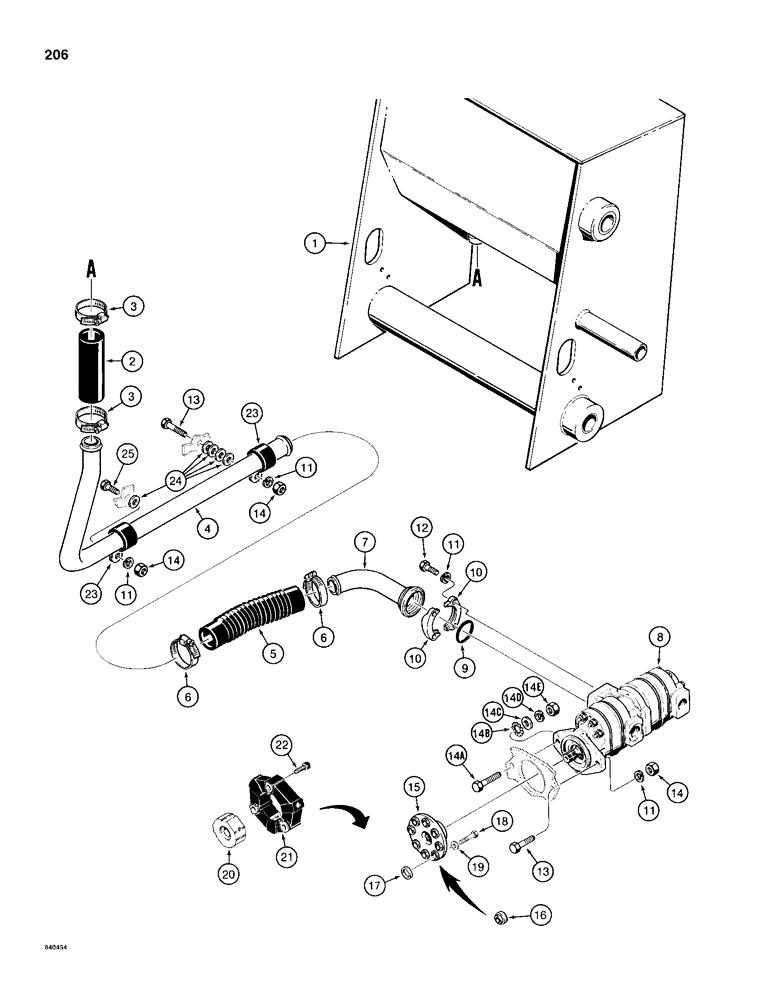
HYDRAULIC RESERVOIR - tractor, see Figure 337

1шт.

2

L25993

HOSE,2.00" ID x 8.00"

From Hydraulic Reservoir 2.00" ID x 8.00"

1шт.

3

214-350

CLAMP,#48, 2.37"-2.68", T-Bolt

- hose, from hydraulic reservoir

2шт.

4

L102972

TUBE - from hydraulic reservoir 2" OD x 32.9, 14.56" L

1шт.

5

L108455

HOSE

- from hydraulic reservoir, 13.5" (343 mm) long

1шт.

6

214-350

CLAMP,#48, 2.37"-2.68", T-Bolt

- hose, from hydraulic reservoir

2шт.

7

L106784

TUBE ASSY.,2" OD x 8.27, 4" L

TUBE - to hydraulic pump

1шт.

8

REF

INSTRUCTION

HYDRAULIC PUMP -equipment, parts list Figure 270

1шт.

9

A14506

O-RING,0.139" Thk x 2.234" ID, -228, Cl 5, 75 Duro

- tube to hydraulic pump

1шт.

10

A14141

FLANGE

CLAMP - split flange

2шт.

11

92-8

LOCK WASHER,1/2"

5шт.

12

13-820

BOLT,Hex, 1/2" - 13 x 1-1/4", Gr 5, Full Thd

4шт.

13

13-832

BOLT,Hex, 1/2" - 13 x 2", Gr 5

- hex head, 1/2" - 13 NC x 2-1/4"

2шт.

14

25-108

NUT,1/2"-13, G5

- hex, 1/2" - 13 NC

3шт.

14a

13-844

BOLT,Hex, 1/2" - 13 x 2-3/4", Gr 5

Hex, 1/2"-13 x 2 3/4", G5

1шт.

14b

193-87

LOCK WASHER,Ext-Int Tooth, 1/2"

WASHER, LOCK, Ext-Int Tooth, 1/2"

1шт.

14c

95-8

WASHER,1/2"

flat 1/2"

2шт.

14d

92-8

LOCK WASHER,1/2"

1шт.

14e

25-108

NUT,1/2"-13, G5

- hex, 1/2" - 13 NC

1шт.

L104726

COUPLING

ASSEMBLY - hydraulic pump to crankshaft pulley, used before tractor SN 9150700, Includes: Ref. 15 and 16

1шт.

15

NSS

NOT SOLD SEPARAT

COUPLING - hydraulic pump

1шт.

16

G36905

BLOCK

BUSHING - coupling

8шт.

17

L108479

WASHER

- nylon, used with L104276 coupling

8шт.

18

113-2611

PREV TORQUE BOLT,Locking, 7/16"-14 x 1 1/2", G5

BOLT - hex head, 7/16" - 14 NC x 1-1/2", self-locking, used with L104726 coupling

8шт.

19

L79092

WASHER

- special, used with L104726 coupling

8шт.

L60825

COUPLING

ASSEMBLY - hydraulic pump to crankshaft pulley, used on tractor SN 9150700 and after, Includes: Ref. 20 - 22

1шт.

20

NSS

NOT SOLD SEPARAT

HUB - coupling

1шт.

21

N8314

COUPLING

- hydraulic pump

1шт.

22

864-14040

HEX SOC SCREW,M14 x 40mm, Cl 8.8

BOLT - hex socket head, 14 mm - 2.0 x 40 mm (8.8)

6шт.

23

R14097

CLAMP

- tube

2шт.

24

95-8

WASHER,1/2"

flat 1/2"

5шт.

25

13-824

BOLT,Hex, 1/2" - 13 x 1-1/2", Gr 5, Full Thd

1шт.

Выбрано товаров: 32