Запчасти Case 680H (262) - BACKHOE CONTROL VALVE, SWING SECTION (08) - HYDRAULICS

Схема запчастей Case 680H - (262) - BACKHOE CONTROL VALVE, SWING SECTION (08) - HYDRAULICS
FIT
1:1
100%

Артикул

Название

Примечание

Количество

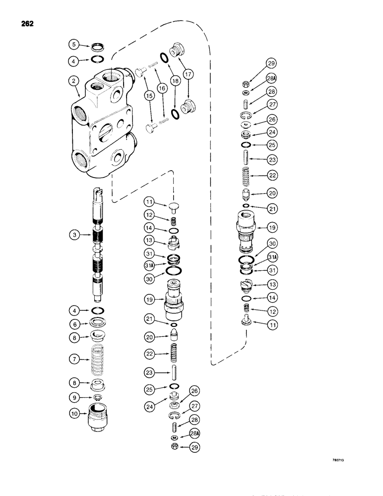
1

G105627

VALVE

SECTION ASSEMBLY - swing, not shown assembled, Includes: Ref. 2 - 31A

1шт.

2

NSS

NOT SOLD SEPARAT

BODY - swing section

1шт.

3

NSS

NOT SOLD SEPARAT

SPOOL - swing section

1шт.

4

A27365

O-RING,0.103" Thk x 0.75" ID, -116, Cl 5, 75 Duro

- body

2шт.

5

A32309

SEAL,18.8mm ID x 25.5mm OD x 3.1mm Thk

- spool

1шт.

6

G102711

RETAINER COLLAR,19.3 mm ID x 32.97 mm OD

- O-ring

1шт.

7

G34463

SPRING

CENTERING SPRING - spool

1шт.

8

G33075

RETAINER,12.2mm ID, 27.9mm OD

- centering spring

2шт.

9

G33077

SNAP RING,#47, Ext

Ring, Snap, , to spool end #47, Ext

1шт.

10

P0033080G

SCREW

- centering spring

1шт.

11

G33081

VALVE POPPET

POPPET - load check valve

2шт.

12

G33573

SPRING

- load check valve

2шт.

13

G33084

PLUG

- load check valve

2шт.

14

G33686

O-RING,0.07" Thk x 0.61" ID

- plug

2шт.

15

G34938

VALVE POPPET,6.55mm ID x 17.48mm OD x 17.02mm L

POPPET - anticavitation valve

2шт.

16

G34458

SPRING,Compression, 5.08mm OD x 27.56mm L

- anticavitation valve, free length

2шт.

17

G34937

PLUG

- anticavitation valve

2шт.

18

237-6010

O-RING,0.097" Thk x 0.755" ID, -910, Cl 6, 90 Duro

- plug

2шт.

G34657

VALVE

CIRCUIT RELIEF VALVE ASSEMBLY - order G34862 for service, Includes: Ref. 19 - 31A

2шт.

19

NSS

NOT SOLD SEPARAT

BODY - circuit relief valve

1шт.

20

NSS

NOT SOLD SEPARAT

POPPET - circuit relief valve

1шт.

21

G102844

O-RING

- poppet

1шт.

22

G105693

VALVE SPRING

SPRING - circuit relief valve

1шт.

23

G34455

PIN

- stop, circuit relief valve spring

1шт.

24

G33091

PISTON

- circuit relief valve

1шт.

25

G102845

O-RING,0.07" Thk x 0.489" ID, -14, Cl 6, 90 Duro

- piston

1шт.

26

G33092

RETAINER

- circuit relief valve

1шт.

27

G46150

SNAP RING,0.75", Int, #75

Ring, Snap, , circuit relief valve 0.75", Int, #75

1шт.

28

G102782

SET SCREW,1/4" - 20 x 1"

ADJUSTING SCREW - set, 1/4" - 20 NC x 3/4"

1шт.

28a

G102781

WASHER

- special

2шт.

29

129-141

JAM NUT,Jam, 1/4"-20, G5

1шт.

30

218-5008

O-RING,0.116" Thk x 0.924" ID, -912, Cl 6, 90 Duro

- large

1шт.

31

G102845

O-RING,0.07" Thk x 0.489" ID, -14, Cl 6, 90 Duro

- small

1шт.

31a

G35540

BACK-UP RING,19.43mm ID x 22.23mm OD x 1.32mm Thk

BACKUP RING - small O-ring, if used

1шт.

G34862

VALVE

KIT - service for G34657, Includes: Refs. 19-31A

1шт.

Выбрано товаров: 35