Запчасти Case 680H (376) - CAB FRONT WINDSHIELD WIPER, AMERICAN BOSCH PARTS (09) - CHASSIS/ATTACHMENTS

Схема запчастей Case 680H - (376) - CAB FRONT WINDSHIELD WIPER, AMERICAN BOSCH PARTS (09) - CHASSIS/ATTACHMENTS
FIT
1:1
100%

Артикул

Название

Примечание

Количество

F96899

ELECTRIC MOTOR

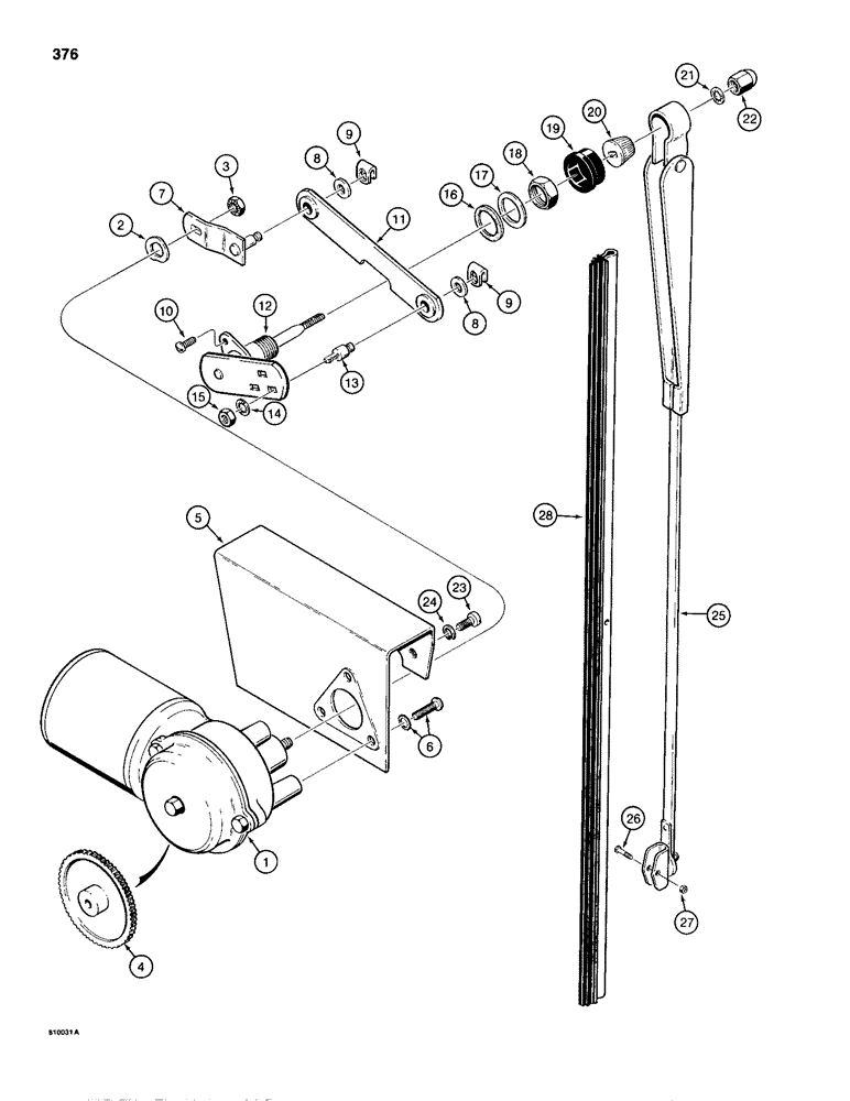
MOTOR AND BRACKET ASSEMBLY - complete, front windshield wiper, 24 volt, American Bosch No. 19451-27-M024WC (parts list below) or Robert Bosch No. 9397235015 (parts list Figure 377A), Includes: Ref. 1 - 22

1шт.

F93654

WIPER MOTOR

MOTOR ASSEMBLY - windshield wiper, American Bosch, Includes: Ref. 1 - 4

1шт.

1

NSS

NOT SOLD SEPARAT

MOTOR - windshield wiper

1шт.

2

D71411

WASHER

- wave

1шт.

3

F44452

LOCK NUT

- hex, lock, 1/4" - 28 NF, plated

1шт.

4

N6029

GEAR

- plastic drive

1шт.

5

D72850

BRACKET

- mounting, motor

1шт.

6

D72849

SCREW

AND WASHER -, Serial Range: bracket-motor

3шт.

7

A36091

ARM

- drive

1шт.

8

A22431

WASHER

- spacer

2шт.

9

D71414

CLIP

- spring

2шт.

10

F44456

SCREW,0.19" - 32 x 3 3/4"

- pivot, Serial Range: shaft-bracket

2шт.

11

D71427

LINK,85.85mm L

- drive arm to pivot shaft

1шт.

N7274

KIT

SHAFT ASSEMBLY - pivot, Includes: Ref. 12 - 22

1шт.

12

NSS

NOT SOLD SEPARAT

SHAFT - pivot

1шт.

13

D73642

PIN

- special

1шт.

14

193-60

LOCK WASHER,Int Tooth, 1/4"

WASHER, LOCK, Int Tooth, 1/4"

1шт.

15

425-154

JAM NUT,Jam, 1/4"-28, G5

1шт.

16

N6749

WASHER

- fiber

1шт.

17

N6750

WASHER

- steel

1шт.

18

N6751

NUT

- shaft

1шт.

19

N6752

CAP

- shaft, rubber

1шт.

20

N6753

BLOCK DRIVER

DRIVER - knurled

1шт.

21

193-68

LOCK WASHER,Int Tooth, 3/8"

WASHER, LOCK, Int Tooth, 3/8"

1шт.

22

N6754

NUT

- cap

1шт.

23

182-548

SCREW,Slotted Pan Hd, 1/4"-28 x 3/8"

MACHINE SCREW - pan head slotted, 1/4" - 28 NF x 3/8", plated

2шт.

24

192-19

LOCK WASHER,Helical Spring, 0.256" ID, CST, ZND

WASHER, LOCK, 1/4"

2шт.

25

F44928

WIPER

ARM - windshield wiper, 22" (559 mm) long, Includes: Ref. 26 and 27

1шт.

26

182-567

SCREW,Sltd Pan Hd, #5-40 x 1/2"

MACHINE SCREW - pan head, No. 5 - 40 NC x 1/2", plated

1шт.

27

129-14

NUT,#5-40

1шт.

28

F43938

WIPER BLADE

BLADE - windshield wiper, 22" (559 mm) long

1шт.

Выбрано товаров: 31