Запчасти Case 680H (036) - CYLINDER BLOCK, 336BD DIESEL ENGINE, BLOCK HEATER (02) - ENGINE

Схема запчастей Case 680H - (036) - CYLINDER BLOCK, 336BD DIESEL ENGINE, BLOCK HEATER (02) - ENGINE
FIT
1:1
100%

Артикул

Название

Примечание

Количество

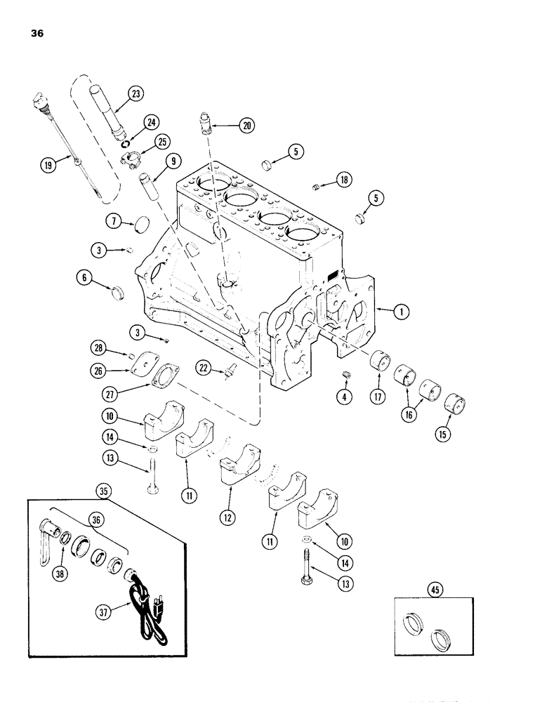
A150862

ENGINE ASSEMBLY

BLOCK ASSEMBLY - short (includes stripped block, camshaft, connecting rods and bearings, piston assy, crankshaft and bearings and timing gears), Includes: Ref. 1 - 17

1шт.

1

A150863

CRANKCASE

BLOCK ASSEMBLY - stripped (Casting No. A58504), Includes: Ref. 3 - 17

1шт.

3

221-1849

PLUG

- socket hex head pipe, 1/8 inch PT

4шт.

4

221-1843

PLUG

- socket hex head pipe, 3/8 inch PT

4шт.

5

A58568

PLUG,Cup, 1 3/8", Stainless

- cup type, 1-3/8 inch (34 mm)

2шт.

6

A58569

PLUG,Cup, 2", Stainless

- cup type, 2 inch (51 mm)

1шт.

7

A24361

PLUG

- camshaft hole, cup type

1шт.

9

A34540

TUBE

- oil filler and dipstick

1шт.

10

A154391

CAP

- main bearing, front and rear, (wide)

2шт.

11

A154390

CAP

- main bearing, intermediate (narrow)

2шт.

12

A154392

CAP

- main bearing, thrust, center (wide)

1шт.

13

A66948

STEP BOLT

BOLT - bearing caps, special

10шт.

14

A58629

BEARING WASHER,16.66mm ID x 25.4mm OD x 3.04mm Thk

WASHER - bearing cap bolt

10шт.

15

A21018

BUSHING,57.11mm ID x 60.33mm OD x 42.32mm L

- camshaft front

1шт.

16

A21019

BUSHING,57.05mm ID x 60.33mm OD x 36.63mm L

- camshaft second and third

2шт.

17

A23487

BUSHING,44.35mm ID x 60.3mm OD x 29.62mm L

- camshaft rear

1шт.

18

221-1845

DRAIN PLUG,Hex Soc, 3/4"-14, NPTF

PLUG - socket hex head pipe, 3/4 inch PT

1шт.

19

A155701

DIPSTICK

- oil level

1шт.

20

A67178

DRIVE

ASSEMBLY - tachometer

1шт.

22

A66737

SWITCH, PRESSURE

SWITCH - oil pressure

1шт.

23

A153835

TUBE

- extension, dipstick

1шт.

24

A27342

O-RING,1.109" ID x 1.387" OD x 0.139"

- extension tube

1шт.

25

L47766

CLAMP

ASSEMBLY - extension tube

1шт.

26

A58891

COVER

- pump mounting hole

1шт.

27

A58617

GASKET

- mounting cover

1шт.

28

221-843

PLUG,Hex Soc, 3/8"-18

- hex socket head pipe, 3/8 inch PT

1шт.

35

A155436

RESISTOR

HEATER ASSEMBLY - block, Includes: Ref. 36 - 38

1шт.

36

NSS

NOT SOLD SEPARAT

ELEMENT ASSEMBLY - block

1шт.

37

A44813

CABLE EXTENSION

CORD - heater

1шт.

38

A45114

GASKET

- element

1шт.

A44006

SLEEVE

KIT - heater sleeve, Includes: Ref. 45

1шт.

45

NSS

NOT SOLD SEPARAT

SLEEVE - block heater hole, 2-1/16 inch (52 mm)

1шт.

45

NSS

NOT SOLD SEPARAT

SLEEVE - block heater hole, 2-1/8 inch (54 mm)

1шт.

Electrical ground cable from engine to chassis is D127106 (eff. w/ production in Feb, 1984).

1шт.

Выбрано товаров: 34