Запчасти Case 680H (072) - L79906 STARTER (04) - ELECTRICAL SYSTEMS

Схема запчастей Case 680H - (072) - L79906 STARTER (04) - ELECTRICAL SYSTEMS
FIT
1:1
100%

Артикул

Название

Примечание

Количество

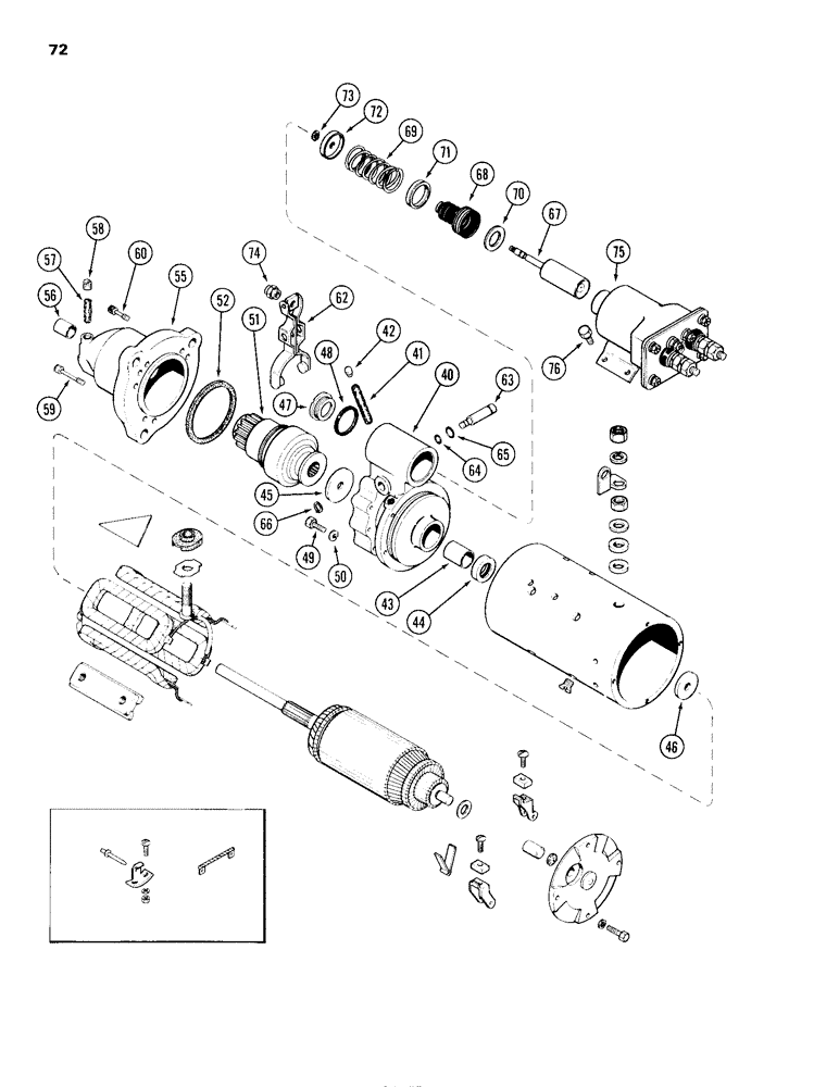
L79906

STARTER MOTOR

STARTER ASSEMBLY - (continued from Figure 70), Includes: Ref. 40 - 76 and Ref. 1 - 35 on Figure 70

1шт.

40

R21579

HOUSING

ASSEMBLY - shift lever, Includes: Ref. 41 - 45

1шт.

41

R15023

WICK

- oil

1шт.

42

221-1041

PLUG

- 1/8 inch PT, slotted head

1шт.

43

A47261

BUSHING

- shift housing

1шт.

44

R21582

OIL SEAL

- oil

1шт.

45

R15145

DISC

WASHER - brake

1шт.

46

A40892

WASHER

- thrust, drive end

1шт.

47

R21587

PLUG

- housing

1шт.

48

A41924

GASKET

- plug

1шт.

49

114-1

BOLT,Hex, 1/4" - 28 x 1", Gr 5

5шт.

50

192-19

LOCK WASHER,Helical Spring, 0.256" ID, CST, ZND

WASHER, LOCK, 1/4"

5шт.

51

A47523

DRIVE

ASSEMBLY - starter pinion

1шт.

52

R21562

GASKET

- drive housing to drive end

1шт.

55

A44340

HOUSING

ASSEMBLY - drive end, Includes: Ref. 56 - 58

1шт.

56

A47257

BUSHING

- drive end

1шт.

57

R15023

WICK

- oil

1шт.

58

221-1041

PLUG

- slotted head, 1/8 inch PT

1шт.

59

D32488

HEX SOC SCREW,5/16" - 18 x 1.50"

SCREW - housing, 1-1/2 inch socket head

5шт.

60

D32489

HEX SOC SCREW,5/16" - 18 x 0.86"

SCREW - housing, 7/8 inch socket head

1шт.

62

D32547

LEVER

- shift control

1шт.

63

A42199

PIN

SHAFT - pivot, shift lever

1шт.

64

A47258

O-RING,0.369" ID x 0.515" OD

- shaft, 1/4 inch (6 x mm) ID

1шт.

65

A47259

O-RING,0.244" ID x 0.391" OD

- shaft, 3/8 inch (10 mm) ID

1шт.

66

G46146

SNAP RING,#37, Ext

Ring, Snap, , shaft retaining #37, Ext

1шт.

67

A42309

PLUNGER

- solenoid

1шт.

68

A42308

BOOT

- plunger (rubber)

1шт.

69

A41242

SPRING

- plunger return

1шт.

70

A41922

WASHER

- spring seat

1шт.

71

A43380

BACK-UP RING

RETAINER- plunger spring, inner

1шт.

72

A43419

SEAT

RETAINER- plunger spring, outer

1шт.

73

G46146

SNAP RING,#37, Ext

Ring, Snap, , retainer to plunger #37, Ext

1шт.

74

131-31

LOCK NUT,5/16"-24, G8

NUT - 5/16 inch NF special

1шт.

75

A47899

SOLENOID SWITCH

SOLENOID ASSEMBLY - starter

1шт.

76

R15159

SCREW,Hex, 1/4" - 20 x 3/8", w/ LW

- solenoid to body

4шт.

Выбрано товаров: 35