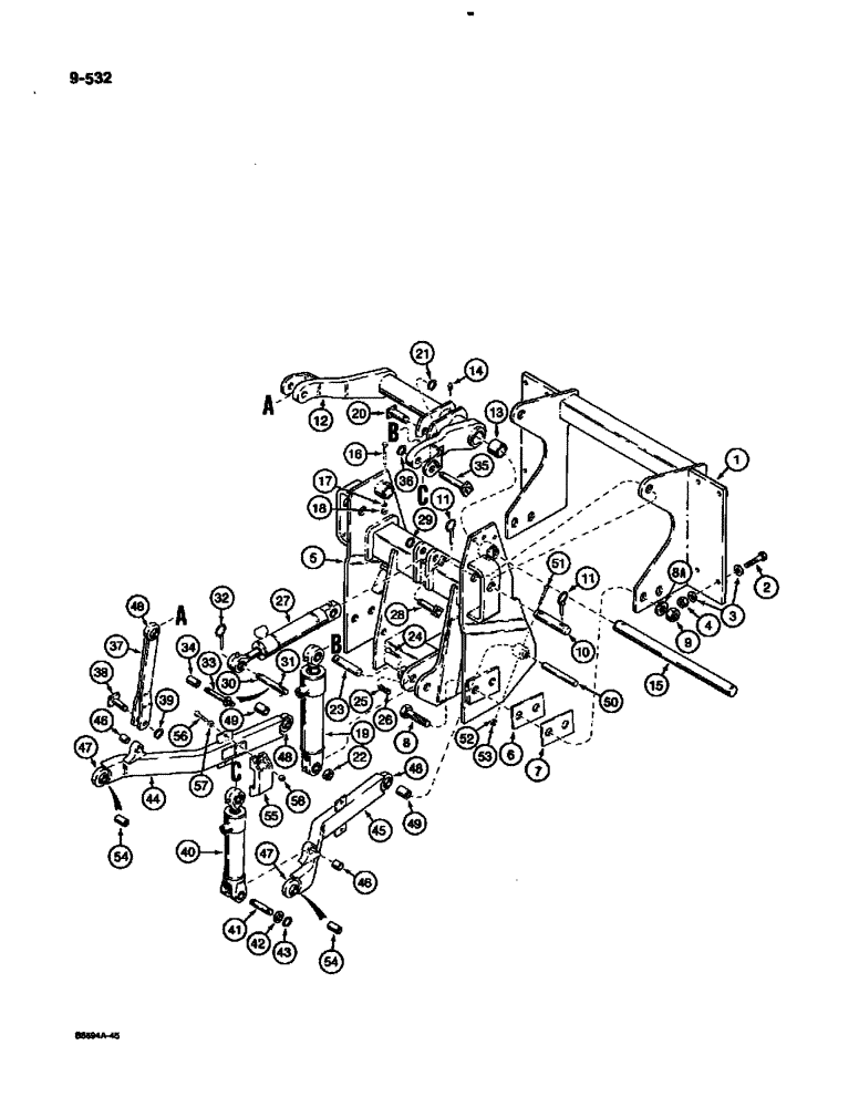
Запчасти Case 580K (09-532) - THREE-POINT HITCH FRAME, DRAFT ARMS, LINKAGE, AND CYLINDER MOUNTING (09) - CHASSIS/ATTACHMENTS

Схема запчастей Case 580K - (09-532) - THREE-POINT HITCH FRAME, DRAFT ARMS, LINKAGE, AND CYLINDER MOUNTING (09) - CHASSIS/ATTACHMENTS
30
48
18
13
8
1
49
43
5
48
6
21
53
1
20
48
1
4
7
51
38
3
26
8
8
27
11
40
27
54
14
2
9
19
48
22
3
36
4
3
44
13
17
2
6
8
11
45
47
9
50
33
52
7
56
28
6
32
54
58
25
35
2
10
8
46
55
FIT
1:1
100%

Артикул

Название

Примечание

Количество

1

D141042

FRAME ASSY

SUPPORT three-point hitch frame

1шт.

2

26-1248

BOLT,Hex, 3/4" - 10 x 3", Gr 8

- hex, 3/4" -10 NC x 3, G8

8шт.

3

D34666

WASHER,33.34mm ID x 63.5mm OD x 2.38mm Thk

flat, 3/4", hardened

16шт.

4

129-138

NUT,3/4"-10, G8

8шт.

5

D141091

FRAME ASSY

FRAME three-point hitch

1шт.

6

D141094

SHIM,1.6mm Thk

(1/16") 1.6mm Thk

1шт.

7

D141095

SHIM,3mm Thk

(1/8") 3mm Thk

1шт.

8

113-977

BOLT,Hex, 1-1/4" - 7 x 3-1/2", Gr 5

4шт.

8a

D64968

WASHER

flat, 1-1/4", hardened

4шт.

9

25-1020

NUT,1 1/4"-7, G5

4шт.

10

D133267

PIN

hitch, Serial Range: frame-support

2шт.

11

D33805

PIN

lock

4шт.

12

D72875

TUBE,23.6" L

rockshaft, Includes: Ref. 13

1шт.

13

D50146

BUSHING,44.68mm ID x 57.15mm OD x 38.1mm L

tube

2шт.

14

219-1

LUBE NIPPLE,1/8" - 27 NPTF

GREASE FITTING straight, 1/8" NPT

1шт.

15

D51569

SHAFT

ROCKSHAFT three-point hitch

1шт.

16

113-241

BOLT,Hex, 3/8" - 16 x 3", Gr 5

1шт.

17

192-21

LOCK WASHER,3/8"

WASHER, LOCK, 3/8"

1шт.

18

129-103

NUT,Hex, 3/8" - 16, Gr 5

NUT, 3/8"-16, G5

1шт.

19

G101189

CYLINDER ASSY.

CYLINDER ASSEMBLY lift, see Figure 08-434

1шт.

20

D51302

PIN

mounting, lift cylinder, upper

1шт.

21

D26918

SNAP RING,#125, Ext

Ring, Snap, , pin #125, Ext

1шт.

22

D51692

SPACER

lift cylinder mounting pin, lower

1шт.

23

D51695

PIN

mounting, lift cylinder, lower

1шт.

24

113-257

BOLT,Hex, 3/8" - 16 x 2-1/2", Gr 5

1шт.

25

192-21

LOCK WASHER,3/8"

WASHER, LOCK, 3/8"

1шт.

26

129-103

NUT,Hex, 3/8" - 16, Gr 5

NUT, 3/8"-16, G5

1шт.

27

1976884C1

JACK BODY

CYLINDER ASSEMBLY pitch, see Figure 08-438

1шт.

138235A1R

REMAN-HYD CYLINDER

580K, Reman For New P/N 1976884C1

1шт.

138235A1C

CORE-HYD CYLINDER

Return Number

1шт.

28

D141090

PIN

mounting, pitch cylinder at mounting frame

1шт.

29

D25277

SNAP RING,23.5mm ID x 2.62mm Thk

pin retaining

1шт.

30

D140990

PIN

1" diameter, pitch cylinder to equipment, for use with category II hitch, if used, Includes: Ref. 31

1шт.

31

138-140

LOCK PIN,1/4" x 1 3/4", Slotted

PIN, 1/4" x 1 3/4", Slotted

1шт.

32

D33805

PIN

lock

1шт.

33

D141292

PIN

3/4" diameter, pitch cylinder to equipment, for use with category I hitch, if used

1шт.

34

D141156

TUBE

BUSHING pivot, pitch cylinder rod eye, used with D141292 pin to adapt for use with category I hitch, if used

1шт.

35

D51299

PIN

mounting, tilt cylinder and strut, upper

2шт.

36

D25277

SNAP RING,23.5mm ID x 2.62mm Thk

pin retaining

2шт.

37

D51276

STAND

STRUT stationary

1шт.

38

D51297

PIN

mounting, strut, lower

1шт.

39

D25277

SNAP RING,23.5mm ID x 2.62mm Thk

pin retaining

1шт.

40

G101188

JACK BODY

CYLINDER ASSEMBLY tilt, see Figure 08-436

1шт.

41

D30609

PIN,25.4mm OD x 95.25mm L

mounting, tilt cylinder, lower

1шт.

42

195-553

WASHER,1", SAE

flat, 1", plated, cylinder alignment

2шт.

43

D25277

SNAP RING,23.5mm ID x 2.62mm Thk

pin retaining

2шт.

44

D141088

ARM

draft, left hand

1шт.

45

D141087

ARM

draft, right hand, Includes: Ref. 46-48

1шт.

46

D51608

BUSHING,25.63mm ID x 34.92mm OD x 25.4mm L

arm, 1", 25 mm ID

1шт.

47

H363424

BALL JOINT

BUSHING - self-aligning, 1-1/8" pin size

1шт.

48

D51609

BALL JOINT

BUSHING self-aligning, 1" pin size

2шт.

49

D141104

TUBE

BUSHING pivot, draft arm mounting pin

2шт.

50

D50724

PIN,25.4mm OD x 160.27mm L

mounting, draft arm to mounting frame

2шт.

51

113-257

BOLT,Hex, 3/8" - 16 x 2-1/2", Gr 5

2шт.

52

192-21

LOCK WASHER,3/8"

WASHER, LOCK, 3/8"

2шт.

53

129-103

NUT,Hex, 3/8" - 16, Gr 5

NUT, 3/8"-16, G5

2шт.

54

D140991

BUSHING,22.48mm ID x 28.57mm OD x 44.45mm L

draft arm to equipment, for use with category I hitch, if used

2шт.

55

D141085

CASTING

RETAINER sway, draft arm

2шт.

56

113-412

BOLT,Hex, 1/2" - 13 x 1-3/4", Gr 5

4шт.

57

195-533

WASHER,1/2", SAE

flat, 1/2", plated

4шт.

58

131-70

NUT,1/2"-13, GB

NUT hex, self-locking, 1/2" - 13 NC, plated

4шт.

Выбрано товаров: 61