Запчасти Case 580K (09-608) - CAB REAR WINDSHIELD WIPER (09) - CHASSIS/ATTACHMENTS

Схема запчастей Case 580K - (09-608) - CAB REAR WINDSHIELD WIPER (09) - CHASSIS/ATTACHMENTS
10
13
9
6
16
11
20
15
18
21
8
19
14
1
4
3
2
12
7
17
22
5
FIT
1:1
100%

Артикул

Название

Примечание

Количество

1

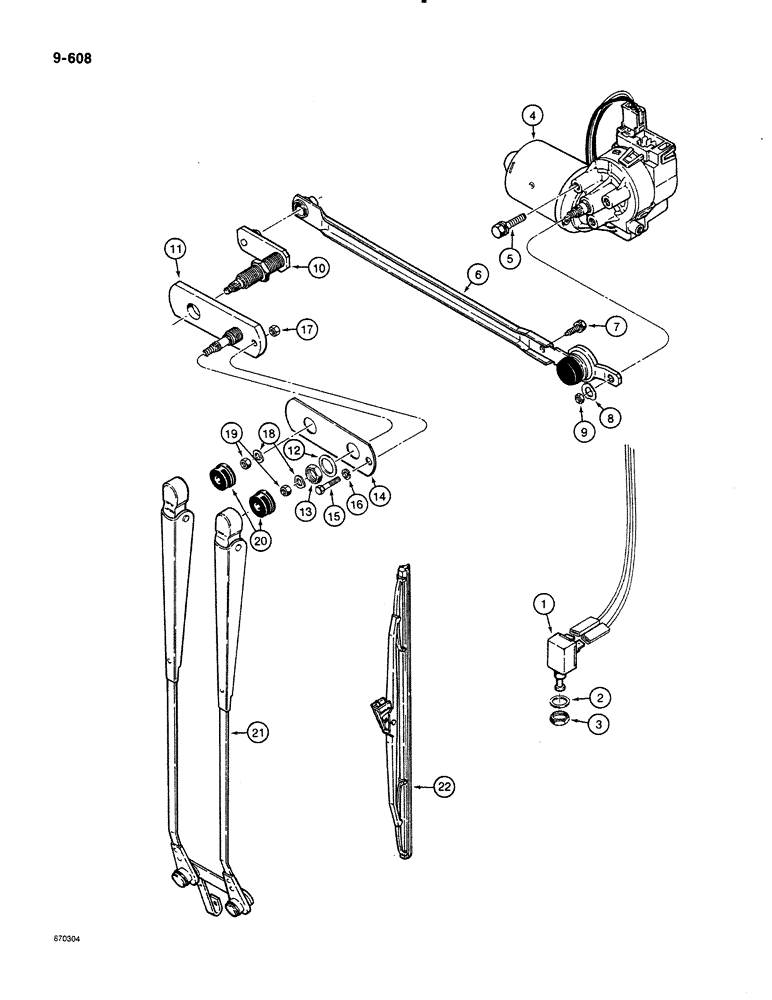
A187714

PUSH BUTTON SWITCH

- wiper stop, mounts to window frame inside filter compartment

1шт.

2

A165395

WASHER,.50mm ID x 1.0mm OD x .060 Thk

flat, 1/2" ID x 1" OD x 1/16" thick, used as a seal

1шт.

3

129-164

JAM NUT,Hex, 7/16" - 20, Gr 5

Jam, 7/16"- 20, G5

1шт.

4

D128017

WIPER MOTOR

MOTOR rear windshield wiper, 12 volt

1шт.

5

N8362

CAPTIVE WASHER SCREW,Hex, M6 x 18.50mm, Gr 10.9

SCREW AND WASHER special, motor to cab frame

3шт.

D128018

LINK

rear wiper, motor to wiper pivot shafts, Includes: Ref. 6 and 7

1шт.

6

NSS

NOT SOLD SEPARAT

LINK crank

1шт.

7

N8362

CAPTIVE WASHER SCREW,Hex, M6 x 18.50mm, Gr 10.9

SCREW AND WASHER special

1шт.

8

N8361

SPRING WASHER

wave, special

1шт.

9

L112090

NUT

hex, special, 8 mm

1шт.

10

D128020

SHAFT

pivot, with ball, includes nut

1шт.

11

D128021

SHAFT

pivot

1шт.

12

L112088

WASHER

special, large, shaft

1шт.

13

L112087

NUT

special, large, shaft

1шт.

14

D128019

GASKET

black

1шт.

15

113-4

BOLT,Hex, 1/4" - 20 x 1", Gr 5

1шт.

16

192-19

LOCK WASHER,Helical Spring, 0.256" ID, CST, ZND

WASHER, LOCK, 1/4"

1шт.

17

7770

NUT,Hex, 1/4 - 20, Cl 5

1/4"-20, G5

1шт.

18

L112089

WASHER

wave, special, shaft end

2шт.

19

L112090

NUT

hex, special, 8 mm, shaft end

2шт.

20

L112081

CAP

pivot shaft end

2шт.

21

R52408

WIPER ARM

ARM rear windshield wiper

1шт.

22

D128022

WIPER BLADE

BLADE rear windshield wiper

1шт.

Выбрано товаров: 23