Запчасти Case 580K (6-012) - TORQUE CONVERTER HOUSING, PUMP AND OUTPUT SHAFT, WITH PTO (06) - POWER TRAIN

Схема запчастей Case 580K - (6-012) - TORQUE CONVERTER HOUSING, PUMP AND OUTPUT SHAFT, WITH PTO (06) - POWER TRAIN
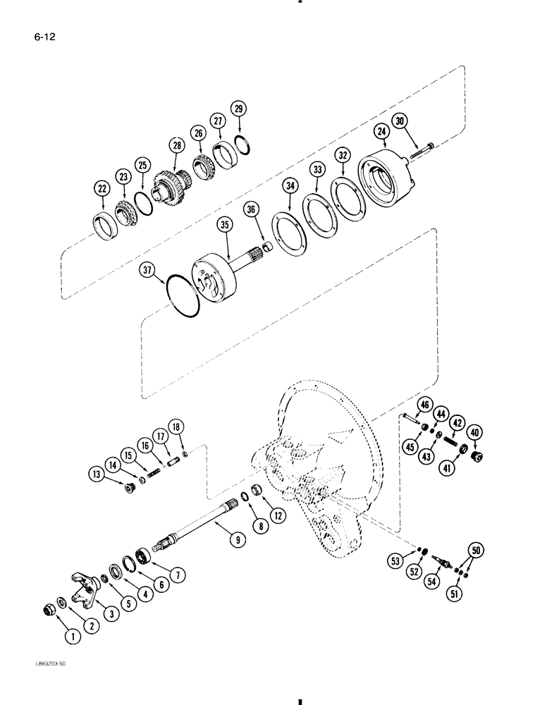
27
32
1
3
6
25
5
26
42
30
52
9
17
4
44
22
43
18
46
7
50
14
24
45
33
23
28
12
41
35
54
36
40
29
53
37
2
51
15
34
8
16
13
FIT
1:1
100%

Артикул

Название

Примечание

Количество

A186706

CONVERTER

HOUSING torque converter, with PTO, Includes: Ref. 1 - 54

1шт.

1

3173953R1

LOCK NUT,M20 x 2.5, Cl 8

NUT lock, prevailing torque

2шт.

2

H312652

WASHER

flat

2шт.

3

A159663

YOKE

output, converter

2шт.

4

A175651

OIL SEAL,38.1mm ID x 52.44mm OD x 9.91mm Thk

oil, yoke

2шт.

5

A159665

O-RING,0.139" Thk x 0.859" ID, -212, Cl 5, 75 Duro

yoke sealing, 55/64 x 1-9/64 x 9/64"

2шт.

6

A31078

SNAP RING,2.062", Int, #206

Retaining, 2-7/32" OD 2.062", Int, #206

1шт.

7

A31260

BALL BEARING,25 mm ID x 52 mm OD x 15 mm

BEARING ASSEMBLY, ball

1шт.

8

A158354

RING

oil seal

1шт.

9

A186735

SHAFT

output

1шт.

12

A178745

SLEEVE

wear, housing

1шт.

13

86625138

PLUG,7/18" - 14

Includes Ref. 14 Hex Soc, 7/8"-14 ORB

1шт.

14

218-5008

O-RING,0.116" Thk x 0.924" ID, -912, Cl 6, 90 Duro

15/16 x 1-1/16 x 7/64"

1шт.

15

A188918

VALVE SPRING

SPRING converter relief valve

1шт.

16

211-104

BALL

3/8" OD

1шт.

17

A183025

VALVE

CARTRIDGE converter relief valve

1шт.

18

D26265

O-RING,1.78mm Thk x 14mm ID, 70 Duro

9/16 x 11/16 x 1/16"

1шт.

22

3216620R1

BEARING, CUP

CUP bearing, input gear, rear

1шт.

23

A190113

CONE

bearing, input gear, rear

1шт.

24

A190005

SUPPORT ASSY.

SUPPORT PTO input shaft bearing

1шт.

25

A190101

SEAL

SEAL PTO input gear

1шт.

26

A61447

ROLLER BEARING,2.1651" ID x 0.9045" Thk

CONE bearing, input gear, front

1шт.

27

625743C1

BEARING CUP,90mm OD x 18.5mm W

CUP tapered roller bearing, input gear, front

1шт.

28

A190012

GEAR WHEEL

GEAR PTO input

1шт.

29

G32926

O-RING,0.103" Thk x 1.987" ID, -136, Cl 5, 75 Duro

input gear to converter hub

1шт.

30

864-8080

HEX SOC SCREW,M8 x 80mm, Cl 8.8

BOLT hex socket head, 8 mm - 1.25 x 80 mm

4шт.

32

A190110

SHIM,.457mm Thk

PTO input shaft .457mm Thk

1шт.

33

A190151

SHIM,.254mm Thk

PTO input shaft .254mm Thk

1шт.

34

A190155

SHIM,0.05mm Thk

PTO input shaft 0.05mm Thk

1шт.

35

A190102

PUMP

ASSEMBLY, torque converter, Includes: Ref. 36

1шт.

36

A178367

BUSHING,25.07mm ID x 28.02mm OD x 13mm L

pump

1шт.

37

D36103

O-RING,0.139" Thk x 5.609" ID, -255, Cl 5, 75 Duro

5-5/8 x 5-7/8 x 1/8"

1шт.

A183347

VALVE

ASSEMBLY, filter bypass, Includes: Ref. 40 - 45

1шт.

40

NSS

NOT SOLD SEPARAT

PLUG bypass valve

1шт.

41

237-6012

O-RING,0.116" Thk x 0.924" ID, -912, Cl 6, 90 Duro

59/64 ID x 7/8" wide

1шт.

42

NSS

NOT SOLD SEPARAT

SPRING bpass valve

1шт.

43

NSS

NOT SOLD SEPARAT

WASHER bypass valve

1шт.

44

A30825

O-RING,0.364" ID x 0.504" OD x 0.07"

valve poppet, 3/8 x 1/2 x 1/16"

1шт.

45

NSS

NOT SOLD SEPARAT

POPPET bypass valve

1шт.

46

NSS

NOT SOLD SEPARAT

GUIDE valve spring

1шт.

N6755

PRESSURE SWITCH

RESTRICTION INDICATOR ASSEMBLY, electric, Includes: repair kit below and Ref. 50 - 54

1шт.

N6941

KIT

repair, restriction indicator, Includes: Ref. 50 - 53

1шт.

50

129-667

NUT,#10-32, LH

2шт.

51

193-99

LOCK WASHER,Int Tooth, #10

WASHER, LOCK, Int Tooth, #10

1шт.

52

218-5005

O-RING,0.078" Thk x 0.468" ID, -906, Cl 6, 90 Duro

6-1, 90 Duro, .468" ID x .078" Thk

1шт.

53

A28090

O-RING,0.301" ID x 0.441" OD x 0.07"

-011, 70 Duro, .301" ID x .070" Thk - Inner

1шт.

54

N6755

PRESSURE SWITCH

restriction, electric

1шт.

Выбрано товаров: 47