Запчасти Case 580K (6-030) - TRANSAXLE AND DIFFERENTIAL LOCK (06) - POWER TRAIN

Схема запчастей Case 580K - (6-030) - TRANSAXLE AND DIFFERENTIAL LOCK (06) - POWER TRAIN
8
22
2
3
25
26
7
11a
4
5
21
19
24
1a
21
4a
13
4b
22
6
16
23
20
26
9
15
14
18
17
12
1
8
27
10
11
1b
FIT
1:1
100%

Артикул

Название

Примечание

Количество

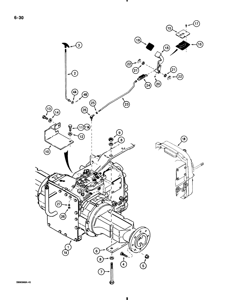
1

A190259

AXLE

TRANSAXLE ASSEMBLY, two-wheel drive, used on models without PTO, parts list pages 6-11 through 6-23 and 6-55 through 7-5

1шт.

1

A190260

AXLE

SPARE PART TRANSAXLE ASSEMBLY, two-wheel drive, used on models with PTO, parts list pages 6-11 through 6-23 and 6-55 through 7-5, not shown

1шт.

1a

A190261

AXLE

TRANSAXLE ASSEMBLY, four-wheel drive, used on models without PTO, parts list pages 6-11 through 6-23 and 6-55 through 7-5, not shown, used on models with D139510 front drive axle and D143185 drive shaft

1шт.

1a

A190262

AXLE

SPARE PART TRANSAXLE ASSEMBLY, four-wheel drive, used on models with PTO, parts list pages 6-11 through 6-23 and 6-55 through 7-5, not shown, used on models with D139510 front drive axle and D143185 drive shaft

1шт.

1b

1345872C1

AXLE

TRANSAXLE ASSEMBLY, four-wheel drive, used on models without PTO, component part numbers not available at time of printing, used on models with D149174 or D146847 front drive axle and 1349244C1 drive shaft

1шт.

1b

1345874C1

AXLE

TRANSAXLE ASSEMBLY, four-wheel drive, used on models with PTO, component part numbers not available at time of printing, used on models with D149174 or D146847 front drive axle and 1349244C1 drive shaft

1шт.

1

AR180000

REMAN-TRANSAXLE, 4WD

REMAN-TRANSAXLE, 4WD Remanufactured Axle; For N.A. only

1шт.

1

AC180000

CORE-TRANSAXLE, 4WD

Return number - For N.A. only

1шт.

2

D146237

ROD

ROD PTO control, if used

1шт.

3

D148971

HANDLE

HANDLE tee, PTO rod, if used

1шт.

4

3220372R2

STUD,M20 x 1.5 x 58mm, Cl 30

BOLT hex head, special

16шт.

4a

195-103

WASHER,5/16"

WASHER flat, 3/8"

1шт.

4b

732-1616

COTTER PIN,M1.6 x 16

PIN cotter, 1.6 x 16 mm

1шт.

5

98783C1

WHEEL NUT,Wheel, Flg, M20 x 1.5

NUT, , Special Wheel, Flg, M20 x 1.5

16шт.

6

D127596

PLATE

PLATE spacer

2шт.

7

413-16144

BOLT,Hex, 1" - 8 x 9", Gr 5

BOLT hex head, 1" - 8 NC x 9"

4шт.

Per NLB SB 00293, Ref. 7, 413-16144 and Ref. 9, 425-1016, grade 5 hardware has been changed to grade 8. The new part numbers are 326-16144 bolt and 329-1016 nut.

1шт.

8

D36505

WASHER,26.99mm ID x 47.63mm OD x 2.38mm Thk

WASHER flat, hardened, 1"

8шт.

9

425-1016

NUT,1"-8, G5

NUT, 1"-8, G5

4шт.

Per NLB SB 00293, Ref. 7, 413-16144 and Ref. 9, 425-1016, grade 5 hardware has been changed to grade 8. The new part numbers are 326-16144 bolt and 329-1016 nut.

1шт.

10

D142862

PROTECTOR

GUARD transaxle suction tube, mounts to tapped holes in transaxle

1шт.

11

614-20030

BOLT,Hex, M20 x 2.5 x 30mm, Cl 8.8, Full Thd

BOLT hex, 20 mm - 2.5 x 30 mm, if used

1шт.

11a

D142942

BOLT,Hex, M20 x 2 x 30mm, Cl 8.8

BOLT hex, 20 mm - 2.0 x 30 mm, if used

1шт.

12

895-11020

WASHER,M20 x 37 x 3

WASHER flat, 20 mm

1шт.

13

614-16030

BOLT,Hex, M16 x 2 x 30mm, Cl 8.8, Full Thd

BOLT, Hex, M16 x 30, 8.8, Full Thd

1шт.

14

895-11016

WASHER,17.5mm ID x 30mm OD x 3mm Thk

WASHER, , Flat M16 x 30 x 3

1шт.

15

D146214

LARGE PLATE

PLATE, LARGE PLATE differential lock boot

1шт.

16

D129670

BOOT

BOOT differential lock

1шт.

17

187-575

SELF-TAP SCREW,Hex Washer, 1/4" - 20 x 3/4"

SCREW hex washer head, self-tapping, black, 1/4 NC x 3/4"

3шт.

18

D142718

PEDAL

PEDAL differential lock

1шт.

19

A75351

SKID/SHOE

COVER differential lock pedal

1шт.

20

219-1

LUBE NIPPLE,1/8" - 27 NPTF

FITTING -rease, straight, 1/8 NP

1шт.

21

A30881

SEALING WASHER,19.45mm ID x 31.35mm OD

WASHER flat, spacer

2шт.

22

D143416

CIRCLIP,15.09mm ID x 27.81mm OD x 1.57mm Thk

RETAINER, pedal to pivot shaft bracket

2шт.

23

D141951

ROD

ROD differential lock

1шт.

24

A190341

SPRING

SPRING return, differential lock pedal

1шт.

25

425-116

NUT,3/8" - 24, Gr 5

NUT hex, plated, 3/8"-24 NF

2шт.

26

D38296

JOINT

JOINT ball, 3/8"

1шт.

27

492-11038

LOCK WASHER,3/8"

LOCK WASHER, 3/8"

1шт.

Выбрано товаров: 0