Запчасти Case 580K (8-004) - EQUIPMENTHYD. SYSTEM, RESERVOIR TO LOADER CONTROL VALVE & LOADER VALVE TO FILTER & BACKHOE LINE (08) - HYDRAULICS

Схема запчастей Case 580K - (8-004) - EQUIPMENTHYD. SYSTEM, RESERVOIR TO LOADER CONTROL VALVE & LOADER VALVE TO FILTER & BACKHOE LINE (08) - HYDRAULICS
47
49
50
51
43
46
55
36
35
34
47
39
33
52
44
48
38
40
51
37
45
42
36
41
32
56
57
36
54
53
FIT
1:1
100%

Артикул

Название

Примечание

Количество

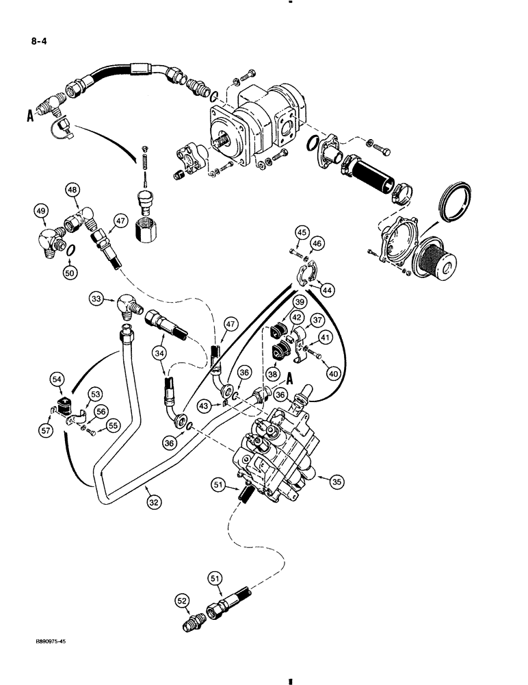
32

D141420

TUBE

pump outlet hose to loader valve inlet hose

1шт.

33

218-478

ELBOW,90 Degree Elbow, 1-5/16" - 12 Male JIC x 1-5/16" - 12 Male JIC

90 degree

1шт.

34

D140935

HOSE,19.05mm ID x 440mm L

loader valve inlet, 17-3/8", 440 mm long

1шт.

35

REF

INSTRUCTION

VALVE ASSEMBLY, loader control, for correct assembly and components, see Figure 8-84 or 8-86

1шт.

36

D31968

O-RING,0.139" Thk x 1.296" ID, -219, Cl 6, 90 Duro

loader valve tubes and hose, 1"

3шт.

37

D143422

SHIN

CLAMP double tube, loader valve inlet tube to small pump section backhoe tube

1шт.

38

D67297

BLOCK

INSULATOR loader valve tube, 1"

1шт.

39

D143797

SHOCK ABSORBER

INSULATOR small pump section backhoe tube, 3/4"

1шт.

40

413-632

BOLT,Hex, 3/8" - 16 x 2", Gr 5

1шт.

41

492-11038

LOCK WASHER,3/8"

1шт.

42

R46493

SPACER,0.406" ID x 0.625" OD x 0.850" Thk

tube clamp

1шт.

43

D122307

NUT

NUT U-type, 3/8" - 16 NC

1шт.

44

A12306

FLANGE

CLAMP split flange

6шт.

45

413-624

BOLT,Hex, 3/8" - 16 x 1-1/2", Gr 5

hex, plated, 3/8"-16 NC x 1-1/2"

12шт.

46

492-11038

LOCK WASHER,3/8"

12шт.

47

D140935

HOSE,19.05mm ID x 440mm L

loader return, loader valve outlet to filter, 440 mm long

1шт.

48

218-5234

ELBOW,90 Degree, 1 5/16"-12, 37 Degree x 1 5/16"-12, 37 Degree Fem Sw

street, 90 degree, swivel, at hydraulic oil filter fitting

1шт.

49

D129566

ELBOW

FITTING elbow, special, three way, at hydraulic oil filter, Includes Ref. 50

1шт.

50

237-6016

O-RING,0.116" Thk x 1.171" ID, -916, Cl 6, 90 Duro

fitting

1шт.

51

D140935

HOSE,19.05mm ID x 440mm L

power beyond, 440 mm long, loader valve outlet section to backhoe valve inlet tube, used with or without clam bucket

1шт.

52

218-739

UNION,1 5/16"-12, 37 Degree x 1 5/16"-12, 37 Degree

CONNECTOR straight

1шт.

53

D143410

CLAMP,36.58mm ID, 10.31mm Bolt Hole, J Type

loader valve inlet tube, 1"

2шт.

54

D67297

BLOCK

INSULATOR tube

2шт.

55

413-616

BOLT,Hex, 3/8" - 16 x 1", Gr 5

hex head, plated, 3/8" - 16 NC x 1"

2шт.

56

492-11038

LOCK WASHER,3/8"

2шт.

57

D122307

NUT

NUT U-type, 3/8" - 16 NC

2шт.

Выбрано товаров: 26