Запчасти Case 580K (2-018) - ENGINE MOUNTING (02) - ENGINE

Схема запчастей Case 580K - (2-018) - ENGINE MOUNTING (02) - ENGINE
3
2
8
2
4
10
5
3
13
16
9
7
15
6
13
11
1
14
17
12
FIT
1:1
100%

Артикул

Название

Примечание

Количество

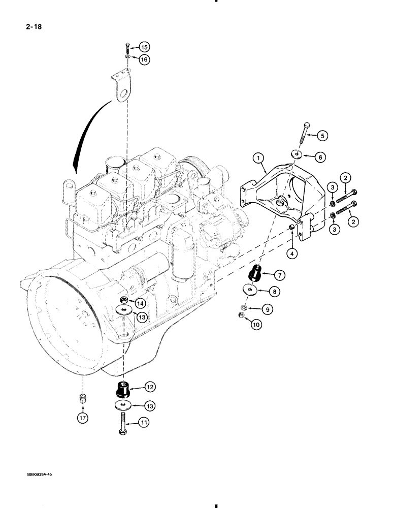
1

D123725

SUPPORT

engine, front

1шт.

2

814-12090

BOLT,Hex, M12 x 1.75 x 90mm, Cl 8.8

hex head, plated, 12 mm - 1.75 x 90 mm, 8.8

4шт.

3

892-1112

LOCK WASHER,M12

WASHER lock, plated, 12 mm

4шт.

4

A170309

BUSHING,13.41mm ID x 18mm OD x 13.25mm L

BUSHING engine support, upper bolt holes

2шт.

5

413-844

BOLT,Hex, 1/2" - 13 x 2-3/4", Gr 5

hex head, plated, 1/2" - 13 NC x 2-3/4"

2шт.

6

D126338

WASHER,13.1mm ID x 45mm OD x 4.5mm Thk

flat, special, 13 mm x 45 mm x 5 mm

2шт.

7

D60627

ISOLATOR,50.8mm OD x 41.1mm L

INSULATOR engine mount, rubber, front

2шт.

8

495-81270

WASHER,0.53" ID x 2.25" OD x 0.13" Thk

flat

2шт.

9

495-11053

WASHER,1/2", SAE

2шт.

10

131-70

NUT,1/2"-13, GB

NUT hex, self locking, plated, 1/2" - 13 NC

2шт.

11

413-1056

BOLT,Hex, 5/8" - 11 x 3-1/2", Gr 5

2шт.

12

D133316

RUBBER MOUNTING,63.5mm OD x 50.8mm L

INSULATOR engine mount, rubber, rear

2шт.

13

CASD35009

WASHER,16.67mm ID x 63.5mm OD

flat, special, hardened

4шт.

14

425-1010

NUT,5/8"-11, G5

2шт.

15

814-10020

BOLT,Hex, M10 x 1.5 x 20mm, Cl 8.8, Full Thd

Used to Attach Lift Bracket to Exhaust Manifold Hex, M10 x 20, 8.8, Full Thd

1шт.

16

895-11010

WASHER,11mm ID x 20mm OD x 2mm Thk

1шт.

17

221-35

DRAIN PLUG,Sq Soc, 3/4"-14 NPTF

PLUG square socket, 3/4" PT, used on models with PTO

1шт.

Выбрано товаров: 17