Запчасти Case 580K (9-154) - CAB CONTROL PANEL AND WIRING (09) - CHASSIS/ATTACHMENTS

Схема запчастей Case 580K - (9-154) - CAB CONTROL PANEL AND WIRING (09) - CHASSIS/ATTACHMENTS
18
10
19
21
12
15
1
18
8
19
6
6
15
7
17
16
5
13
11
16
3
15
2
9
22
20
4
14
FIT
1:1
100%

Артикул

Название

Примечание

Количество

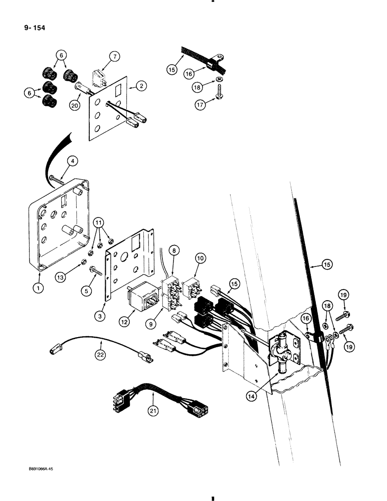
1

1343898C1

COVER

PANEL cab control, mounts on right hand ROPS post

1шт.

2

REF

INSTRUCTION

DECAL instrument panel, cab control, see Figure 9-188 for decal

1шт.

3

R52436

BRACKET

switch support

1шт.

4

286-56520

SELF-TAP SCREW,Cross Fil Hd, #10-24 x 1 1/4"

Fillister head, self tapping, black, No. 10 - 24 NC x 1-1/4"

4шт.

5

187-1309

SELF-TAP SCREW,Hex Flg Hd, #10 x 3/4"

SCREW hex flange head, plated, No. 10 - 24 NC x 3/4"

2шт.

6

111282C1

KNOB

switch, front and rear wiper, heater, blower, and air conditioner

4-5шт.

7

F45393

SWITCH

cab lamp, dome

1шт.

8

A42622

SWITCH

blower

1шт.

9

R52440

SWITCH

rear wiper

1шт.

10

R52415

ROTARY SWITCH

front wiper

1шт.

11

A42561

JAM NUT,Hex, 7/16" - 28, RH Thd

retaining, switch

3шт.

12

R52618

SWITCH

temperature control, air conditioning

1шт.

13

25-157

JAM NUT,Jam, 7/16"-20, G5

hex, jam, 7/16" - 20 NF

1шт.

14

R52483

VALVE

temperature control, heater

1шт.

15

A187759

HARNESS

cab, main, used on models prior to tractor P.I.N. JJG0020000

1шт.

15

A187925

HARNESS

cab, main, used on models with tractor P.I.N. JJG0020000 and after, used with Ref. 22 adapter wire for cab lights, no longer available, order 1987344C1 harness, below

1шт.

Black-colored connectors shown adjacent to Ref. 15 in diagram are part nbr 245706C1

1шт.

15

1987344C1

HARNESS

cab, main, used on models with tractor P.I.N. JJG0020000 and after

1шт.

16

49858

O-RING,0.103" Thk x 0.75" ID, -116, Cl 5, 75 Duro

P-type, harness

2шт.

17

28286R1

SELF-TAP SCREW,Hex Washer, 1/4" x 3/4"

SCREW hex flange head, self tapping, 1/4" - 20 NC x 3/4", lower harness clamp uses existing heater temperature control valve mounting bolt

1шт.

18

195-102

WASHER,1/4"

flat, plated, 1/4"

3шт.

19

121-134

FLANGE BOLT,Hex, 1/4" - 20 x 3/4", Gr 5, Full Thd

BOLT, , Mounts heater temperature control valve to ROPS post Hex Flg, 1/4"-20 x 3/4", G5, Full Thd

2шт.

20

1964672C1

LIGHT

LAMP amber, 14 volt, indicator, air conditioning

1шт.

21

D146568

HARNESS

WIRE adapter, used with A187759 cab harness, if used

1шт.

22

A187986

HARNESS

WIRE adapter, lead, cab lights, used with A187925 cab harness, if used

2шт.

Выбрано товаров: 25