Запчасти Case 580K (2-040) - CYLINDER BLOCK, 4-390 ENGINE (02) - ENGINE

Схема запчастей Case 580K - (2-040) - CYLINDER BLOCK, 4-390 ENGINE (02) - ENGINE
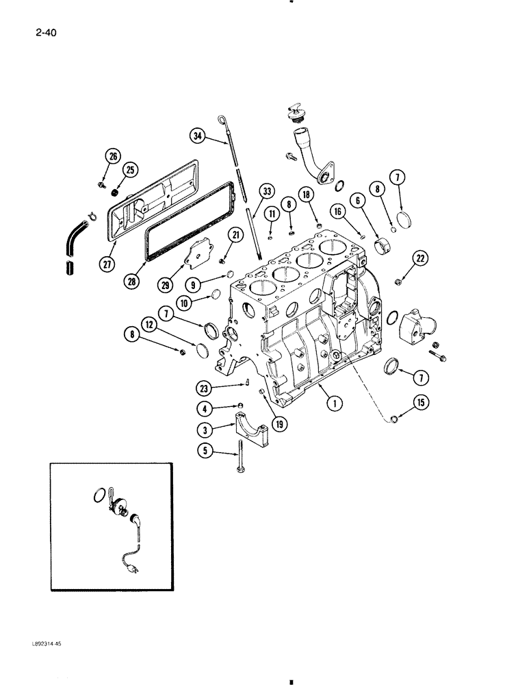
26
19
8
4
16
22
7
9
33
25
8
10
6
12
18
29
28
5
23
34
1
3
7
27
8
11
21
7
15
FIT
1:1
100%

Артикул

Название

Примечание

Количество

A174226

ENGINE ASSEMBLY

ENGINE ASSY ENGINE ASSEMBLY, 4-390 standard, complete, new, Includes all parts except starter, alternator, fan, fan belt, air cleaner, muffler and exhaust pipe

1шт.

1989067C2R

REMAN-REPLACEMENT EN

Reman For New P/N A174226

1шт.

1989067C2C

CORE-REPLACEMENT ENG

Return Part Number, Complete

1шт.

A174254

ENGINE

ENGINE ASSEMBLY, 4-390 optional, complete, new, with security module, Includes all parts except starter, alternator, fan, fan belt, air cleaner, muffler and exhaust pipe

1шт.

1989067C2R

REMAN-REPLACEMENT EN

Reman For New P/N A174254

1шт.

1989067C2C

CORE-REPLACEMENT ENG

Return Part Number, Complete

1шт.

AR174351

ENGINE, EXCHANGE

Engine (Exchange) Engine Assembly, remanufactured

1шт.

AC174351

CORE-ENGINE

Return Part Number, Use This Part Number To Return Engine Assembly Core For Credit

1шт.

A174351

BASIC ENGINE

ENGINE ASSEMBLY, basic, new

1шт.

Includes all parts except starter, alternator, fan, fan belt, fan bracket, air cleaner, muffler, exhaust manifold, flywheel and housing, oil fill and dipstick, fuel injection pump, injectors and lines, front crank pulley and belt tensioner.

1шт.

1989091C3R

REMAN-BASIC ENGINE

Reman For New P/N A174351. Built with 3 bolt injection pump front housing

1шт.

1989091C3C

CORE-BASIC ENGINE

Return Part Number

1шт.

J905377

SKELETON ENGINE

BLOCK ASSEMBLY, short, engine, new, Includes stripped block, pistons, connecting rods and bearings, crankshaft and bearings, order short block and J905813, Includes: Ref. 1

1шт.

JR905377

ENGINE, EXCHANGE

Engine (Exchange) Block Assembly, Short, Engine, Remanufactured

1шт.

JC905377

CORE

Return Part Number, Use This Part Number To Return Short Block Core For Credit

1шт.

JR933238

REMAN-SHORT ENGINE

Reman For New P/N J905377

1шт.

JC933238

CORE-SHORT ENGINE

Return Part Number

1шт.

1

J905376

CRANKCASE

BLOCK ASSEMBLY, stripped, engine, order block and J905813, Includes: Ref. 3 - 9

1шт.

3

J900967

BEARING CAP

CAP main bearing

5шт.

4

J900068

BEARING WASHER

RING dowel, 18 mm OD

10шт.

5

J904217

BOLT,Hex, M14 x 2 x 119mm, Cl 12.9

BOLT bearing cap, special

10шт.

6

REF

INSTRUCTION

BUSHING camshaft, front, see Figure 2-50

1шт.

7

J900965

PLUG

PLUG expansion, 58 mm OD

4шт.

8

J900956

PLUG

PLUG expansion, 18 mm OD

3шт.

9

A77539

PLUG

PLUG expansion, 26 mm

2шт.

J905813

PACKAGE, REPAIR

KIT block hardware, Includes: Ref. 10 - 23

1шт.

10

J900958

PLUG

PLUG expansion, 32 mm OD

2шт.

11

J900955

PLUG

PLUG expansion, 10 mm OD

1шт.

12

J900687

PLUG

PLUG expansion, Welch, 60 mm OD

1шт.

15

A77439

PLUG

PLUG expansion, 0.886 mm OD

1шт.

16

J900257

PIN,10.01mm OD x 16mm L

PIN dowel, 16 mm long

2шт.

18

J902343

DOWEL

RING dowel, 16 mm OD

2шт.

19

J900068

BEARING WASHER

RING dowel, 18 mm OD

2шт.

21

J906619

PLUG,1/8" - 27

PLUG hex socket pipe, 1/8"-27 PT

2шт.

22

A77429

PLUG

PLUG hex socket pipe, 1/4"-18 PT

1шт.

23

J901020

NOZZLE CAP

NOZZLE piston cooling

4шт.

25

J900267

SEAL

SEAL ASSEMBLY, cover bolt

4шт.

26

845-8016

BOLT,Hvy Hex, M8 x 16mm, Cl 8.8

BOLT hex, 8 mm - 1.25 x 16 mm

2шт.

27

J916441

COVER

COVER tappet

1шт.

28

J904056

GASKET

GASKET tappet cover

1шт.

29

J907586

BAFFLE

BAFFLE tappet cover

1шт.

33

J905779

TUBE,9.52 mm OD x 228 mm L

TUBE dipstick

1шт.

34

J905781

DIPSTICK

DIPSTICK oil level gauge

1шт.

Выбрано товаров: 43