Запчасти Case 580K (2-046) - CYLINDER BLOCK, 4T-390 ENGINE (02) - ENGINE

Схема запчастей Case 580K - (2-046) - CYLINDER BLOCK, 4T-390 ENGINE (02) - ENGINE
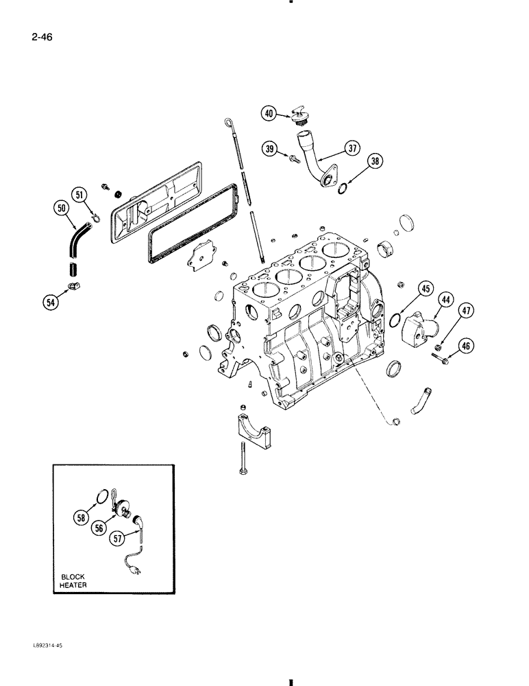
54
45
58
47
39
46
44
57
40
50
37
51
56
38
FIT
1:1
100%

Артикул

Название

Примечание

Количество

37

J905440

TUBE

oil fill

1шт.

38

J906696

SEAL,41mm ID x 43mm OD x 2.5mm H

O-RING sealing, 38 mm ID

1шт.

39

854-12025

BOLT,Hvy Hex, M12 x 25mm, Cl 10.9

hex flange, 12 mm - 1.75 x 25 mm

2шт.

40

A77424

FILLER CAP

CAP ASSEMBLY, fill, oil

1шт.

44

J903102

CONNECTION

water inlet

1шт.

45

J906697

SEAL,Square, 5.16mm Thk x 50.17mm ID

O-RING sealing, 50 mm ID

1шт.

46

854-10075

BOLT,Hvy Hex, M10 x 75mm, Cl 10.9

hex flange, 10 mm - 1.50 x 75 mm

3шт.

47

A77429

PLUG

hex socket pipe, 1/2" PT

2шт.

50

J906593

HOSE

Breather

1шт.

51

J904230

CLAMP,25.4mm

spring, hose

1шт.

54

J909670

CLIP

retaining

1шт.

A77634

KIT

heater, engine block, Includes: Ref. 56 and 57

1шт.

56

NSS

NOT SOLD SEPARAT

ELEMENT engine block heater, 12 volt

1шт.

57

J905113

CABLE

engine block heater

1шт.

58

J910517

O-RING

heater sealing, engine block

1шт.

Выбрано товаров: 15