Запчасти Case 680K (9-490) - CAB REAR WINDSHIELD WIPER (09) - CHASSIS/ATTACHMENTS

Схема запчастей Case 680K - (9-490) - CAB REAR WINDSHIELD WIPER (09) - CHASSIS/ATTACHMENTS
FIT
1:1
100%

Артикул

Название

Примечание

Количество

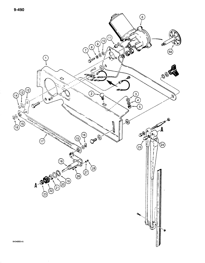
1

F45269

BRACKET

- wiper assembly mounting

1шт.

2

111-255

CARRIAGE BOLT,Short NK, 5/16"-18 x 3/4", G5

BOLT, CARRIAGE, Short NK, 5/16"-18 x 3/4", G5

2шт.

3

495-11034

WASHER,5/16", SAE

flat 5/16", SAE

2шт.

4

492-11031

LOCK WASHER,5/16"

WASHER, LOCK, 5/16"

2шт.

5

425-105

NUT,5/16"-18, G5

- hex, 5/16" - 18 NC, plated

2шт.

6

141648A3

PACKAGE

MOTOR ASSEMBLY - rear windshield wiper, 24 volt, American Bosch No. 19024-25-M024WC, parts list Figure 9-486, if used, also see 12 volt motor on Figure 9-492, Includes: Ref. 6A

1шт.

6

141648A3

PACKAGE

MOTOR ASSEMBLY - rear windshield wiper, 24 volt, United Technologies No. 48457-22-M024WC, includes Ref. 6A, 13 and 14, if used, also see 12 volt motor on Figure 9-492

1шт.

6a

N13276

PINION

SHAFT ASSEMBLY - with gear

1шт.

7

114-7

BOLT,Hex, 1/4" - 28 x 7/8", Gr 5, Full Thd

3шт.

8

492-11025

LOCK WASHER,1/4"

WASHER, LOCK, 1/4"

3шт.

9

495-11028

WASHER,1/4", SAE

3шт.

10

F964384

WASHER - nylon

3шт.

11

F44834

BUSHING

- nylon

3шт.

12

F64210

LEVER

ARM - drive

1шт.

13

D71411

WASHER

- wave

1шт.

14

F44452

LOCK NUT

- special, self-locking

1шт.

15

A22431

WASHER

- drive link

2шт.

16

D71414

CLIP

- spring

2шт.

17

F44754

LINK

- drive arm to pivot shaft

1шт.

N7274

KIT

SHAFT ASSEMBLY - pivot, Includes: Ref. 18 - 25

1шт.

18

NSS

NOT SOLD SEPARAT

SHAFT - pivot

1шт.

19

D71417

SPECIAL WASHER

WASHER - fiber

1шт.

20

95-81116

WASHER,21/32" x 15/16" x .134"

- flat, 5/8" ID x 15/16" OD, replaces washer with larger OD supplied with D71415 pivot shaft assembly

1шт.

21

D71419

NUT

- shaft

1шт.

22

1-9419

CAP

- shaft

1шт.

23

1267556C1

BUTTON

DRIVER - knurled

1шт.

24

493-41033

LOCK WASHER,0.33" ID x 0.61" OD x 0.03" Thk

WASHER, LOCK, Ext Tooth, 5/16"

1шт.

25

D71422

NUT

- dome, shaft

1шт.

26

169-99

SCREW,Sl Fil Hd, #10 - 24 x 5/8"

- machine, Fillister head slotted, No. 10 - 24 NC x 5/8"

2шт.

27

492-11010

LOCK WASHER,#10

WASHER, LOCK, #10

2шт.

28

225-14110

NUT,#10-24

2шт.

Выбрано товаров: 31