Запчасти Case 680K (4-108) - 24 VOLT TRACTOR LAMP ELECTRICAL CIRCUIT, WITH CANOPY (04) - ELECTRICAL SYSTEMS

Схема запчастей Case 680K - (4-108) - 24 VOLT TRACTOR LAMP ELECTRICAL CIRCUIT, WITH CANOPY (04) - ELECTRICAL SYSTEMS
FIT
1:1
100%

Артикул

Название

Примечание

Количество

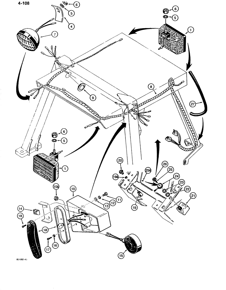
1

F96876

LAMP

ASSEMBLY - front driving and rear flood, 3 used on models without flashers, 4 used on models with flashers, parts list Figure 4-116

3-4шт.

4

D90092

RETAINER

- stop and tail lamp

1шт.

5

493-11052

LOCK WASHER,Ext-Int Tooth, 1/2"

WASHER - internal-external tooth lock, 1/2", plated

4шт.

6

425-148

JAM NUT,Jam, 1/2"-13, G5

- hex, jam, 1/2" - 13 NC, plated

4шт.

7

L104605

LAMP

ASSEMBLY - stop and tail, left rear, used on models without flasher lamps only, see Ref. 15 and 18 on this page, parts list Figure 4-118

1шт.

8

L103688

HARNESS

- ROPS canopy

1шт.

9

205-72

HOLE PLUG BUTTON,3"

PLUG - button, , access 3"

2шт.

10

D120124

BRACKET

- side lamps, if used

2шт.

11

413-516

BOLT,Hex, 5/16" - 18 x 1", Gr 5

- hex, 5/16" - 18 NC x 1", plated

4шт.

12

492-11031

LOCK WASHER,5/16"

WASHER, LOCK, 5/16"

4шт.

13

495-21038

WASHER,5/16"

4шт.

14

131-636

SPRING NUT,J, Ret, 5/16"-18

- J-type, 5/16" - 18 NC

4шт.

15

D126642

LAMP BASE

LAMP ASSEMBLY - turn signal and flasher, if used, parts list Figure 4-120

2шт.

15a

425-158

JAM NUT,Jam, 1/2"-20, G5

2шт.

16

492-11010

LOCK WASHER,#10

WASHER, LOCK, #10

4шт.

17

187-1917

SELF-TAP SCREW,Pan Hd, #8-16 x 5/8"

SCREW - pan head, self-tapping, No. 8 x 5/8", plated

4шт.

18

D126641

LAMP

ASSEMBLY - stop and tail, if used, see Ref. 7 above, parts list Figure 4-118

2шт.

19

D74330

SWITCH

- flasher, see Figure 4-98 for front and rear lamp switches, Includes: Ref. 19A

1шт.

19a

N7557

NUT

- special, 3/8" - 24 NF, switch retaining

1шт.

20

D88134

KNOB

- flasher switch

1шт.

21

L127265

SWITCH

- turn signal

1шт.

22

493-41078

LOCK WASHER,Ext Tooth, 3/4"

WASHER - external tooth lock, 3/4", plated

1шт.

23

D91352

JAM NUT

- special

1шт.

24

A177140

KNOB

- turn signal switch

1шт.

25

182-567

SCREW,Sltd Pan Hd, #5-40 x 1/2"

- machine, pan head slotted, No. 5 - 40 NC x 1/2", plated

1шт.

25a

193-3

LOCK WASHER,Int Tooth, #5

WASHER - external tooth lock, No. 5, plated

1шт.

26

A160035

PLATE

- knob, turn signal switch insert

1шт.

27

L105943

HOSE ASSY.

HOSE - harness cover

1шт.

Выбрано товаров: 28