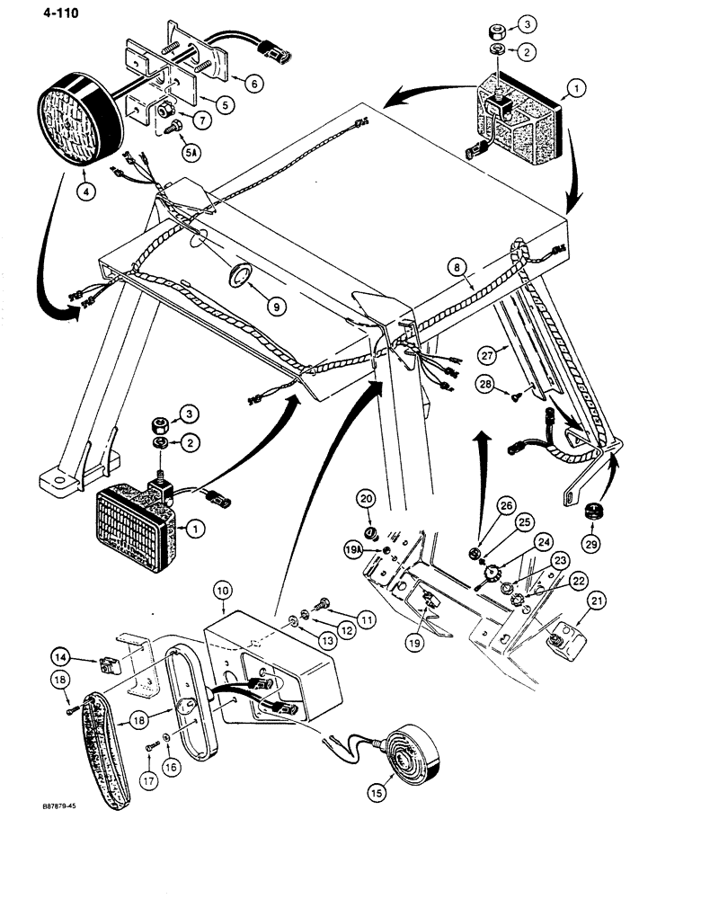
Запчасти Case 680K (4-110) - 12 VOLT TRACTOR LAMP ELECTRICAL CIRCUIT, WITH CANOPY (04) - ELECTRICAL SYSTEMS

Схема запчастей Case 680K - (4-110) - 12 VOLT TRACTOR LAMP ELECTRICAL CIRCUIT, WITH CANOPY (04) - ELECTRICAL SYSTEMS
FIT
1:1
100%

Артикул

Название

Примечание

Количество

1

ZAA7189850

HEADLIGHT

LAMP ASSEMBLY - front driving and rear flood, 3 used on models without flashers, 4 used on models with flashers, parts list Figure 4-116

3-4шт.

2

80679

LOCK WASHER,1/20.507 CST ZND

WASHER, LOCK, 1/2"

3-4шт.

3

425-148

JAM NUT,Jam, 1/2"-13, G5

- hex, jam, 1/2" - 13 NC, plated

3-4шт.

4

A187704

LAMP

ASSEMBLY - tail, left rear, used on models without flasher lamps only, see Ref. 15 and 18 on this page, parts list Figure 4-118

1шт.

5

D140734

BRACKET

- lamp mounting

1шт.

5a

276-24512

SELF-TAP SCREW,Hex Hd, #10 x 3/4"

SCREW - hex head, self-tapping, No. 10 - 24 NC x 3/4", plated

2шт.

6

D138098

BREAKER

PLATE - bracket retaining

1шт.

7

193-1006

NUT,Keps, w/LW, 1/4"-20

ASSEMBLY - includes lock washer, 1/4" - 20 NC, plated

2шт.

8

D138052

HARNESS

- ROPS canopy

1шт.

9

205-72

HOLE PLUG BUTTON,3"

PLUG - button, , access 3"

2шт.

10

D120124

BRACKET

- side lamps, if used

2шт.

11

413-516

BOLT,Hex, 5/16" - 18 x 1", Gr 5

- hex, 5/16" - 18 NC x 1", plated

4шт.

12

492-11031

LOCK WASHER,5/16"

WASHER, LOCK, 5/16"

4шт.

13

495-21038

WASHER,5/16"

4шт.

14

131-636

SPRING NUT,J, Ret, 5/16"-18

- J-type, 5/16" - 18 NC

4шт.

15

197594A1

LAMP

ASSEMBLY - turn signal and flasher, if used, parts list Figure 4-120

2шт.

16

280299

WASHER,0.19" ID x 0.44" OD x 0.05" Thk

4шт.

17

187-1917

SELF-TAP SCREW,Pan Hd, #8-16 x 5/8"

SCREW - pan head, self-tapping, No. 8 x 5/8", plated

4шт.

18

D137293

LAMP

ASSEMBLY - stop and tail, if used, see Ref. 7 above, parts list Figure 4-118

2шт.

19

D74330

SWITCH

- flasher, see Figure 4-100 for front and rear lamp switches, Includes: Ref. 19A

1шт.

19a

N7557

NUT

- special, 3/8" -24 NF, switch retaining

1шт.

20

D88134

KNOB

- flasher switch

1шт.

21

1987422C1

SWITCH

- turn signal

1шт.

22

493-41078

LOCK WASHER,Ext Tooth, 3/4"

WASHER - external tooth lock, 3/4", plated

1шт.

23

D91352

JAM NUT

- special

1шт.

24

A177140

KNOB

- turn signal switch

1шт.

25

193-556

SCREW,SEMS, Pan Hd, #5-40 x 1/2"

ASSEMBLY - includes lock washer, No. 5 - 40 NC x 1/2", black

1шт.

26

A160035

PLATE

- knob, turn signal switch insert

1шт.

27

D138576

COVER

- post, harness

1шт.

28

281-1478

SELF-TAP SCREW,1/4" - 20 x 1/2"

SCREW - self-tapping, 1/4" - 20 NC x 1/2", plated

4шт.

29

248-13106

GROMMET,11/16" ID x 1" Groove Dia, Str Cut

- harness

1шт.

Выбрано товаров: 31