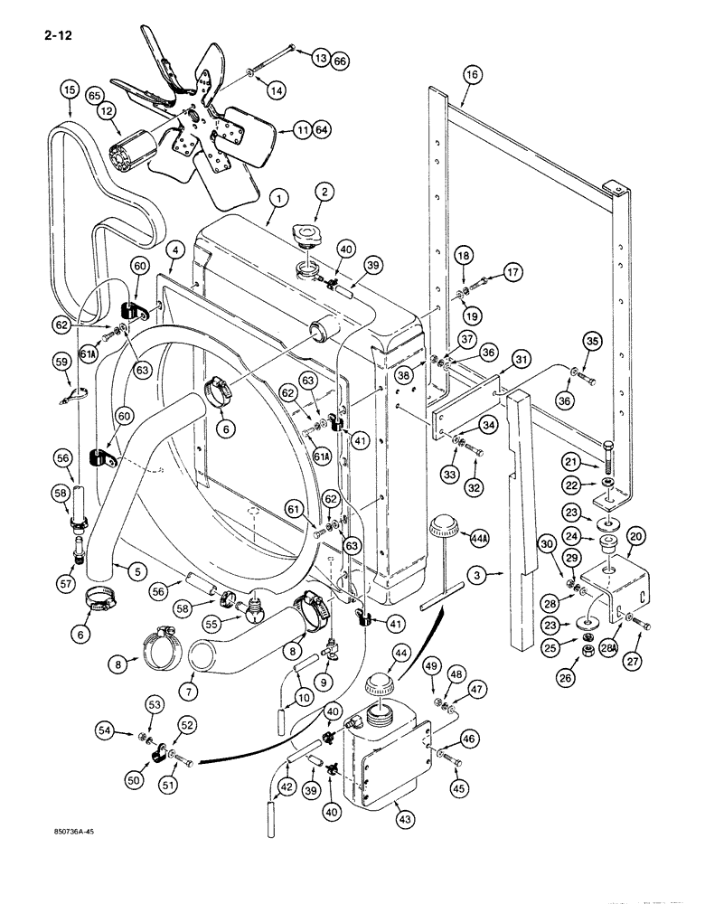
Запчасти Case 680K (2-12) - RADIATOR, FAN AND MOUNTING PARTS (02) - ENGINE

Схема запчастей Case 680K - (2-12) - RADIATOR, FAN AND MOUNTING PARTS (02) - ENGINE
FIT
1:1
100%

Артикул

Название

Примечание

Количество

1

A172141

RADIATOR

- engine cooling

1шт.

2

A170241

RADIATOR CAP

CAP, RADIATOR, Filler, 15 psi

1шт.

3

D128680

BAFFLE

- radiator, side 26-3/4" (680 mm) long, cut to fit from D92228 bulk, see below

2шт.

4

A171622

SHROUD

- radiator

1шт.

5

L110807

HOSE,44.40 mm ID x 309.90 mm, SAE 20R4 Class C or D-1

RADIATOR HOSE, , Upper, Replaces: D144202 44.40 mm ID x 309.90 mm, SAE 20R4 Class C or D-1

1шт.

6

214-259

HOSE CLAMP,#32, 1.56" - 2.5", Type F Worm

CLAMP - upper radiator hose

2шт.

7

D144202

HOSE,2.25" ID x 10.75", SAE J20, SAE 20R4 CLASS C or SAE 20R4 CLASS D1 or D2

RADIATOR HOSE, , Lower 2.25" ID x 10.75", SAE J20, SAE 20R4 CLASS C or SAE 20R4 CLASS D1 or D2

1шт.

8

214-262

HOSE CLAMP,#44, 2.31" - 3.25", Type F Worm

CLAMP - lower radiator hose

2шт.

9

X2537496

PLUG

VALVE - radiator drain

1шт.

10

L60451

HOSE

- 1/4" (6 mm) ID x 27" (686 mm) long, cut to required length from H400184 hose, if used, see below, drain

1шт.

11

A171580

FAN

- suction, has 50 mm bolt circle, reference page 2-27 if used

1шт.

12

A172592

SPACER

- fan, use with Ref. 11, A171580 fan, and Ref. 13, 827-8110 bolt

1шт.

13

827-8110

BOLT,Hex, M8 x 1.25 x 110mm, Cl 10.9

- hex head, 8 mm - 1.25 x 110 mm, class (10.9), plated, Use with Ref. 11, A171580 fan and Ref. 12, A172592 spacer

4шт.

14

496-21041

WASHER,13/32" x 13/16" x .089", HDN

4шт.

15

J911559

V-BELT,27.92mm W x 1574.8mm L, 8 Ribs

Fan and Alternator 3.56 mm W x 1574.80 mm L, 8 Ribs

1шт.

D129916

BELT,12.70 mm W x 1124.00 mm L

Brake Air Compressor Drive, Not Shown, See Figure 7-218 12.70 mm W x 1124.00 mm L

1шт.

16

L113305

SUPPORT ASSY.

SUPPORT - radiator

1шт.

17

814-8025

BOLT,Hex, M8 x 1.25 x 25mm, Cl 8.8, Full Thd

- hex head, 8 mm - 1.25 x 25 mm, plated

12шт.

18

892-1108

LOCK WASHER,M8

plated M8

12шт.

19

895-11008

WASHER,9mm ID x 16mm OD x 1.6mm Thk

12шт.

20

L113306

BRACKET

- radiator support

2шт.

21

413-840

BOLT,Hex, 1/2" - 13 x 2-1/2", Gr 5

- hex head, 1/2" - 13 NC x 2-1/2", plated

2шт.

22

95-21056

WASHER,1/2"

- flat, , plated 1/2"

2шт.

23

495-81239

WASHER,17/32" x 2 1/4" x .180"

- flat, 1/2", special, plated

4шт.

24

L46821

SHOCK ABSORBER

INSULATOR - radiator mounting

2шт.

25

80679

LOCK WASHER,1/20.507 CST ZND

WASHER, LOCK, 1/2"

2шт.

26

425-108

NUT,1/2" - 13, Gr 5

NUT, , Hex 1/2"-13, G5

2шт.

27

88044

BOLT,Hex, 3/8" - 16 x 1-1/2", Gr 5

- hex head, 3/8" - 16 NC x 1-1/2", plated

4шт.

28

495-21044

WASHER,3/8"

4шт.

28a

496-81003

WASHER,10.31mm ID x 26.98mm OD x 3.07mm Thk

- flat, 3/8", hardened, plated

4шт.

29

492-11038

LOCK WASHER,3/8"

4шт.

30

425-106

NUT,3/8"-16, Cl 5

4шт.

31

L111260

STRAP

- radiator mounting

2шт.

32

614-8020

BOLT,Hex, M8 x 1.25 x 20mm

- hex head, 8 mm - 1.25 x 20 mm, plated

4шт.

33

892-1108

LOCK WASHER,M8

plated M8

4шт.

345-44

ADHESIVE

- spray can, for attaching foam pads to metal surface, not shown.

1шт.

D92228

BAFFLE

- bulk pad, 35-1/2" (900 mm) x 55-1/8" (1400 mm) x 1-1/2" (38 mm), use to cut Ref. 3, not shown

1шт.

H400184

FUEL HOSE,6.35 mm ID x 1905.00 mm, SAE 30R1, SAE 30R3

6.35 mm ID x 1905.00 mm Bulk, SAE 30R1, SAE 30R3, Cut from Bulk Hose

1шт.

34

495-21038

WASHER,5/16"

4шт.

35

413-620

BOLT,Hex, 3/8" - 16 x 1-1/4", Gr 5

- hex head, 3/8" - 16 NC x 1-1/4", plated

2шт.

36

495-21044

WASHER,3/8"

4шт.

37

492-11038

LOCK WASHER,3/8"

4шт.

38

425-106

NUT,3/8"-16, Cl 5

2шт.

39

A172261

HOSE,7.92mm ID x 1820mm L, SAE 30R6

- Radiator to reservoir 7.50 mm ID, 8.30 mm ID x 1820.00 mm, SAE 30R6 per J30

1шт.

40

A171099

HOSE CLAMP,13.2mm - 15.4mm

CLAMP - hose

3шт.

41

515-23143

CLAMP,9/16", Insul, 3/8" Bolt

- P-type, hose to radiator shroud, P-type, 3/4 inch ID

2шт.

42

A171871

HOSE,7.50 mm ID, 8.30 mm ID x 600.00 mm, SAE J30

- Coolant overflow 7.50 mm ID, 8.30 mm ID x 600.00 mm, SAE J30

1шт.

43

A184373

RESERVOIR

- coolant recovery bottle

1шт.

44

A171775

CAP

- screw-on, reservoir, no longer available, order A184079 cap

1шт.

44a

A184079

CAP

- tether, reservoir

1шт.

45

413-520

BOLT,Hex, 5/16" - 18 x 1-1/4", Gr 5

- hex head, 5/16" - 18 NC x 1-1/4", plated

2шт.

46

496-81002

WASHER,0.38" ID x 0.88" OD x 0.08" Thk

- flat, 5/16", hardened, plated

2шт.

47

495-21038

WASHER,5/16"

2шт.

48

492-11031

LOCK WASHER,5/16"

WASHER, LOCK, 5/16"

2шт.

49

425-105

NUT,5/16"-18, G5

- hex, 5/16" - 18 NC, plated

2шт.

50

515-23143

CLAMP,9/16", Insul, 3/8" Bolt

- P-type, P-type, 3/4 inch ID

1шт.

51

413-620

BOLT,Hex, 3/8" - 16 x 1-1/4", Gr 5

- hex head, 3/8" - 16 NC x 1-1/4", plated

1шт.

52

496-81003

WASHER,10.31mm ID x 26.98mm OD x 3.07mm Thk

- flat, 3/8", hardened, plated

1шт.

53

492-11038

LOCK WASHER,3/8"

1шт.

54

425-106

NUT,3/8"-16, Cl 5

1шт.

55

217-134

ELBOW,90 Degree Elbow, 5/8" Hose Barb x 1/2" Male NPTF

FITTING -stem, 90 degree, 5/8" x 1/2" NPT

1шт.

56

R40427

HOSE - 5/8" (16 mm) ID x 5-1/2 ft (167.6 cm) long, cut to required length from A42610 hose, Serial Range: engine-radiator

1шт.

57

7792518

INSERT

FITTING - stem, straight

1шт.

58

214-253

HOSE CLAMP,#10, 0.56" - 1.06", Type F Worm

CLAMP - engine to radiator hose

2шт.

59

L18337

CABLE TIE,9.95"-12.1" lg

STRAP - tie, 15 inch, nylon

1шт.

60

515-23254

CLAMP,1", Insul, 3/8" Bolt

Hose to shroud 1", Insul, 3/8" Bolt

2шт.

61a

814-8025

BOLT,Hex, M8 x 1.25 x 25mm, Cl 8.8, Full Thd

- hex head, 8 mm - 1.25 x 25 mm, plated

4шт.

61

614-8020

BOLT,Hex, M8 x 1.25 x 20mm

- hex head, 8 mm - 1.25 x 20 mm, plated

4шт.

62

892-1108

LOCK WASHER,M8

plated M8

8шт.

63

495-21038

WASHER,5/16"

8шт.

64

A173559

FAN

- suction, has 60 mm bolt circle, reference page 2-27, if used

1шт.

65

E7646285

SPACER

- fan, use with Ref. 64, A173559 fan and Ref. 66, 814-10110 bolt

1шт.

66

814-10110

BOLT,Hex, M10 x 1.5 x 110mm, Cl 8.8

- hex, 10 mm - 1.5 x 110 mm, Use with Ref. 64, A173559 fan and Ref. 65, A184524 spacer

4шт.

97252C1

HOSE,15.875 mm ID x 15240 mm Bulk

1шт.

Выбрано товаров: 74