Запчасти Case 680K (6-200) - L101466 DRIVE SHAFT (06) - POWER TRAIN

Схема запчастей Case 680K - (6-200) - L101466 DRIVE SHAFT (06) - POWER TRAIN
FIT
1:1
100%

Артикул

Название

Примечание

Количество

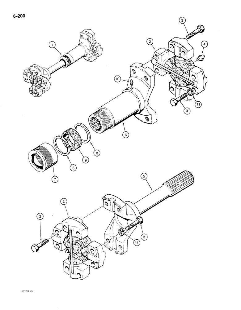
1

L101466

SHAFT

ASSEMBLY - drive, to transaxle, Includes: Joint Assy and Ref. 2 -10

1шт.

A182456

U-JOINT SPIDER

JOINT ASSEMBLY - universal, drive shaft, Includes: Ref. 2 - 4

2шт.

2

NSS

NOT SOLD SEPARAT

JOINT - universal, center cross

1шт.

3

328-628

BOLT,Hex, 3/8" - 24 x 1-3/4", Gr 8

- hex, 3/8"-24 NF x 1-3/4", grade 8

8шт.

4

80710

LUBE NIPPLE,1/8” – 27 Dryseal PTF

NIPPLE, LUBE, 1/8"-27 x .66 lg

1шт.

5

N7122

SHAFT

YOKE - external spline

1шт.

D73676

YOKE

SHAFT - internal spline, Includes: Ref. 6 - 10

1шт.

6

NSS

NOT SOLD SEPARAT

YOKE - sliding

1шт.

7

A19923

CAP

- dust

1шт.

8

D73712

WASHER

- backup

2шт.

9

D73711

FELT SEAL

- felt

1шт.

10

80710

LUBE NIPPLE,1/8” – 27 Dryseal PTF

NIPPLE, LUBE, 1/8"-27 x .66 lg

1шт.

11

492-11038

LOCK WASHER,3/8"

8шт.

Выбрано товаров: 13