Запчасти Case 580L (8-076) - BACKHOE CONTROL VALVES, MODELS WITHOUT EXTENDABLE DIPPER (08) - HYDRAULICS

Схема запчастей Case 580L - (8-076) - BACKHOE CONTROL VALVES, MODELS WITHOUT EXTENDABLE DIPPER (08) - HYDRAULICS
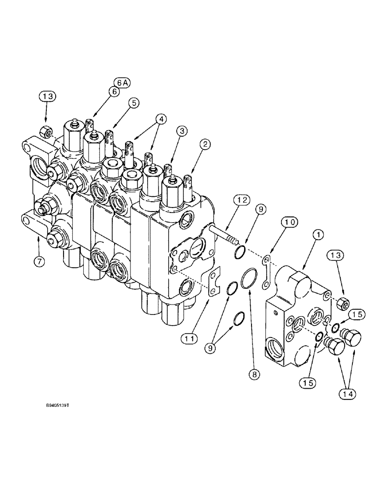
8
6a
3
15
14
5
9
1
12
15
13
2
7
6
4
11
13
10
9
FIT
1:1
100%

Артикул

Название

Примечание

Количество

144325A3

VALVE

ASSEMBLY backhoe control, 6 spool, foot swing, Replaces: 144325A2 valve

1шт.

144326A3

DISTRIBUTOR

VALVE ASSEMBLY backhoe control, 6 spool, hand swing, Replaces: 144326A2 valve, Includes: Ref. 1-13

1шт.

1

113248A1

ELEMENT

SECTION ASSEMBLY outlet, parts list Fig. 8-080

1шт.

2

129864A4

HYD VALVE SECTION

SECTION ASSEMBLY bucket, parts list Figure 8-082, Replaces: 129864A2 and 129864A3 sections

1шт.

3

136610A5

HYD VALVE SECTION

SECTION ASSEMBLY dipper, parts list Figure 8-084, Replaces: 136610A2, 136610A3 and 136610A4 sections

1шт.

4

253989A2

HYD VALVE SECTION

SECTION ASSEMBLY stabilizer, left hand and right hand, parts list Fig. 8-086, Replaces: G109567 and 253989A1 sections

2шт.

5

144321A5

HYD VALVE SECTION

SECTION ASSEMBLY boom, parts list Fig. 8-088 - 8-090, Replaces: 144321A2, 144321A3 and 144321A4 sections

1шт.

6

144681A5

HYD VALVE SECTION

SECTION ASSEMBLY swing, foot swing control valve, for correct assembly and components, see Fig. 8-092 - 8-095A, Replaces: 144681A2, 144681A3 and 144681A4 sections

1шт.

6a

144682A5

ELEMENT

SECTION ASSEMBLY hand swing control valve, for correct assembly and components, see Fig. 8-092 - 8-095A, Replaces: 144682A2, 144682A3 and 144682A4 sections

1шт.

7

1542829C1

HYD VALVE SECTION

SECTION ASSEMBLY inlet, parts list Fig. 8-080

1шт.

8

238-6127

O-RING,0.103" Thk x 1.424" ID, -127, Cl 6, 90 Duro

Section ports -127, 90 Duro, 1.424" ID x .103" Thk

7шт.

Part of Seal Kit, P/N 1346107C2

1шт.

9

238-6119

O-RING,0.103" Thk x 0.924" ID, -119, Cl 6, 90 Duro

Section ports, small -119, 90 Duro, .924" ID x .103" Thk

21шт.

Part of Seal Kit, P/N 1346107C2

1шт.

10

G107251

SHIM,10.31mm ID x 20.62mm OD x 0.06mm Thk

Section 0.051mm Thk

7шт.

11

G33965

SHIM,22.86mm OD x 0.06mm Thk

Section 0.051mm Thk

7шт.

12

G108900

STUD

tie, 3/8 NC x 16-15/16 inch

4шт.

13

425-106

NUT,3/8"-16, Cl 5

8шт.

14

86512512

PLUG,7/8" - 14 ORB

- hex, 7/8-14 inch O-ring boss, Outlet section, Incl. Ref. 15

2шт.

15

237-6010

O-RING,0.097" Thk x 0.755" ID, -910, Cl 6, 90 Duro

10-1, 90 Duro, .755" ID x .097" Thk

1шт.

1346107C2

SEAL KIT

KIT seal, Includes: Ref. 8 and 9, plus additional O-rings not required in this application

1шт.

Выбрано товаров: 21