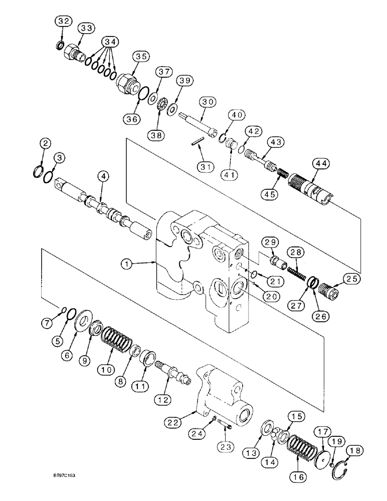
Запчасти Case 580L (8-102) - AUXILIARY VALVE, HAND HELD SECTION (08) - HYDRAULICS

Схема запчастей Case 580L - (8-102) - AUXILIARY VALVE, HAND HELD SECTION (08) - HYDRAULICS
30
25
37
12
7
35
19
17
45
1
43
8
21
44
14
10
27
32
4
22
9
5
41
24
18
28
38
11
36
16
26
6
29
39
31
13
33
34
40
20
42
23
2
3
15
FIT
1:1
100%

Артикул

Название

Примечание

Количество

131197A1

HYD VALVE SECTION

SECTION ASSEMBLY hand held auxiliary hydraulics, Includes: Ref. 1-3

1шт.

1

NSS

NOT SOLD SEPARAT

HOUSING section

1шт.

2

71121

WIPER SEAL,15.88mm ID x 20.78mm OD x 2.74mm Thk

WIPER shaft seal

1шт.

3

G110391

O-RING,2.62mm Thk x 15.88mm ID, -114, 70 Duro

spool

1шт.

131196A1

SPOOL

ASSEMBLY detent, Includes: Ref. 4-12

1шт.

4

NSS

NOT SOLD SEPARAT

SPOOL detent

1шт.

5

G110391

O-RING,2.62mm Thk x 15.88mm ID, -114, 70 Duro

spool

1шт.

6

G108630

HOLDER

RETAINER O-ring

1шт.

7

237-6002

O-RING,0.064" Thk x 0.239" ID, -902, Cl 6, 90 Duro

2-1, .239" ID x .064" Thk

1шт.

8

1980085C1

SPACER

STOP spool

1шт.

9

G108914

SPRING CUP

SEAT spring, upper

1шт.

10

130932A1

SPRING

centering

1шт.

11

G108913

SPRING CUP

SEAT spring, lower

1шт.

12

1980084C3

STUD

SHAFT detent

1шт.

13

G108912

WASHER

detent, ball

1шт.

14

211-1007

BALL,7/32" Dia

Chrome alloy steel, Gr 24 7/32" Dia

8шт.

15

G108911

WASHER

detent, ball

1шт.

16

130919A1

SPRING

detent

1шт.

17

1341975C1

SPRING CUP

RETAINER detent, spring

1шт.

18

100-21118

SNAP RING,1.188", Int, #118

Ring, Snap, (Replaces A30975) 1.188", Int, #118

1шт.

19

G107780

VALVE, CHECK

PLUG check valve

1шт.

20

238-6011

O-RING,0.07" Thk x 0.301" ID, -11, Cl 6, 90 Duro

1шт.

21

238-6015

O-RING,0.07" Thk x 0.551" ID, -15, Cl 6, 90 Duro

1шт.

22

129391A1

CAP

HOUSING detent

1шт.

23

61-31016

HEX SOC SCREW,#10 - 24 x 1"

SCREW, , Detent housing retaining Hex Soc Hd, #10-24 x 1"

3шт.

24

495-11022

WASHER,5.56mm ID x 11.13mm OD x 1.25mm Thk

(Flat, 7/32" x 7/16" x 3/64") #10

3шт.

1542563C1

KIT

VALVE ASSEMBLY check, Includes: Ref. 25-29

1шт.

25

NSS

NOT SOLD SEPARAT

PLUG load check

1шт.

26

G108723

RING,14.34mm ID x 16.94mm OD x 1.32mm Thk

backup

1шт.

27

238-6015

O-RING,0.07" Thk x 0.551" ID, -15, Cl 6, 90 Duro

1шт.

28

1994581C1

SPRING,6.1mm OD x 31.1mm L

load check

1шт.

29

1543329C1

VALVE POPPET,7mm ID x 13.8mm OD x 27mm L

PLUG poppet

1шт.

1343791C2

SET OF PARTS

KIT flow control adjustment, Includes an instruction sheet, order Ref. 30-39

1шт.

30

1980302C2

ROD

ASSEMBLY adjusting, flow control, Includes: Ref. 31

1шт.

31

38-1811

LOCK PIN,1/8" x 11/16", Slotted

Pin, , replaces 138-56 1/8" x 11/16", Slotted

1шт.

32

G101066

SEAL,9.52mm ID x 14.45mm OD x 2.74mm Thk

oil, adjusting rod

1шт.

33

1980227C1

NUT

NUT compression

1шт.

34

1986628C1

O-RING,0.103" Thk x 0.362" ID, -110, Cl 5, 75 Duro

3/8 ID x 9/16 inch wide, rod seal

5шт.

35

1980226C1

PLUG

adjusting, flow

1шт.

36

237-6010

O-RING,0.097" Thk x 0.755" ID, -910, Cl 6, 90 Duro

10-1, 90 Duro, .755" ID x .097" Thk

1шт.

37

G108956

RACE,9.58mm ID x 20.37mm OD x 0.81mm Thk

earing, thin

1шт.

38

F13537

THRUST BEARING

BEARING thrust

1шт.

39

G108957

RACE,9.58mm ID x 20.37mm OD x 1.59mm Thk

bearing, thick

1шт.

1994677C1

SLEEVE ASSY

SLEEVE ASSEMBLY control, Includes: Ref. 40-44

1шт.

40

L31750

CIRCLIP,0.562", Int, #56

Ring, Snap, 0.562", Int, #56

1шт.

41

1346312C2

PLUG

sleeve

1шт.

42

238-6012

O-RING,0.07" Thk x 0.364" ID, -12, Cl 6, 90 Duro

1шт.

43

1957856C1

SLEEVE

SPOOL flow control, select fit with Ref. 44 sleeve, must retain together

1шт.

44

1957855C3

SLEEVE flow control

1шт.

45

1957887C1

SPRING

control, flow control, not included in sleeve assembly

1шт.

Выбрано товаров: 50