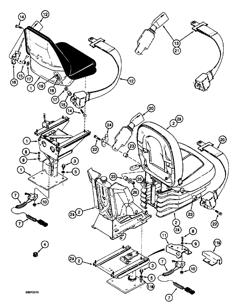
Запчасти Case 580L (9-100) - SEATS AND MOUNTING PARTS, 580L MODELS (09) - CHASSIS/ATTACHMENTS

Схема запчастей Case 580L - (9-100) - SEATS AND MOUNTING PARTS, 580L MODELS (09) - CHASSIS/ATTACHMENTS
2a
1
19
23
3
9
23
23
17
11a
15
12
14
1b
2
15
16
1
1
2a
11
2
20
14
9
5
26
4
10
13
21
2a
7
20
8
2a
12
10
7
5
25
17
24
1
22
3
22
18
8
7
2
2
FIT
1:1
100%

Артикул

Название

Примечание

Количество

1

185156A1

SEAT

ASSEMBLY standard, gray vinyl, includes seat, pedestal, and support, see parts list Figure 9-102 for seat and Figure 9-106 for support and pedestal

1шт.

2

185158A2

SEAT

ASSEMBLY suspension, gray cloth, includes seat, armrests, suspension, pedestal, and weight adjuster, see parts list Figure 9-104 for seat, Figure 9-108 for pedestal, weight adjuster, and suspension, and Figure 9-110 for armrests, Replaces: 185158A1

1шт.

2a

185157A1

SEAT

ASSEMBLY suspension, gray vinyl, includes seat, armrests, suspension, pedestal, and weight adjuster, see parts list Figure 9-104 for seat, Figure 9-108 for pedestal, weight adjuster, and suspension, and Figure 9-110 for armrests

1шт.

3

614-12040

BOLT,Hex, M12 x 1.75 x 40mm, Cl 8.8, Full Thd

hex, full threads, 12 - 1.75 x 40 mm, standard or suspension seat

4шт.

4

L77821

GROMMET,1/2" ID x 1 1/4" Groove Dia, Str Cut

wire, standard or suspension seat

1шт.

5

892-11012

LOCK WASHER,M12

WASHER, LOCK, M12

4шт.

7

118769A1

SWITCH

limit, with harness, attaches to side console harness

1шт.

8

470-10620

SCREW,Pan HD, #6 - 32 x 1-1/4"

- machine, pan head slotted, No. 6 NC x 1-1/4 inch

2шт.

9

495-31016

WASHER,#6

2шт.

10

193-1003

NUT,Keps, w/LW,#6-32

hex, with external tooth lock washer, No. 6 NC

2шт.

11

119211A1

BRACKET

switch mounting, suspension seat only

1шт.

11a

186351A1

GUARD

BRACKET harness guard, seat swivel, 580L canopy models

1шт.

11b

896-11012

WASHER,13.5mm ID x 24mm OD x 3mm Thk

At Switch Bracket Mounting M13.5 x 24.5 x 3, HT

1шт.

12

D150377

SAFETY BELT ,2.00" W

If used, mounting - Standard seat 2.00" W

1шт.

13

R58418

SAFETY BELT ,3.00" W

Retractable, If used, Mounting - Standard seat 3.00" W

1шт.

14

414-724

BOLT,Hex, 7/16" - 20 x 1-1/2", Gr 5

- hex, 7/16 NF x 1-1/2 inch, seat belt mounting standard seat

2шт.

15

D150391

SPACER

belt, seat mounting standard seat

2шт.

16

D150392

BRACKET

left hand belt, seat belt mounting standard seat

1шт.

17

495-81169

WASHER,17/32" x 2 1/2" x .120"

- flat, 17/32 x 2-1/2 x 3/64 inch, seat belt mounting standard seat

2шт.

18

496-81010

WASHER

flat, 15/32 x 1 x 7/64 inch, hardened, seat belt mounting standard sseat

2шт.

19

232-4617

LOCK NUT,7/16"-20, GC

NUT, LOCK, , Seat belt mounting standard seat 7/16"-20, GC

2шт.

20

D150377

SAFETY BELT ,2.00" W

If used, Mounting - Suspension seat 2.00" W

1шт.

21

R58418

SAFETY BELT ,3.00" W

Retractable, If used, Mounting - Suspension seat 3.00" W

1шт.

22

414-728

BOLT,Hex, 7/16" - 20 x 1-3/4", Gr 5

hex, 7/16 NF x 1-3/4 inch, seat belt mounting suspension seat

2шт.

23

D150391

SPACER

belt, seat mounting suspension seat

4шт.

24

D150392

BRACKET

left hand belt, seat mounting suspension seat

1шт.

25

495-81267

WASHER,.469" x 1 1/2" x .134"

flat, 15/32 x 1-1/2 x 5/32 inch, seat belt mounting suspension seat

2шт.

26

232-4617

LOCK NUT,7/16"-20, GC

NUT, LOCK, , Seat belt mounting, suspension seat 7/16"-20, GC

2шт.

Выбрано товаров: 28