Запчасти Case 580L (2-014) - COLD START SYSTEM (02) - ENGINE

Схема запчастей Case 580L - (2-014) - COLD START SYSTEM (02) - ENGINE
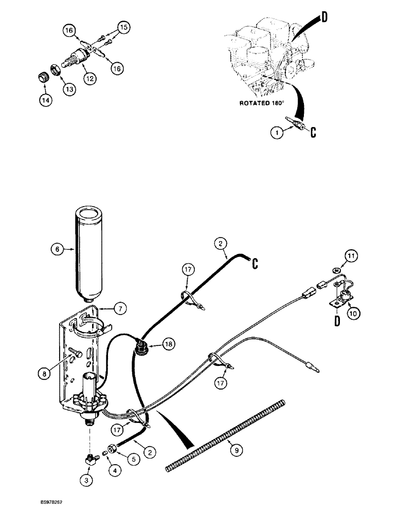
5
2
2
16
17
17
9
12
3
17
16
18
14
7
4
8
11
10
6
13
15
1
FIT
1:1
100%

Артикул

Название

Примечание

Количество

1

A189154

JET

NOZZLE ASSEMBLY, cold start injector, .008 dual orifice nozzle, component parts not serviced seperately

1шт.

2

D145367

TUBE

762 mm/30 inch long, cut from P/N L60539X bulk tube, valve to injector nozzle, Includes: Ref. 3 - 5

1шт.

222-615

ELBOW,90 Degree, 5/16"-24 x 1/8" NPT, Comp

1/8 tube OD 90º, 5/16"-24 x 1/8" NPT, Comp

1шт.

3

NSS

NOT SOLD SEPARAT

BODY elbow

1шт.

4

222-650

SLEEVE,1/8" Tube, Comp

Tapered 1/8" Tube, Comp

1шт.

5

222-660

FLANGE NUT,5/16"-24, 45 Degree Fl, Comp

1/8" tube OD 5/16"-24, 45º Fl, Comp

1шт.

6

A171940

CYLINDER

starting fluid, ether

1шт.

7

A172116

VALVE

ASSEMBLY, cold start, 3 cc, starting fluid injection, component parts not serviced separately, mounts to inner left-hand chassis upright

1шт.

8

276-24916

SELF-TAP SCREW,Hex Hd, 3/8" x 1"

SCREW self-tapping, hex head, 3/8 NC x 1 inch

2шт.

9

D128402

PLASTIC-RUBBER TUBE

SLEEVE wire guard, 380 mm/15 inch long

1шт.

10

A187923

SWITCH

- temperature, circuit breaking, includes lead wires, uses existing intake manifold mounting hardware

1шт.

11

495-11034

WASHER,5/16", SAE

5/16" SAE (flat, 11/32 x 11/16 x 1/16")

1шт.

L72776

SWITCH

ASSEMBLY, push button, cold start, must also order 2, P/N L59682 blade terminals, Ref. 16, Includes: Ref. 12 - 15

1шт.

12

NSS

NOT SOLD SEPARAT

SWITCH cold start

1шт.

13

H275784

JAM NUT

hex, special

1шт.

14

D73741

NUT

hex, special

1шт.

15

174-93

SCREW,Sl Rnd Hd, #10 - 32 x 1/4"

machine, round head slotted, No. 10 NF x 1/4 inch

2шт.

16

L59682

TERMINAL CONNECTOR

TERMINAL blade, straight, use with P/N L72776 switch

2шт.

17

L18337

CABLE TIE,9.95"-12.1" lg

STRAP tie, nylon, 15 inch

1шт.

18

254729A1

SET OF PARTS

KIT cap and cord, 1 inch threaded cap

1шт.

L60539X

TUBE

bulk, nylon, 3/1/8 ID x 4267 mm/168 inch long

1шт.

Выбрано товаров: 21