Запчасти Case 580L (9-112) - *SEATS AND MOUNTING PARTS, 570LXT MODELS (09) - CHASSIS/ATTACHMENTS

Схема запчастей Case 580L - (9-112) - *SEATS AND MOUNTING PARTS, 570LXT MODELS (09) - CHASSIS/ATTACHMENTS
2a
20
21
22
24
2
12
17
20
16
2a
2
5
15
3
19
12
14
26
2
2a
2a
14
3
5
25
17
1
1
1
22
2b
23
23
18
13
15
2
FIT
1:1
100%

Артикул

Название

Примечание

Количество

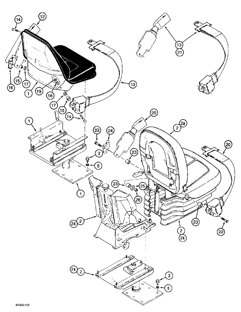
1

143795A1

SEAT

ASSEMBLY standard, gray vinyl, Includes seat, pedestal, and support, see parts list Figure 9-114 for seat and Figure 9-118 for support and pedestal

1шт.

2

136408A3

SEAT

ASSEMBLY suspension, gray cloth, without armrests, Includes seat, suspension, pedestal, and weight adjuster, see parts list Figure 9-116 for seat and Figure 9-120 for pedestal, weight adjuster, and suspension, purchase armrests separately, see Figur

1шт.

2a

136419A2

SEAT

ASSEMBLY suspension, gray vinyl, without armrests, Includes seat, suspension, pedestal, and weight adjuster, see parts list Figures 9-116 for seat and Figure 9-120 for pedestal, weight adjuster, and suspension, purchase armrests separately, see Figu

1шт.

3

614-12040

BOLT,Hex, M12 x 1.75 x 40mm, Cl 8.8, Full Thd

hex, full threads, 12 - 1.75 x 40 mm, standard or suspension seat

4шт.

5

892-11012

LOCK WASHER,M12

WASHER, LOCK, M12

4шт.

12

D150377

SAFETY BELT ,2.00" W

If used, mounting - Standard seat 2.00" W

1шт.

13

R58418

SAFETY BELT ,3.00" W

Retractable, If used, Mounting - Standard seat 3.00" W

1шт.

14

414-724

BOLT,Hex, 7/16" - 20 x 1-1/2", Gr 5

- hex, 7/16 NF x 1-1/2 inch, seat belt mounting standard seat

2шт.

15

D150391

SPACER

belt, seat mounting standard seat

2шт.

16

D150392

BRACKET

left hand belt, seat mounting standard seat

1шт.

17

495-81169

WASHER,17/32" x 2 1/2" x .120"

- flat, 17/32 x 2-1/2 x 3/64 inch, seat belt mounting standard seat

2шт.

18

496-81010

WASHER

flat, 15/32 x 1 x 7/64 inch, hardened, seat belt mounting standard seat

2шт.

19

232-4617

LOCK NUT,7/16"-20, GC

NUT, LOCK, , Seat belt mounting standard seat 7/16"-20, GC

2шт.

20

D150377

SAFETY BELT ,2.00" W

If used, Mounting - Suspension seat 2.00" W

1шт.

21

R58418

SAFETY BELT ,3.00" W

Retractable, If used, Mounting - Suspension seat 3.00" W

1шт.

22

414-728

BOLT,Hex, 7/16" - 20 x 1-3/4", Gr 5

hex, 7/16 NF x 1-3/4 inch, seat belt mounting suspension seat

2шт.

23

D150391

SPACER

belt, seat mounting suspension seat

4шт.

24

D150392

BRACKET

left hand belt, seat mounting suspension seat

1шт.

25

495-81267

WASHER,.469" x 1 1/2" x .134"

flat, 15/32 x 1-1/2 x 5/32 inch, seat belt mounting suspension seat

2шт.

26

232-4617

LOCK NUT,7/16"-20, GC

NUT, LOCK, , Seat belt mounting, suspension seat 7/16"-20, GC

2шт.

Выбрано товаров: 20