Запчасти Case 580L (2-016) - ENGINE MOUNTING (02) - ENGINE

Схема запчастей Case 580L - (2-016) - ENGINE MOUNTING (02) - ENGINE
6
1
6
3
7
3
4
8
2
7
9
2
5
FIT
1:1
100%

Артикул

Название

Примечание

Количество

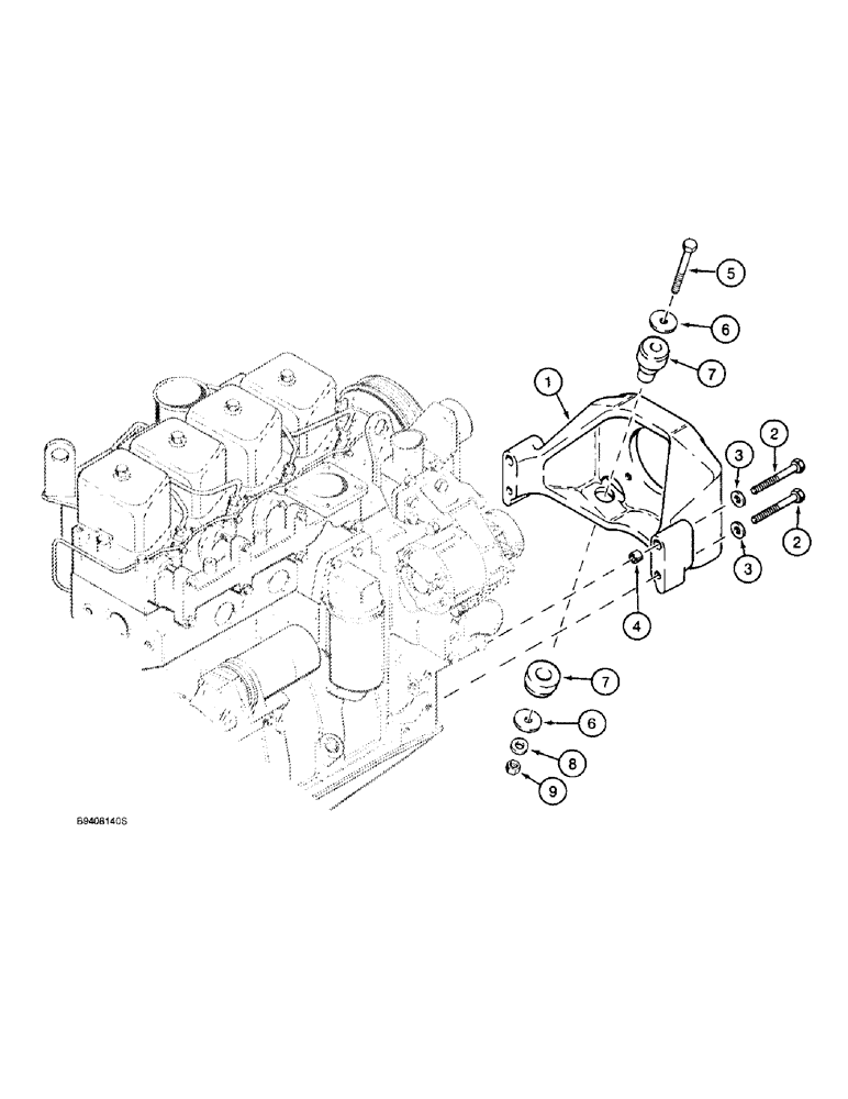
1

175637A1

SUPPORT

engine, front

1шт.

2

814-12110

BOLT,Hex, M12 x 1.75 x 110mm, Cl 8.8

- hex, 12-1.75 x 110 mm, 8.8

4шт.

3

896-15012

WASHER,13.5mm ID x 28mm OD x 4mm Thk

flat, hardened, 13.5 x 28 x 4 mm

4шт.

4

A170309

BUSHING,13.41mm ID x 18mm OD x 13.25mm L

SPACER engine mount, upper bolt holes

2шт.

5

814-12085

BOLT,Hex, M12 x 1.75 x 85mm, Cl 8.8

hex, 12-1.75 x 85 mm

2шт.

6

496-81018

WASHER,0.521" ID x 2" OD x 0.108 Thk, ZND

flat, hardened, 33/64 x 2 x 1/8 inch

4шт.

7

117844A1

MOUNTING PARTS

INSULATOR engine mount, front

2шт.

8

896-15012

WASHER,13.5mm ID x 28mm OD x 4mm Thk

flat, hardened, 13.5 x 28 x 4 mm

2шт.

9

832-10412

NUT,M12 x 1.75, Cl 8

NUT, LOCK, M12 x 1.75, Cl 8

2шт.

Выбрано товаров: 9