Запчасти Case 580L (9-156) - AIR CONDITIONING, CONDENSER AND RECEIVER-DRIER (09) - CHASSIS/ATTACHMENTS

Схема запчастей Case 580L - (9-156) - AIR CONDITIONING, CONDENSER AND RECEIVER-DRIER (09) - CHASSIS/ATTACHMENTS
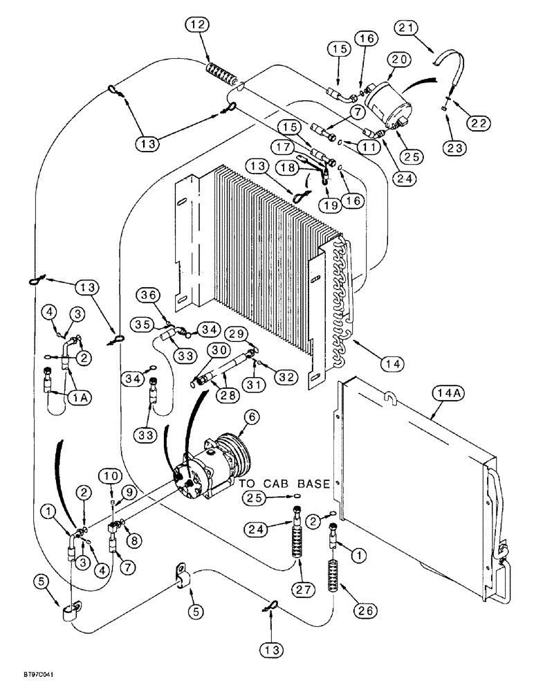
14a
5
24
4
2
11
27
30
26
2
9
34
3
14
15
19
24
18
3
13
25
13
21
5
1
20
28
36
6
23
13
16
34
2
31
29
35
10
1
33
15
32
13
33
8
25
1a
4
22
16
17
12
7
7
FIT
1:1
100%

Артикул

Название

Примечание

Количество

1

124726A1

HOSE

3350 mm, 131-7/8 inch long, suction, 90 degree hose end, compressor to cab base, models with heater and air conditioning hoses along the right-hand side of chassis, if used, includes Ref 2-4

1шт.

1a

224792A1

HOSE

2930 mm, 115-3/8 inch long, suction, 90 degree hose end, compressor to cab base, models with heater and air conditioning hoses along the left-hand side of chassis, also see Ref 33 hose, if used, includes Ref 2-4

1шт.

2

128485A1

O-RING,1.78mm Thk x 14mm ID, 70 Duro

9/16 ID x 1/16 inch wide, hose ends

2шт.

3

1250594C1

CORE

VALVE core, low side service port

1шт.

4

122553A1

CAP

sealing

1шт.

5

D88052

CLAMP,25.4mm ID, 10.31mm Bolt Hole, P Type

P-type, 1 inch ID, hose to inner left hand side of chassis, uses existing hardware, if used

1-2шт.

6

1999755C2

COMPRESSOR

ASSEMBLY air conditioning, parts list Figure 9-158

1шт.

86993462R

REMAN-COMPRESSOR

570LXT, 580L; Reman For New P/N 1999755C2

1шт.

86993462C

CORE-COMPRESSOR

Return Part Number

1шт.

48017123R

REMAN-A/C COMP KIT

Reman AC Compressor Kit

1шт.

48017123C

REMAN-A/C COMP KIT

Return Part Number

1шт.

1999755C3R

REMAN-A/C COMPRESSOR

Inc.- 8 Mounting Holes, 2 Groove Pulley, For Use w/HFC134A Refrigerant

1шт.

1999755C3C

CORE-COMPRESSOR

Return Part Number

1шт.

7

135931A1

HOSE

1600 mm, 63 inch long, 90 degree hose end, compressor to condenser, see Ref. 28, if used

1шт.

8

128485A1

O-RING,1.78mm Thk x 14mm ID, 70 Duro

9/16 ID x 1/16 inch wide, hose end

1шт.

9

1250594C1

CORE

VALVE core, high side charge port

1шт.

10

122554A1

CAP

- sealing

1шт.

11

128484A1

O-RING,0.07" Thk x 0.426" ID, -13, Cl 5, 70 Duro

7/16 ID x 1/16 inch wide, hose end

1шт.

12

193913A1

PROTECTOR

SLEEVE hose guard, mounts to Ref. 7 hose at hood hinge bolt area

1шт.

13

L18337

CABLE TIE,9.95"-12.1" lg

STRAP tie, 15 inch, nylon

1шт.

14

184678A1

CONDENSER

CONDENSER coil, refrigerant cooler, uses existing oil cooler to radiator hardware, used on models with 139783A1 or 231280A1 oil cooler, see Figure 6-20 for coolers

1шт.

14a

246060A1

ASSEMBLY

CONDENSER coil, refrigerant cooler, uses existing oil cooler to radiator hardware, used on models with heavy duty 235811A1 oil cooler or 233817A1 standard duty oil cooler, see Figure 6-20 or 6-21A for coolers

1шт.

15

138255A1

HOSE

550 mm, 25-11/16 inch long, condenser to receiver drier

1шт.

16

128483A1

O-RING,1.78mm Thk x 7.65mm ID, 70 Duro

5/16 ID x 1/16 inch wide, hose ends

2шт.

17

1250594C1

CORE

VALVE core, for high pressure switch

1шт.

18

128483A1

O-RING,1.78mm Thk x 7.65mm ID, 70 Duro

5/16 ID x 1/16 inch wide, hose

1шт.

19

232948A1

SWITCH, A/C HIGH PRE

SWITCH, A/C HIGH PRESSURE, 400 psi, Replaces 1999925C1 375 psi switch

1шт.

20

1990758C2

RECEIVER-DRYER

RECEIVER-DRIER air conditioning, refrigerant

1шт.

21

180548A1

HALF-COLLAR

CLAMP receiver drier

1шт.

22

895-11008

WASHER,9mm ID x 16mm OD x 1.6mm Thk

flat, 9 x 17 x 1.6 mm

1шт.

23

832-10408

NUT,M8 x 1.25, Cl 8.8

NUT, M8 x 1.25, Cl 8

1шт.

24

138257A2

HOSE

3100 mm, 122 inch long, receiver drier to cab base, Replaces: 138257A1 hose

1шт.

25

128483A1

O-RING,1.78mm Thk x 7.65mm ID, 70 Duro

5/16 ID x 1/16 inch wide, hose ends

2шт.

26

191703A1

HOSE PROTECTION,28mm ID x 34mm OD x 400mm L

SLEEVE hose guard, 400 mm, 15-3/4 inch long, suction hose, compressor to cab base

1шт.

27

191704A1

HOSE PROTECTION,19mm ID x 25mm OD x 460mm L

SLEEVE hose guard, 460 mm, 18-1/8 inch long, receiver drier to cab base hose

1шт.

28

242724A1

HOSE

2600 mm, 102-3/8 inch long, straight hose end, compressor to condenser, if used

1шт.

29

128485A1

O-RING,1.78mm Thk x 14mm ID, 70 Duro

9/16 ID x 1/16 inch wide, hose end, at compressor

1шт.

30

128484A1

O-RING,0.07" Thk x 0.426" ID, -13, Cl 5, 70 Duro

7/16 ID x 1/16 inch wide, hose end

1шт.

31

1250594C1

CORE

VALVE core, hose, high side charge port

1шт.

32

122554A1

CAP

- sealing

1шт.

33

242722A1

HOSE

2930 mm, 115-3/8 inch long, 45 degree hose end, compressor to cab base, models with heater and air conditioning hoses along left-hand side of chassis, replaces Ref 1A on some models, if used

1шт.

34

128485A1

O-RING,1.78mm Thk x 14mm ID, 70 Duro

9/16 ID x 1/16 inch wide, hose end

2шт.

35

1250594C1

CORE

VALVE core, hose, low side service port

1шт.

36

122553A1

CAP

sealing

1шт.

Выбрано товаров: 44