Запчасти Case 580L (4-034) - CANOPY TRACTOR LAMPS, 580L OR 570LXT STANDARD CANOPY MODELS, FRONT DRIVING, REAR FLOOD (04) - ELECTRICAL SYSTEMS

Схема запчастей Case 580L - (4-034) - CANOPY TRACTOR LAMPS, 580L OR 570LXT STANDARD CANOPY MODELS, FRONT DRIVING, REAR FLOOD (04) - ELECTRICAL SYSTEMS
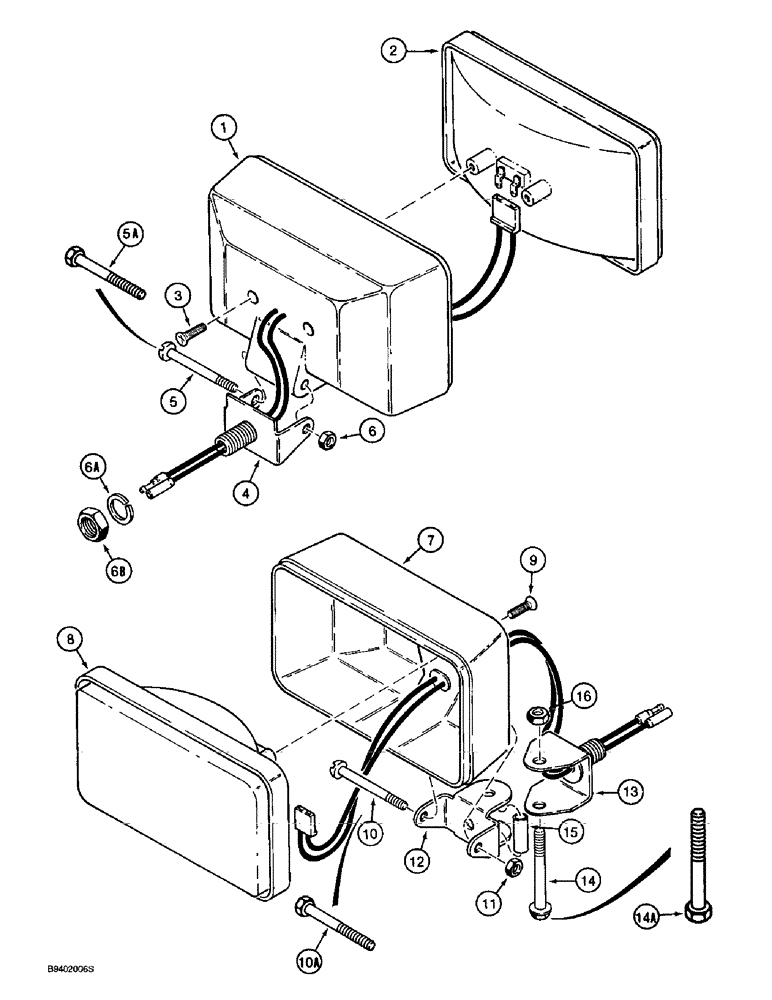
14a
6a
6
11
10a
1
13
6b
2
4
9
12
8
15
10
5a
16
7
3
14
5
FIT
1:1
100%

Артикул

Название

Примечание

Количество

D132681

LAMP,Halogen, 12V, 50W, Clear

ASSEMBLY, front driving, no longer available, order P/N ZAA7376350 lamp package, Includes: Ref. 1 - 6B

2шт.

1

NSS

NOT SOLD SEPARAT

HOUSING lamp, Front driving assembly

1шт.

2

91946C1

LAMP

BULB sealed beam, Front driving lamp assembly

1шт.

3

273-10510

SELF-TAP SCREW,Slotted Flat Hd, #10 x 5/8"

SCREW self-tapping, flat head slotted, No. 10-16 x 5/8 inch, Front driving lamp assembly

2шт.

4

N14284

BRACKET

lamp, Front driving assembly

1шт.

5

70-12532

SCREW,Slotted Pan Hd, 1/4"-20 x 2"

machine, pan head slotted, 1/4 NC x 2 inch, housing to bracket, production, Front driving lamp assembly

1шт.

5a

413-432

BOLT,Hex, 1/4" - 20 x 2", Gr 5

Service, Front driving lamp assembly Hex, 1/4"-20 x 2", G5

1шт.

6

231-1444

NUT,1/4"-20, GB

NUT, LOCK, , Front Driving Assembly 1/4"-20, GB

1шт.

6a

80679

LOCK WASHER,1/20.507 CST ZND

WASHER, LOCK, , Front driving lamp assembly 1/2"

1шт.

6b

425-108

NUT,1/2" - 13, Gr 5

NUT, , Hex, Front driving lamp assembly 1/2"-13, G5

1шт.

D132682

HEADLIGHT,Halogen, 12V, 50W, Clear

LAMP ASSEMBLY, flood and work, rear flood, outer, and center front and rear work lamps, no longer available, order ZAA7376150 lamp package and P/N ZAA8066600 mounting kit package, Inclues: Ref. 7 -16

6шт.

7

NSS

NOT SOLD SEPARAT

HOUSING lamp, Rear flood assembly and front and rear work

1шт.

8

91947C1

LAMP

BULB sealed beam, Rear flood lamp assembly and front and rear work lamps

1шт.

9

273-10510

SELF-TAP SCREW,Slotted Flat Hd, #10 x 5/8"

SCREW self-tapping, flat head slotted, No. 10-16 x 5/8 inch, Rear flood lamp assembly and front and rear work lamps

2шт.

10

70-12532

SCREW,Slotted Pan Hd, 1/4"-20 x 2"

machine, pan head slotted, 1/4 NC x 2 inch, housing to bracket, production, Rear flood lamp assembly and front and rear work lamps

1шт.

10a

413-432

BOLT,Hex, 1/4" - 20 x 2", Gr 5

Service, Rear flood lamp assembly and front and rear work lamps Hex, 1/4"-20 x 2", G5

1шт.

11

231-1444

NUT,1/4"-20, GB

NUT, LOCK, , Front Driving Assembly, Rear Flood Lamp Assembly and Front and Rear Work Lamps 1/4"-20, GB

1шт.

12

N14285

SUPPORT

BRACKET lamp, mounting, Rear flood lamp assembly and front and rear work lamps

1шт.

13

A52216

SUPPORT

BRACKET mounting, lamp, includes stud, Rear flood lamp assembly and front and rear work lamps

1шт.

14

121-119

BOLT,Hex Flg, 5/16"-18 x 2 1/4", Serr

Used in production, for service order Ref. 14A, Rear flood lamp assembly and front and rear work lamps Hex Flg, 5/16"-18 x 2 1/4", Serr

1шт.

14a

413-536

BOLT,Hex, 5/16" - 18 x 2-1/4", Gr 5

hex, 5/16 NC x 2-1/4 inch, service, Rear flood lamp assembly and front and rear work lamps

1шт.

15

65881H

SPACER,1/4" Pipe x 1 1/4"

tubular, 1/4 x 1-1/4 inch, Replaces: P/N A52219, Rear flood lamp assembly and front and rear work lamps

1шт.

16

231-1445

NUT,5/16"-18, GB

NUT - hex, self-locking, 5/16 inch NC, Rear flood lamp assembly and front and rear work lamps

1шт.

Выбрано товаров: 23