Запчасти Case 580L (6-002) - FRONT DRIVE AXLE MOUNTING AND DRIVE SHAFT (06) - POWER TRAIN

Схема запчастей Case 580L - (6-002) - FRONT DRIVE AXLE MOUNTING AND DRIVE SHAFT (06) - POWER TRAIN
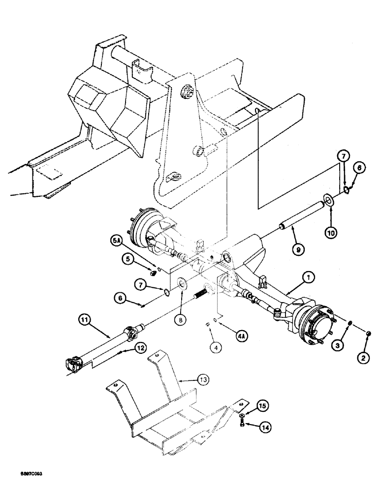
5a
1
3
14
15
10
7
4a
4
7
6
9
2
5
12
8
6
11
13
FIT
1:1
100%

Артикул

Название

Примечание

Количество

1

113561A1

AXLE

ASSEMBLY, front drive, Carraro No. 131204, see Figure 6-004 - 6-016

1шт.

1

113561A3R

REMAN-AXLE

Reman for new P/N 113561A1

1шт.

1

113561A3C

CORE-AXLE

Return Number

1шт.

2

825-11418

NUT,M18 x 1.5, Cl 8

hex, 18 mm - 1.5

16шт.

3

496-81000

WASHER,25/32" x 1 3/8" x .134", HDN

flat, hardened, 25/32 x 1-3/8 x 1/8 inch

16шт.

4

218-5351

HYD CONNECTOR,3/4"-16, 37 Degree x 9/16"-18, O-Ring

ADAPTER straight, 3/4-16 flare x 9/16-18 inch O-ring boss, see Figure 5-004 for fittings used on two wheel drive steering hydraulics, Includes: Ref. 4A

1шт.

5

218-5280

ELBOW,90 Degree, 3/4"-16, 37 Degree x 9/16"-18, O-Ring

3/4-16 flare x 9/16-18 inch adjusting O-ring boss, 90°, see Figure 5-004 for fittings used on two wheel drive steering hydraulics, Includes: Ref. 5A

1шт.

6

219-1

LUBE NIPPLE,1/8" - 27 NPTF

FITTING grease, straight, 1/8 PT x 21/32 inch

2шт.

7

800-44050

SNAP RING,M50, Ext

RING external retaining, No. 50, 50 mm

2шт.

8

191796A1

WASHER,51.6mm ID x 92mm OD x 1.98mm Thk

flat, special, 2-1/32 ID x 4 OD x 1/16 inch thick

1шт.

9

138616A1

AXLE PIN,50mm OD x 436.5mm L

PIN axle pivot

1шт.

10

D123684

WASHER,52.3mm ID x 114mm OD x 4.78mm Thk

thrust, 2-1/16 x 4-1/2 x 3/16 inch

1шт.

11

136993A1

DRIVE SHAFT

SHAFT ASSEMBLY, drive, front drive axle, see Figure 6-018

1шт.

12

608-12025

BOLT,Hex, M12 x 25mm, Cl 10.9

hex, self-locking, 12-1.75 x 25 mm, class 10.9

4шт.

13

137223A2

GUARD

drive shaft, Replaces: P/N 137223A1 guard

1шт.

14

827-12045

BOLT,Hex, M12 x 1.75 x 45mm, Cl 10.9, Full Thd

- hex, 12 - 1.75 x 45 mm, class 10.9

4шт.

15

495-21056

WASHER,1/2"

flat, 9/16 x 1-3/8 x 7/64 inch

4шт.

4a

237-6006

O-RING,0.078" Thk x 0.468" ID, -906, Cl 6, 90 Duro

6-1, 90 Duro, .468" ID x .078" Thk

1шт.

5a

237-6006

O-RING,0.078" Thk x 0.468" ID, -906, Cl 6, 90 Duro

6-1, 90 Duro, .468" ID x .078" Thk

1шт.

Выбрано товаров: 19