Запчасти Case 580L (6-054) - TRANSMISSION ASSEMBLY, TRANSMISSION CONTROL VALVE, TWO WHEEL OR FOUR WHEEL DRIVE (PRE SERVICE BULLITIN) (06) - POWER TRAIN

Схема запчастей Case 580L - (6-054) - TRANSMISSION ASSEMBLY, TRANSMISSION CONTROL VALVE, TWO WHEEL OR FOUR WHEEL DRIVE (PRE SERVICE BULLITIN) (06) - POWER TRAIN
3
38
28
16
12
42
30
36
16
18
26
35
10
40
10
6
4
5
14
28
34
16a
39
24
37
19
41
5
8
3
31
23
29
27
13
7
2
22
28
15
9
29
30
32
17
25
20
11
5
21
1
FIT
1:1
100%

Артикул

Название

Примечание

Количество

REF

INSTRUCTION

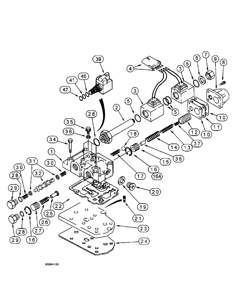
TRANSMISSION ASSY., 2WD or 4WD, 580L or 570LXT, see Figure 6-32 for 123842A3, 123843A3, 130786A3 or 130787A3 transmission descriptions, parts list Figure 6-32 - 6-58, Includes: P/N's 190434A1, 334558A1, 335640A1

1шт.

See Figure 6-032 for explanation when replacing an A2 transmission with an A3 transmission.

1шт.

190434A1

VALVE

ASSEMBLY, transmission control, without differential lock solenoid valve, Ref. 39 - 41, used in A2 or A3 transmissions with chassis mounted solenoid valve, see Figure 6-90, no longer avail., order 334558A1 control valve

1шт.

334558A1

VALVE

ASSEMBLY, transmission control, without differential lock solenoid valve, Ref. 39-41, sued in A2 or A3 transmissions with chassis mounted solenoid valve, see Figure 6-90, if used

1шт.

334558A2R

REMAN-HYD VALVE

570LXT Series 2, 580L Series 2, For Use w/Transmissions w/Chassis Mounted Solenoid Valve, 4WD, Reman For New P/N's 334558A1 & 334558A2,

1шт.

334558A2C

CORE-VALVE HYD

Return Number,

1шт.

335640A1

VALVE

ASSEMBLY, transmission control, Includes: 349295A1 differential lock solenoid valve, Ref. 39-41, used in A3 transmissions, 2WD, Includes: Ref. 1-39

1шт.

1

NSS

NOT SOLD SEPARAT

BODY transmission control valve

1шт.

2

190442A1

PLUNGER

solenoid

1шт.

3

190443A1

COIL

solenoid

2шт.

4

190437A1

FITTING

CONNECTOR solenoid

1шт.

5

181136A1

O-RING

sealing

4шт.

6

181273A1

COPPER WASHER

WASHER sealing, steel

1шт.

7

181272A1

PLUG

hex, cap

1шт.

8

864-6020

HEX SOC SCREW,M6 x 20mm, Cl 8.8

4шт.

9

181251A1

COVER

modulation

1шт.

10

181256A1

GASKET

GASKET cover

2шт.

Part of service kit 368437A1and 368438A1

1шт.

11

190439A1

SPACER

gasket

1шт.

12

190438A1

PISTON

modulation, outer

1шт.

13

190435A1

SPRING

Medium, 8.5 ID x 11.5 OD x 63 mm free length; inner

1шт.

14

190441A1

SPRING

Large, 12.2 ID x 17.6 OD x 65.5 mm free length; outer

1шт.

15

181234A1

PISTON

modulation, inner

1шт.

Part of service kit 368437A1and 368438A1

1шт.

16

299324A1

CIRCLIP

RING snap

1-2шт.

16a

368436A1

CIRCLIP

RING snap, special, 334558A1 or 335640A1 control valve

1шт.

Part of service kit 368437A1and 368438A1

1шт.

17

181261A1

SPRING

check

1шт.

18

181146A1

BALL

check

1шт.

19

181107A1

COPPER WASHER

WASHER sealing, copper

1шт.

20

181103A1

PLUG

oil

1шт.

21

864-8020

HEX SOC SCREW,M8 x 20mm, Cl 8.8

3шт.

Not included in 334558A1 or 335640A1 control valve, purchase separately

1шт.

22

181166A1

GASKET

GASKET body to valve plate

1шт.

Not included in 334558A1 or 335640A1 control valve, purchase separately

1шт.

Part of service kit 368437A1and 368438A1

1шт.

23

181207A1

PLATE

Valve

1шт.

Not included in 334558A1 or 335640A1 control valve, purchase separately

1шт.

24

181208A1

GASKET

GASKET valve plate to transmission housing

1шт.

Not included in 334558A1 or 335640A1 control valve, purchase separately

1шт.

25

181254A1

SHAFT

flow divider

1шт.

Part of service kit 368437A1and 368438A1

1шт.

26

181260A1

SPRING

piston

1шт.

27

181255A1

PISTON

flow divider

1шт.

28

181137A1

O-RING

plug

3шт.

29

181258A1

PLUG

valve

2шт.

30

181262A1

SPRING

spool, 190434A1 control valve

2шт.

30

334724A1

SPRING

spool, 334558A1 or 335640A1 control valve

2шт.

31

181253A1

SPACER

spring

2шт.

32

190444A1

PLUNGER

SPOOL forward/reverse, 190434A1 control valve

1шт.

32

334725A1

PLUNGER

SPOOL forward/reverse, 334558A1 or 335640A1 control valve

1шт.

34

814-8080

BOLT,Hex, M8 x 1.25 x 80mm, Cl 8.8

hex, 8 - 1.25 x 80 mm

6шт.

Not included in 334558A1 or 335640A1 control valve, purchase separately

1шт.

35

181100A1

PLUG,1/8 CAS x 8

valve

4шт.

36

934667R1

SEALING RING,M10 x 14 x 1

WASHER - flat, copper, special, 10 x 14 x 1 mm

4шт.

37

190436A1

SPRING

Small, 4.7 ID x 7.7 OD x 21 mm free length; piston, outer modulation; Included in 256888A3 Synchronizer Kit

1шт.

38

190440A1

PIN

piston, inner modulation

1шт.

39

349295A1

SOLENOID VALVE

VALVE ASSEMBLY, differential lock solenoid, 2 gpm, 335640A1 control valve used in A3 transmissions, Includes: Ref. 40-42 and solenoid valve, solenoid coil and jam nut

1шт.

40

237-6008

O-RING,0.087" Thk x 0.644" ID, -908, Cl 6, 90 Duro

8-1, 90 Duro, .644" ID x .087" Thk

1шт.

41

238-5014

O-RING,0.07" Thk x 0.489" ID, -14, Cl 5, 75 Duro

-014, 70 Duro, .489" ID x .070" Thk

1шт.

42

238-5013

O-RING,0.07" Thk x 0.426" ID, -13, Cl 5, 75 Duro

-013, 70 Duro, .426" ID x .070" Thk

1шт.

NSS

NOT SOLD SEPARAT

VALVE solenoid, cartridge, componenet parts are not serviced separately

1шт.

NSS

NOT SOLD SEPARAT

COIL solenoid

1шт.

NSS

NOT SOLD SEPARAT

NUT jam

1шт.

368437A1

KIT

service, snap ring, without tools, Includes: Ref. 10, 15, 16A, 22, and 25, plus instructions

1шт.

368438A1

KIT

service, snap ring, with tools, Includes: Ref. 10, 15, 16A, 22, and 25, plus 368439A1 guide tool and 368440A1 pushing tool for snap ring service

1шт.

256888A3

SYNCHRONIZER

KIT, Incl: Ref 37; plus parts on Figures 6-040, 6-046, 6-048, 6-054. Also incls (1) 278531A1 washer which is NSS and not shown.

1шт.

Выбрано товаров: 67