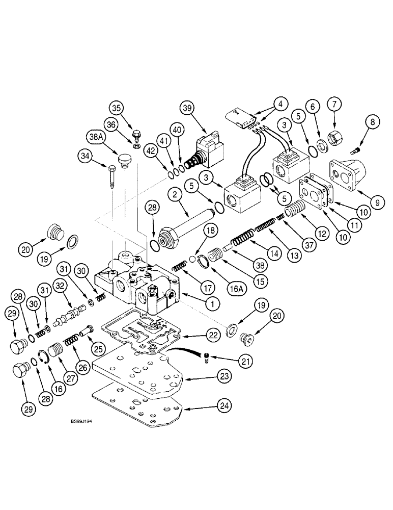
Запчасти Case 580L (6-080) - TRANSMISSION ASSEMBLY, TRANSMISSION CONTROL VALVE, TWO WHEEL OR FOUR WHEEL DRIVE (06) - POWER TRAIN

Схема запчастей Case 580L - (6-080) - TRANSMISSION ASSEMBLY, TRANSMISSION CONTROL VALVE, TWO WHEEL OR FOUR WHEEL DRIVE (06) - POWER TRAIN
10
30
28
3
38a
2
12
25
38
31
42
22
28
7
16
39
5
20
6
21
15
24
20
29
16a
29
35
26
1
11
34
28
32
17
40
30
8
41
19
19
18
13
37
5
10
4
31
27
5
3
36
23
14
9
FIT
1:1
100%

Артикул

Название

Примечание

Количество

329076A1

TRANSMISSION

ASSEMBLY, two wheel dirve, 580L models, new, with integrated differential lock solenoid valve, parts list Figure 6-60 - 6-82

1шт.

329081A1

TRANSMISSION

ASSEMBLY, two wheel drive, 570LXT models, new, with integrated differnetial lock solenoid valve, parts list Figure 6-60 - 6-82

1шт.

329079A1

TRANSMISSION

ASSEMBLY, four wheel drive, 580 L models, new with integrated differential lock solenoid valve, parts list Figure 6-60 - 6-84

1шт.

329079A3R

REMAN-TRANSMISSION

ASSEMBLY, four wheel drive, 580 L models, new with integrated differential lock solenoid valve, parts list Figure 6-60 - 6-84

1шт.

329079A3C

CORE-TRANSMISSION

Return Number

1шт.

329082A1

TRANSMISSION

ASSEMBLY, four whel drive, 570LXT models, new, with integrated differental lock solenoid valve, parts lists Figure 6-60 - 6-84, Includes: P/N 335640A2

1шт.

335640A2

VALVE

ASSEMBLY, transmission control, Includes: 349295A1 dufferential lock solenoid valve Ref. 39, Replaces: 335640A1, Includes: Ref. 1-39

1шт.

1

NSS

NOT SOLD SEPARAT

BODY transmission control valve

1шт.

2

190442A1

PLUNGER

solenoid

1шт.

3

190443A1

COIL

solenoid

2шт.

4

190437A1

FITTING

CONNECTOR solenoid

1шт.

5

181136A1

O-RING

sealing

4шт.

6

181273A1

COPPER WASHER

WASHER sealing, steel

1шт.

7

181272A1

PLUG

hex, cap

1шт.

8

864-6020

HEX SOC SCREW,M6 x 20mm, Cl 8.8

4шт.

9

181251A1

COVER

modulation

1шт.

10

181256A1

GASKET

GASKET cover

2шт.

Part of service kit 368437A1and 368438A1. P/N 368438A1

1шт.

11

190439A2

SPACER

gasket, Replaces: 190439A1

1шт.

12

190438A2

PISTON

modulation, outer, Replaces: 190438A1

1шт.

13

190436A1

SPRING

inner

1шт.

14

190441A1

SPRING

outer

1шт.

15

181234A2

PISTON

modulation, inner, Replaces: 190438A1

1шт.

Part of service kit 368437A1and 368438A1. P/N 368438A1

1шт.

16

299324A1

CIRCLIP

RING snap

1шт.

16a

368436A1

CIRCLIP

RING snap, special

1шт.

Part of service kit 368437A1and 368438A1. P/N 368438A1

1шт.

17

181261A1

SPRING

check

1шт.

18

181146A1

BALL

check

1шт.

19

181107A1

COPPER WASHER

WASHER sealing, copper

2шт.

20

181103A1

PLUG

oil

2шт.

21

864-8020

HEX SOC SCREW,M8 x 20mm, Cl 8.8

3шт.

Not included in 335640A2 control valve, purchase separately.

1шт.

22

181166A1

GASKET

GASKET body to valve plate

1шт.

Not included in 335640A2 control valve, purchase separately.

1шт.

Part of service kit 368437A1and 368438A1, P/N 368438A1

1шт.

23

181207A1

PLATE

Valve

1шт.

Not included in 335640A2 control valve, purchase separately.

1шт.

24

181208A1

GASKET

GASKET valve plate to transmission housing

1шт.

Not included in 335640A2 control valve, purchase separately.

1шт.

25

181254A1

SHAFT

flow divider

1шт.

Part of service kit 368437A1and 368438A1. P/N 368438A1

1шт.

26

181260A1

SPRING

piston

1шт.

27

181255A2

PISTON

flow divider, Replaces:181255A1

1шт.

28

181137A1

O-RING

plug

3шт.

29

181258A1

PLUG

valve

2шт.

30

334724A1

SPRING

spool

2шт.

31

181253A1

SPACER

spring

2шт.

32

334725A1

PLUNGER

SPOOL forward, reverse

1шт.

34

814-8080

BOLT,Hex, M8 x 1.25 x 80mm, Cl 8.8

hex, 8 - 1.25 x 80 mm

6шт.

Not included in 335640A2 control valve, purchase separately.

1шт.

35

181100A1

PLUG,1/8 CAS x 8

valve

4шт.

36

934667R1

SEALING RING,M10 x 14 x 1

WASHER - flat, copper, special, 10 x 14 x 1 mm

4шт.

37

190435A1

SPRING

piston, outer modulation

1шт.

38

190440A1

PIN

piston, inner modulation

1шт.

38a

NSS

NOT SOLD SEPARAT

PLUG body

1шт.

39

349295A1

SOLENOID VALVE

VALVE ASSEMBLY, differential lock solenoid, 2 gpm, Includes: Ref. 40-42, and solenoid valve, solenoid coil, and jam nut

1шт.

40

237-6008

O-RING,0.087" Thk x 0.644" ID, -908, Cl 6, 90 Duro

8-1, 90 Duro, .644" ID x .087" Thk

1шт.

41

238-5014

O-RING,0.07" Thk x 0.489" ID, -14, Cl 5, 75 Duro

-014, 70 Duro, .489" ID x .070" Thk

1шт.

42

238-5013

O-RING,0.07" Thk x 0.426" ID, -13, Cl 5, 75 Duro

-013, 70 Duro, .426" ID x .070" Thk

1шт.

NSS

NOT SOLD SEPARAT

VALVE solenoid, cartridge, component parts are not serviced separately

1шт.

NSS

NOT SOLD SEPARAT

COIL solenoid

1шт.

NSS

NOT SOLD SEPARAT

NUT jam

1шт.

368437A1

KIT

service, snap ring, without tools, Includes Ref. 10, 15, 16A, 22, and 25, plus instructions.

1шт.

368438A1

KIT

service, snap ring, with tools, Includes Ref. 10, 15, 16A, 22, and 25, plus 368439A1 guide tool and 368440A1 pushing tool for snap ring service.

1шт.

Выбрано товаров: 65