Запчасти Case 580L (6-100) - REAR DRIVE AXLE, DIFFERENTIAL LOCK (06) - POWER TRAIN

Схема запчастей Case 580L - (6-100) - REAR DRIVE AXLE, DIFFERENTIAL LOCK (06) - POWER TRAIN
9
7
10
4
2
5
6
14
5
1
8
8
12
13
3
11
FIT
1:1
100%

Артикул

Название

Примечание

Количество

279172A1

AXLE, REAR

AXLE ASSEMBLY, rear drive, parts list Fig. 6-95 - 6-103, 7-3 & 7-5, no longer avail., order 319063A1 axle, Fig. 6-105, 213-126 clevis, two of 322184A1 hose and 326348A1 yoke, see Fig. 7-9 & 7-13 for hose, clevis and yoke, Incl.: Ref. 1-14

1шт.

87422526R

REMAN-REAR AXLE

570LXT, 580L, All Series 2, Reman For New P/N's 279172A1, 319063A1, 87422526

1шт.

87422526C

CORE-REAR AXLE

Return Number

1шт.

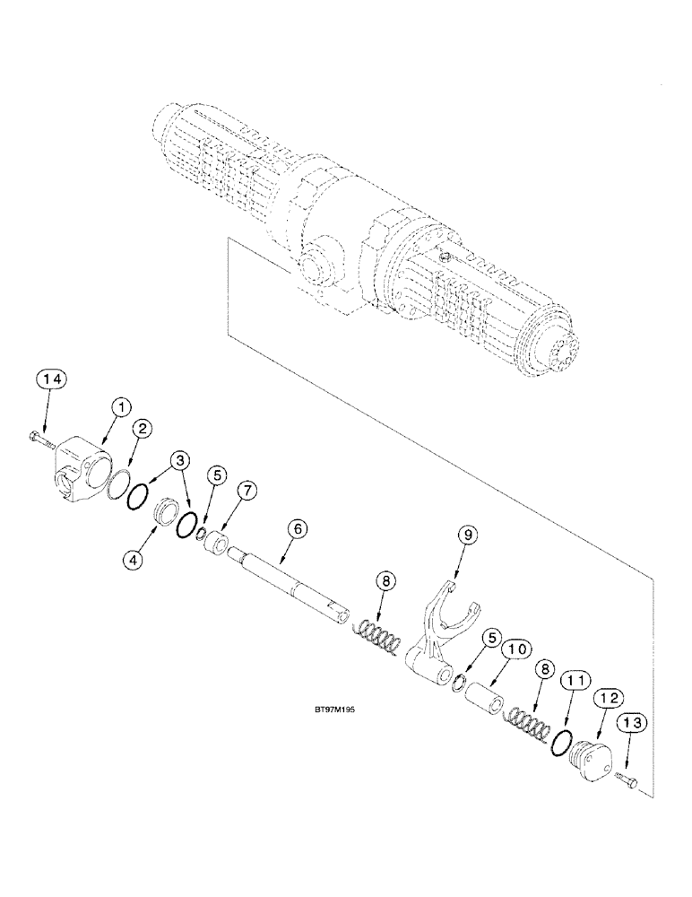
1

292213A1

CYLINDER

differential lock

1шт.

2

305152A1

O-RING

cylinder

1шт.

3

292210A1

SEAL

O-RING seal, external, piston

2шт.

4

292212A1

PISTON

differential lock

1шт.

5

800-5120

SNAP RING,M20, Ext

RING external heavy retaining, No. 20

2шт.

6

292214A1

SHAFT

rail, shifter fork

1шт.

7

292902A1

RING

BUSHING shaft

1шт.

8

175966A1

SPRING

shaft

2шт.

9

175964A2

FORK

shift

1шт.

10

175965A1

BUSHING

rail

1шт.

11

128376A1

O-RING

cover

1шт.

12

175968A1

SUPPORT

COVER housing

1шт.

13

614-8030

BOLT,Hex, M8 x 1.25 x 30mm, Cl 8.8, Full Thd

hex, Full thd, M8 x 1.25 x 30

2шт.

14

814-8080

BOLT,Hex, M8 x 1.25 x 80mm, Cl 8.8

hex, 8 - 1.25 x 80 mm

2шт.

Выбрано товаров: 17