Запчасти Case 580L (8-120) - THREE-POINT HITCH CONTROL VALVE, FIVE SPOOL VALVE ASSEMBLY (08) - HYDRAULICS

Схема запчастей Case 580L - (8-120) - THREE-POINT HITCH CONTROL VALVE, FIVE SPOOL VALVE ASSEMBLY (08) - HYDRAULICS
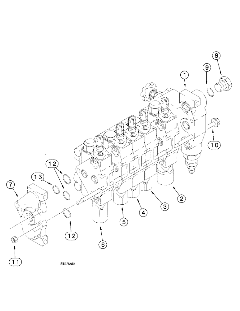
7
12
4
9
6
13
2
1
8
5
10
3
12
11
FIT
1:1
100%

Артикул

Название

Примечание

Количество

142252A2

VALVE, CONTROL

VALVE ASSEMBLY, three point hitch control, five spool, Includes: Ref. 16, 10-13, and P/N D122553

1шт.

1

224452A1

ELEMENT

SECTION ASSEMBLY, inlet, outlet, parts list Figure 9-2

1шт.

2

224453A1

ELEMENT

SECTION ASSEMBLY, auxiliary, parts list Figure 9-6

1шт.

3

224454A1

HYD VALVE SECTION

SECTION ASSEMBLY, implement, parts list Figure 9-5

1шт.

4

224454A1

HYD VALVE SECTION

SECTION ASSEMBLY, tilt, parts list Figure 9-5, this section may also be a tilt section on some models

1шт.

5

224454A1

HYD VALVE SECTION

SECTION ASSEMBLY, pitch, parts list Figure 9-5, this section may also be a pitch section on some models

1шт.

6

224455A1

HYD VALVE SECTION

SECTION ASSEMBLY, lift, parts list Figure 9-4

1шт.

D122553

PLATE

SECTION ASSEMBLY, end, cover plate, Includes: Ref. 7-8

1шт.

7

NSS

NOT SOLD SEPARAT

PLATE cover

1шт.

8

218-5158

PLUG,Hex Hd, 1 1/16"-12 ORB

hex, 1-1/16-12 inch O-ring boss, Includes: Ref. 9

1шт.

9

237-6012

O-RING,0.116" Thk x 0.924" ID, -912, Cl 6, 90 Duro

12-1, 90 Duro, .924 ID x .116" Thk

1шт.

10

18-1038

STUD,3/8" - 24 x 11.50"

BOLT tie, 3/8 NF x 11-1/4 inch

3шт.

11

425-116

NUT,3/8" - 24, Gr 5

3шт.

12

238-5119

O-RING,0.103" Thk x 0.924" ID, -119, Cl 5, 75 Duro

18шт.

Included w/ SEAL KIT, P/N S302092

1шт.

13

238-6117

O-RING,0.103" Thk x 0.799" ID, -117, Cl 6, 90 Duro

6шт.

Included w/ SEAL KIT, P/N S302092

1шт.

S302092

SEAL KIT

KIT seal, between sections, Includes: seals for one section, both 1/16 and 3/32 inch wide, Includes: Ref. 12-13

1шт.

Выбрано товаров: 18