Запчасти Case 580L (9-073) - REAR FENDERS, CAB MODELS (09) - CHASSIS/ATTACHMENTS

Схема запчастей Case 580L - (9-073) - REAR FENDERS, CAB MODELS (09) - CHASSIS/ATTACHMENTS
8
8c
14
14
13
13
12
8e
12
6
7
8f
18
3
8c
10
12
8c
9
16
16
15
12
13
8e
15
1
2
8b
8d
4
11
5
13
10
13
15
17
FIT
1:1
100%

Артикул

Название

Примечание

Количество

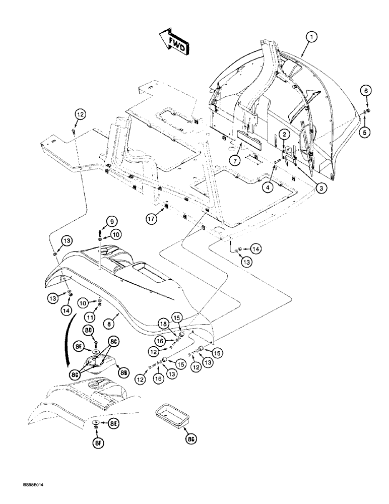
1

132134A1

FENDER

right hand, gray, for hardware mounting the front of the fender, see mud guard Figure 9-055

1шт.

1a

181457A2

FENDER

PANEL fender, right hand upper, gray vinyl, optional deluxe interior, not shown, no longer used

1шт.

1b

131975A2

FENDER

PANEL fender, right hand lower, gray vinyl, optional deluxe interior, not shown

1шт.

2

182594A1

HANDLE

BRACKET velcro retainer

2шт.

Used on 580L cab models only.

1шт.

3

184726A1

FIXING STRIP

STRAP velcro, right hand cab fender; Fire Extinguisher Retaining Strap

1шт.

Used on 580L cab models only.

1шт.

4

842-1425

SCREW,Phillips Drive, Oval HD, M4 x 25mm, Cl 4.8

- machine, oval countersunk Phillips, 4 - 0.7 x 25 mm

4шт.

Used on 580L cab models only.

1шт.

5

895-11004

WASHER,4.3mm ID x 9mm OD x 0.8mm Thk

(Flat, 4.3 x 9 x 0.8 mm) M4

4шт.

Used on 580L cab models only.

1шт.

6

832-10404

NUT,M4 x 0.7, Cl 8.8

NUT hex, self-locking, 4 mm - 0.7

4шт.

Used on 580L cab models only.

1шт.

7

188482A1

SEALING STRIP

SEAL foam, ROPS, Serial Range: post-fender

2шт.

8

132133A1

FENDER

left-hand, gray

1шт.

B17576

GASKET MAKER FLUID

SEALANT gray silicone, 10.3 ounce, between fenders and cab, Ref. 345-187 replaced by B17576

1шт.

8a

304390A1

PANEL

fender, left hand, gray vinyl, optional deluxe interior, not shown

1шт.

8b

303022A1

INSERT

coffee cup holder, black plastic liner, optional deluxe interior, Includes: Ref. 8C

1шт.

8c

304061A1

BUMPER,Rubber

rubber

4шт.

8d

140-119

SCREW,Cross Pan Hd, #10 - 24 x 1 1/4"

1шт.

8e

495-61020

WASHER,0.203" ID x 0.75" OD x 0.067" Thk

flat, 13/64 x 3/4 x 1/16 inch

2шт.

8f

86625057

NUT,#10-24, GB

NUT, LOCK, #10-24, GB

1шт.

8g

188411A2

TRAY

INSERT tool tray, black plastic liner, optional deluxe interior, not shown, see Ref. 19 and 20 for screw and nut

1шт.

8h

192274A2

PROTECTOR

COVER, left hand fender at cab entrance, black plastic, optional deluxe interior, not shown see Ref. 19 and 20 for screw and nut

1шт.

9

139362A1

BALL JOINT

STUD upper ball, 10 mm - 1.5, left hand fender

1шт.

10

495-81002

WASHER,3/8"

flat, 7/16 x 1-3/8 x 5/64 inch

2шт.

11

832-10410

NUT,M10 x 1.5, Cl 8

NUT, LOCK, M10 x 1.5, Cl 8

1шт.

12

614-8030

BOLT,Hex, M8 x 1.25 x 30mm, Cl 8.8, Full Thd

hex, Full thd, M8 x 1.25 x 30

22шт.

13

495-81001

WASHER,5/16"

flat, 3/8 x 1-1/8 x 1/16 inch

16шт.

14

832-10408

NUT,M8 x 1.25, Cl 8.8

NUT, M8 x 1.25, Cl 8

4шт.

15

144282A1

SPACER

16 x 10 mm long, fender support plate

22шт.

16

892-11008

LOCK WASHER,8mm ID

WASHER, LOCK, M8

18шт.

17

833-40408

NUT,M8, U

20шт.

18

495-21038

WASHER,5/16"

(flat, 3/8 x 7/8 x 3/32") 5/16"

10шт.

19

140-107

SCREW,Pan HD, #10 - 24 x 3/4"

Retains tool tray and fender cover at cab entrance, not shown Cross Pan Hd, #10-24 x 3/4"

6шт.

20

86625057

NUT,#10-24, GB

NUT, LOCK, , Used with Ref. 19, not shown #10-24, GB

6шт.

Выбрано товаров: 36