Запчасти Case 580L (4-28) - TRACTOR LAMP ELECTRICAL CIRCUIT, 580L OR 570LXT STANDARD ROPS CANOPY MODELS (04) - ELECTRICAL SYSTEMS

Схема запчастей Case 580L - (4-28) - TRACTOR LAMP ELECTRICAL CIRCUIT, 580L OR 570LXT STANDARD ROPS CANOPY MODELS (04) - ELECTRICAL SYSTEMS
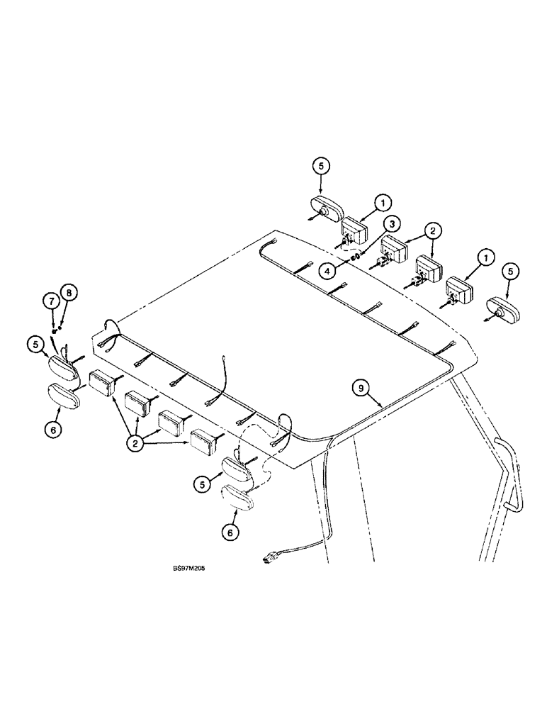
2
1
7
5
3
6
4
5
2
9
1
8
5
6
5
FIT
1:1
100%

Артикул

Название

Примечание

Количество

1

D132681

LAMP,Halogen, 12V, 50W, Clear

ASSEMBLY, front driving, outer, see Figure 4-34, no longer available, order ZAA7376350 lamp package

2шт.

2

D132682

HEADLIGHT,Halogen, 12V, 50W, Clear

LAMP ASSEMBLY, flood and work, rear flood, outer, and center front and rear work lamps, see Figure 4-34, no longer available, order ZAA7376150 lamp package and ZAA8066600 mounting kit

6шт.

3

493-11052

LOCK WASHER,Ext-Int Tooth, 1/2"

WASHER internal, external tooth lock, 1/2 inch

8шт.

4

425-148

JAM NUT,Jam, 1/2"-13, G5

8шт.

5

D135384

LAMP,12V

ASSEMBLY, turn signal and flasher, amber, front and rear, see Figure 4-38

4шт.

6

D121152

LAMP,12V

ASSEMBLY, stop and tail, red, rear, see Figure 4-38

2шт.

7

329032A1

SELF-TAP SCREW,Hex WAHR HD TPG #10 x 0.375 END TT

special, hex washer head, No. 10 NC x 3/8 inch, Replaces: 281-4556

12шт.

8

495-31022

WASHER,#10

12шт.

9

283001A1

HARNESS

ROPS canopy, lamps, attaches to side console instrument harness, see Figure 9-106 or 9-107 for harness cover and clamps that mount to the right hand ROPS post

1шт.

See Figure 4-30 for harness used on 570LXT short ROPS canopy with minimal roof.

1шт.

Выбрано товаров: 10