Запчасти Case 580L (4-34) - CANOPY TRACTOR LAMPS, 580L OR 570LXT STANDARD CANOPY MODELS (04) - ELECTRICAL SYSTEMS

Схема запчастей Case 580L - (4-34) - CANOPY TRACTOR LAMPS, 580L OR 570LXT STANDARD CANOPY MODELS (04) - ELECTRICAL SYSTEMS
11
15
5a
4
16
2
6a
3
6b
12
10a
14
5
7
9
8
6
13
10
14a
1
FIT
1:1
100%

Артикул

Название

Примечание

Количество

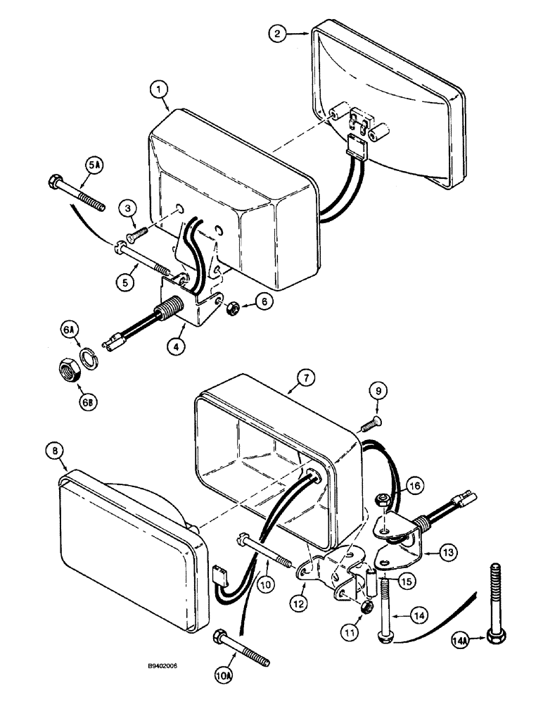
D132681

LAMP,Halogen, 12V, 50W, Clear

ASSEMBLY, front driving, no longer available, order ZAA7376350 lamp package, Includes: Ref. 1-6B

2шт.

1

NSS

NOT SOLD SEPARAT

HOUSING lamp, front driving assembly

1шт.

2

91946C1

LAMP

BULB sealed beam, front driving assembly

1шт.

3

273-10510

SELF-TAP SCREW,Slotted Flat Hd, #10 x 5/8"

SCREW self tapping, flat head slotted, front driving assembly, No. 10-16 x 5/8 inch

2шт.

4

N14284

BRACKET

lamp, front driving assembly

1шт.

5

70-12532

SCREW,Slotted Pan Hd, 1/4"-20 x 2"

machine, pan head slotted, housing to bracket, production, front driving assembly, 1/4 NC x 2 inch

1шт.

5a

413-432

BOLT,Hex, 1/4" - 20 x 2", Gr 5

Service, front driving assembly Hex, 1/4"-20 x 2", G5

1шт.

6

231-1444

NUT,1/4"-20, GB

NUT, LOCK, , Front Driving Assembly 1/4"-20, GB

1шт.

6a

80679

LOCK WASHER,1/20.507 CST ZND

WASHER, LOCK, , Front driving assembly 1/2"

1шт.

6b

425-108

NUT,1/2" - 13, Gr 5

NUT, , Front driving assembly 1/2"-13, G5

1шт.

D132682

HEADLIGHT,Halogen, 12V, 50W, Clear

LAMP ASSEMBLY, flood and work, rear flood, outer, and center front and rear work lamps, no longer available, order ZAA7376150 lamp package and ZAA8066600 mounting kit package, Includes: Ref. 7-16

6шт.

7

NSS

NOT SOLD SEPARAT

HOUSING rear flood lamp assy, and front and rear work

1шт.

8

91947C1

LAMP

BULB sealed beam, rear flood lamp assy, and front and rear work

1шт.

9

273-10510

SELF-TAP SCREW,Slotted Flat Hd, #10 x 5/8"

SCREW self tapping, flat head slotted, rear flood lamp assy, and front and rear work, No. 10-16 x 5/8 inch

2шт.

10

70-12532

SCREW,Slotted Pan Hd, 1/4"-20 x 2"

machine, pan head slotted, housing to bracket, production, rear flood lamp assy, and front and rear work, 1/4 NC x 2 inch

1шт.

10a

413-432

BOLT,Hex, 1/4" - 20 x 2", Gr 5

Service, rear flood lamp assy, and front and rear work Hex, 1/4"-20 x 2", G5

1шт.

11

231-1444

NUT,1/4"-20, GB

NUT, LOCK, , Rear Flood Lamp Assy, and Front and Rear work 1/4"-20, GB

1шт.

12

N14285

SUPPORT

BRACKET mounting, rear flood lamp assy, and front and rear work

1шт.

13

A52216

SUPPORT

BRACKET mounting, lamp, Includes stud, rear flood assy, and front and rear work

1шт.

14

121-119

BOLT,Hex Flg, 5/16"-18 x 2 1/4", Serr

Rear flood lamp assy, and front and rear work, 5/16 NC x 2-1/4 inch, used in production, for service order Ref. 14A Hex Flg, 5/16"-18 x 2 1/4", Serr

1шт.

14a

413-536

BOLT,Hex, 5/16" - 18 x 2-1/4", Gr 5

hex, service, rear flood lamp assy, and front and rear work, 5/16 NC x 2-1/4 inch

1шт.

15

65881H

SPACER,1/4" Pipe x 1 1/4"

tubular, rear flood lamp assy, and front and rear work, 1/4 x 1-1/4 inch

1шт.

16

231-1445

NUT,5/16"-18, GB

NUT hex, self locking, rear flood lamp assy, and front and rear work, 5/16 inch NC

1шт.

Выбрано товаров: 23