Запчасти Case 580L (4-44) - HORN AND BACKUP ALARM (04) - ELECTRICAL SYSTEMS

Схема запчастей Case 580L - (4-44) - HORN AND BACKUP ALARM (04) - ELECTRICAL SYSTEMS
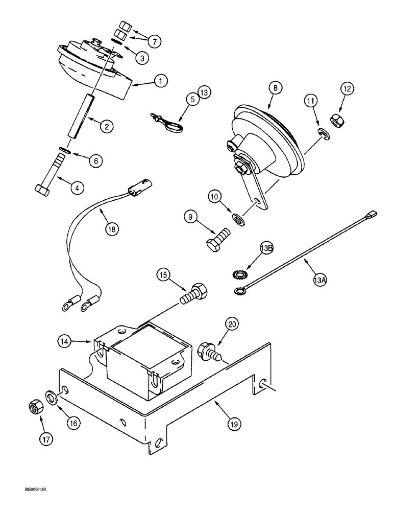
8
2
13b
11
13
17
5
9
13a
15
18
16
3
14
10
7
19
20
4
12
6
1
FIT
1:1
100%

Артикул

Название

Примечание

Количество

1

190155A1

BUZZER

HORN 12 volt, Includes: mounting bracket, Sparton, no longer available, order 3057542R91 horn

1шт.

2

116423A1

SPACER

split, horn

1шт.

3

893-11008

LOCK WASHER,Ext Tooth, M8

WASHER, LOCK, , Horn Ext Tooth, M8

1шт.

4

814-8110

BOLT,Hex, M8 x 1.25 x 110mm, Cl 8.8

hex, horn, 8 - 1.25 x 110 mm

1шт.

5

L18337

CABLE TIE,9.95"-12.1" lg

STRAP tie, nylon, horn, 15 inch

2шт.

6

895-11008

WASHER,9mm ID x 16mm OD x 1.6mm Thk

flat, horn, 9 x 17 x 1.6 mm, If used

1шт.

7

829-1408

NUT,Hex, M8 x 1.25, Cl 10.9

If used, Horn M8, Cl 10

2шт.

347902A1

BUZZER

KIT horn, used when replacing 190155A1 Sparton horn with 3057542R91 Bosch horn, Includes: Ref. 8-13B

1шт.

8

3057542R91

HORN

warning sound, 12 volt, Bosch, horn

1шт.

9

614-8020

BOLT,Hex, M8 x 1.25 x 20mm

hex, full threads, 8 - 1.25 x 20 mm, Horn

1шт.

10

895-11008

WASHER,9mm ID x 16mm OD x 1.6mm Thk

flat, horn, 9 x 17 x 1.6 mm

1шт.

11

892-11008

LOCK WASHER,8mm ID

WASHER, LOCK, , Horn M8

1шт.

12

829-1408

NUT,Hex, M8 x 1.25, Cl 10.9

Horn M8, Cl 10

1шт.

13

L18337

CABLE TIE,9.95"-12.1" lg

STRAP tie, nylon, horn, 15 inch

2шт.

13a

347933A1

HARNESS

WIRE horn, if used

1шт.

13b

893-11008

LOCK WASHER,Ext Tooth, M8

WASHER, LOCK, , If Used Ext Tooth, M8

1шт.

14

109511A1

ALARM

backup, attaches to main engine harness, see Figure 4-10 for engine harness options

1шт.

15

614-8025

BOLT,Hex, M8 x 1.25 x 25mm, Cl 8.8, Full Thd

hex, full threads, backup alarm, 8 - 1.25 x 25 mm

2шт.

16

895-11008

WASHER,9mm ID x 16mm OD x 1.6mm Thk

flat, backup alarm, 9 x 17 x 1.6 mm

2шт.

17

832-10408

NUT,M8 x 1.25, Cl 8.8

NUT, , Backup Alarm M8 x 1.25, Cl 8

2шт.

18

D139175

HARNESS

WIRE pigtail, backup alarm, attaches main engine, Serial Range: harness-alarm

1шт.

19

227120A1

SUPPORT

BRACKET backup alarm mounting, 570LXT models only, mounts to right hand rear chassis side plate

1шт.

20

121856A1

BOLT,Hex, M10 x 1.5 x 30mm, Cl 10.9

BOLT hex washer, special, backup alarm, 10 - 1.5 x 30 mm

2шт.

Выбрано товаров: 23