Запчасти Case 590L (6-42) - TRANSMISSION ASSEMBLY, TRANSMISSION CONTROL VALVE, TWO-WHEEL OR FOUR-WHEEL DRIVE (PRE SERVICE BULLITIN) (06) - POWER TRAIN

Схема запчастей Case 590L - (6-42) - TRANSMISSION ASSEMBLY, TRANSMISSION CONTROL VALVE, TWO-WHEEL OR FOUR-WHEEL DRIVE (PRE SERVICE BULLITIN) (06) - POWER TRAIN
28
5
28
10
3
16
23
37
2
20
13
7
30
4
6
24
31
19
22
5
21
32
27
34
30
11
14
10
26
35
31
18
25
5
9
28
17
15
3
1
5
12
8
29
16
29
36
FIT
1:1
100%

Артикул

Название

Примечание

Количество

123842A1

TRANSMISSION

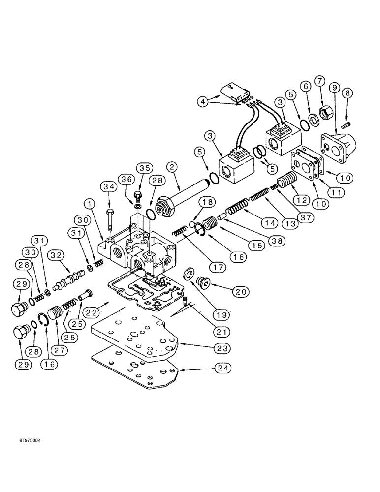
ASSEMBLY - two wheel drive, parts list Figures 6-24, 6-26, 6-30 - 6-38 and 6-42, Includes: Ref. 1 - 37

1шт.

See Figure 6-24 for remanufactured transmission part numbers.

1шт.

123843A1

TRANSMISSION

ASSEMBLY - four wheel drive, parts list Figures 6-24 and 6-28 - 6-44, Includes: Ref. 1 - 37

1шт.

See Figure 6-24 for remanufactured transmission part numbers.

1шт.

190434A1

VALVE

ASSEMBLY - transmission control

1шт.

1

NSS

NOT SOLD SEPARAT

BODY - transmission control valve

1шт.

2

190442A1

PLUNGER

- solenoid

1шт.

3

190443A1

COIL

- solenoid

2шт.

4

190437A1

FITTING

CONNECTOR - solenoid

1шт.

5

181136A1

O-RING

- sealing

4шт.

Part of Seal Kits, part numbers 278302A1 and 278836A1

1шт.

6

181273A1

COPPER WASHER

WASHER - sealing, copper

1шт.

Part of Seal Kits, part numbers 278302A1 and 278836A1

1шт.

7

181272A1

PLUG

- hex, cap

1шт.

8

864-6020

HEX SOC SCREW,M6 x 20mm, Cl 8.8

4шт.

9

181251A1

COVER

- modulation

1шт.

10

181256A1

GASKET

GASKET - cover

2шт.

Part of Seal Kits, part numbers 278302A1 and 278836A1

1шт.

11

190439A1

SPACER

- gasket

1шт.

12

190438A1

PISTON

- modulation, outer

1шт.

13

190435A1

SPRING

Medium, 8.5 ID x 11.5 OD x 63 mm free length, inner

1шт.

Part of Seal Kits, part numbers 278302A1 and 278836A1

1шт.

14

190441A1

SPRING

Large, 12.2 ID x 17.6 OD x 65.5 free length, outer

1шт.

Part of Seal Kits, part numbers 278302A1 and 278836A1

1шт.

15

181234A1

PISTON

- modulation, inner

1шт.

16

112504A1

CIRCLIP

RING - snap

2шт.

Part of Seal Kits, part numbers 278302A1 and 278836A1

1шт.

This is a .038" thick snap ring. Do not use this snap ring in 570LXT, 580L, 580SL or 590SL transmission control valves. For those applications, use only 299324A1 snap ring, which is .058" thick.

1шт.

17

181261A1

SPRING

- check

1шт.

Part of Seal Kits, part numbers 278302A1 and 278836A1

1шт.

18

181146A1

BALL

- check

1шт.

19

181107A1

COPPER WASHER

WASHER - sealing, copper

1шт.

Part of Seal Kits, part numbers 278302A1 and 278836A1

1шт.

20

181103A1

PLUG

- oil

1шт.

21

864-8020

HEX SOC SCREW,M8 x 20mm, Cl 8.8

hex socket, 8-1.25 x 20 mm

3шт.

22

181166A1

GASKET

GASKET - body to valve plate

1шт.

Part of Seal Kits, part numbers 278302A1 and 278836A1

1шт.

23

181207A1

PLATE

Valve

1шт.

24

181208A1

GASKET

GASKET - valve plate to transmission housing

1шт.

Part of Seal Kits, part numbers 278302A1 and 278836A1

1шт.

25

181254A1

SHAFT

- flow divider

1шт.

26

181260A1

SPRING

- piston, O.D. - 17.2 mm/.677, ID - 14.4 mm/.567", free length - 65 mm/2.56", spring rate - 0.991 N/mm, wire diameter - 1.4 mm/.055", coil winding - R.H., active coils - 10

1шт.

Part of Seal Kits, part numbers 278302A1 and 278836A1

1шт.

27

181255A1

PISTON

- flow divider

1шт.

28

181137A1

O-RING

- plug

3шт.

Part of Seal Kits, part numbers 278302A1 and 278836A1

1шт.

29

181258A1

PLUG

- valve

2шт.

30

181262A1

SPRING

- spool

2шт.

Part of Seal Kits, part numbers 278302A1 and 278836A1

1шт.

31

181253A1

SPACER

- spring

2шт.

Part of Seal Kits, part numbers 278302A1 and 278836A1

1шт.

32

190444A1

PLUNGER

SPOOL - forward/reverse

1шт.

34

814-8080

BOLT,Hex, M8 x 1.25 x 80mm, Cl 8.8

- hex, 8 - 1.25 x 80 mm

6шт.

35

181100A1

PLUG,1/8 CAS x 8

- valve

4шт.

36

934667R1

SEALING RING,M10 x 14 x 1

WASHER - flat, copper, special, 10 x 14 x 1 mm

4шт.

Part of Seal Kits, part numbers 278302A1 and 278836A1

1шт.

37

190436A1

SPRING

Small, 4.7 ID x 7.7 OD x 21 mm free length, outer modulation; included in 256888A3 synchronizer kit, see below

1шт.

38

190440A1

PIN

- piston, inner modulation

1шт.

278302A1

SET OF PARTS

KIT - seal, transmission overhaul, two wheel drive, includes Ref. 5, 6, 10, 13, 14, 16, 17, 19, 22, 24, 26, 28, 30, 31 and 36 above, also see kit parts on Figures 6-24, 6-26, 6-32 - 6-38 and 6-42

1шт.

278836A1

SET OF PARTS

KIT - seal, transmission overhaul, four wheel drive, includes Ref. 5, 6, 10, 13, 14, 16, 17, 19, 22, 24, 26, 28, 30, 31 and 36 above, also see kit parts on Figures 6-24, 6-28 and 6-32 - 6-44

1шт.

256888A3

SYNCHRONIZER

KIT, Incl: Ref 37; plus parts on Figures 6-32, 6-36, 6-38, 6-42. Also incls (1) 278531A1 washer which is NSS and not shown.

1шт.

Выбрано товаров: 61