Запчасти Case 590L (6-58) - REAR DRIVE AXLE, DIFFERENTIAL LOCK (06) - POWER TRAIN

Схема запчастей Case 590L - (6-58) - REAR DRIVE AXLE, DIFFERENTIAL LOCK (06) - POWER TRAIN
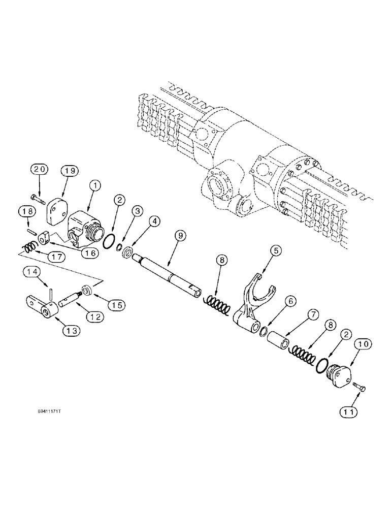
8
17
1
12
11
2
4
8
7
15
10
16
14
5
3
18
19
13
6
9
2
20
FIT
1:1
100%

Артикул

Название

Примечание

Количество

127599A2

AXLE

ASSEMBLY - rear drive, Carraro No. 132885, parts list Figures 6-52 - 6-60, 7-2 and 7-4, also includes 187562A2 bracket, Ref. 18 on Figure 6-50, no longer available, order 127599A5, Includes: Ref. 1 - 20

1шт.

127599A3

AXLE, REAR

AXLE ASSEMBLY - rear drive, parts list Figures 6-52 - 6-60, 7-3A and 7-4, also includes 187562A2 bracket, Ref. 18 on Figure 6-50, no longer available, order 127599A5, Includes: Ref. 1 - 20

1шт.

127599A5

AXLE, REAR

AXLE ASSEMBLY - rear drive, parts list Figures 6-52 - 6-60, 7-3A and 7-5A, also includes 187562A2 bracket, Ref. 18 on Figure 6-50, Includes: Ref. 1 - 20

1шт.

1

175962A1

SUPPORT

HOUSING - locking cam

1шт.

2

128376A1

O-RING

- sealing

2шт.

3

800-1114

SNAP RING,M14, Ext

RING - external retaining, No. 14

1шт.

4

175963A1

WASHER

WASHER - flat, used as spacer

1шт.

5

196072A1

SHIFTER FORK

FORK - shift

1шт.

6

800-5120

SNAP RING,M20, Ext

RING - external heavy retaining, No. 20, retaining

1шт.

7

175965A1

BUSHING

- rail, shifter fork

1шт.

8

175966A1

SPRING

- rail, shifter fork

2шт.

9

175967A1

SHAFT

RAIL - shifter fork

1шт.

10

175968A1

SUPPORT

COVER - housing

1шт.

11

614-8025

BOLT,Hex, M8 x 1.25 x 25mm, Cl 8.8, Full Thd

- hex, full threads, 8 - 1.25 x 25 mm

2шт.

12

175969A1

SPLIT PIN/SAFETY PIN

PIN - cam

1шт.

13

175970A1

LEVER

BELLCRANK - cam pin

1шт.

14

905793R1

PIN,6mm OD x 36mm L, Coiled

- roll

1шт.

15

175971A1

OIL SEAL

SEAL - oil

1шт.

16

175972A1

CAM

- locking

1шт.

17

1967599C1

SPRING

- cam

1шт.

18

139111A1

SPLIT PIN/SAFETY PIN

PIN - roll, 6 x 20 mm

1шт.

19

175973A1

COVER

- cam housing

1шт.

20

814-8070

BOLT,Hex, M8 x 1.25 x 70mm, Cl 8.8

HH, CL 8.8, M8 x 1.25 x 70

2шт.

Выбрано товаров: 23