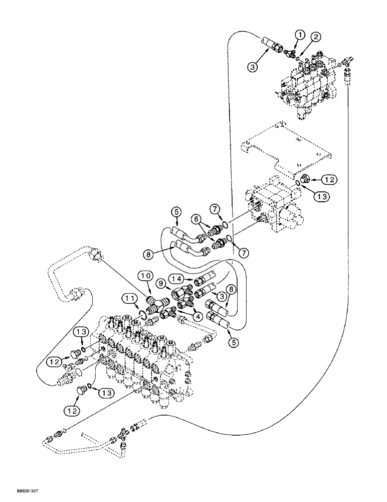
Запчасти Case 590L (8-048) - BASIC AUX. HYD., MODELS W/ OR W/O EXTENDABLE DIPPER, PRIOR TO TRAC. P.I.N. JGG0209066 (08) - HYDRAULICS

Схема запчастей Case 590L - (8-048) - BASIC AUX. HYD., MODELS W/ OR W/O EXTENDABLE DIPPER, PRIOR TO TRAC. P.I.N. JGG0209066 (08) - HYDRAULICS
10
8
13
11
13
14
5
9
12
8
7
4
12
13
12
7
2
1
3
5
3
6
FIT
1:1
100%

Артикул

Название

Примечание

Количество

1

218-5241

TEE,7/8" - 14 Male JIC x 7/8" - 14 Male JIC x 7/8" - 14 Male ORB

- 7/8-14 inch flare branch x flare x adj. O-ring boss, inlet section lower port, see Figure 5-4 for attaching steering hose, Includes: Ref. 2

1шт.

2

237-6010

O-RING,0.097" Thk x 0.755" ID, -910, Cl 6, 90 Duro

10-1, 90 Duro, .755" ID x .097" Thk

1шт.

3

188126A1

HOSE

- 1650 mm (65 inch) long, swing supply, loader valve inlet section lower port to tee at inlet port of backhoe valve extendahoe section

1шт.

4

218-5220

TEE,37 Degree, 7/8"-14 x 7/8"-14, Fem Sw Run

- swivel, 7/8-14 inch flare branch x flare x swivel, attaches to extendahoe section inlet port load check valve, Ref. 15 on Figure 8-130

2шт.

5

189528A1

HOSE

- 292 mm (11-1/2 inch) long, auxiliary valve inlet port to 218-5220 tee at backhoe valve extendahoe section inlet port

1шт.

6

218-5064

HYD CONNECTOR,1-1/16" - 12 Male JIC x 1-1/16" - 12 Male ORB

ADAPTER - straight, 1-1/16-12 inch flare x O-ring boss, inlet and outlet ports of auxiliary valve to tees at backhoe valve, Incl. Ref. 7

2шт.

7

237-6012

O-RING,0.116" Thk x 0.924" ID, -912, Cl 6, 90 Duro

12-1, 90 Duro, .924 ID x .116" Thk

1шт.

8

189529A1

HOSE

- 402 mm (15-13/16 inch) long, auxiliary valve outlet port to 218-5223 tee at backhoe valve outlet section port

1шт.

9

218-5223

TEE,37 Degree, 1 5/16"-12 x 1 5/16"-12, Fem Sw Run

- 1-5/16-12 inch flare branch x flare x swivel, backhoe valve outlet section port

1шт.

10

218-5245

TEE,1-5/16" - 12 Male JIC x 1-5/16" - 12 Male JIC x 1-5/16" - 12 Male ORB

- 1-5/16-12 inch flare branch x flare x adj. O-ring boss, backhoe valve outlet section port, Includes: Ref. 11

1шт.

11

237-6016

O-RING,0.116" Thk x 1.171" ID, -916, Cl 6, 90 Duro

16-1, 90 Duro, 1.171" ID x .118" Thk

1шт.

12

218-5158

PLUG,Hex Hd, 1 1/16"-12 ORB

- hex, 1-1/16-12 inch O-ring boss, at auxiliary valve plug is used on models without backhoe auxiliary hydraulics; at backhoe valve extendahoe section plugs are used on models without extendable dipper, if used, Includes: Ref. 13

3шт.

13

237-6012

O-RING,0.116" Thk x 0.924" ID, -912, Cl 6, 90 Duro

12-1, 90 Duro, .924 ID x .116" Thk

1шт.

14

144229A1

HOSE

- 775 mm (30-1/2 inch) long, return, backhoe control valve to filter, see Figure 8-8 for tee at filter

1шт.

Выбрано товаров: 14