Запчасти Case 590L (8-102) - BACKHOE CONTROL VALVES, MODELS WITHOUT EXTENDABLE DIPPER, NON-PRIORITY SWING (08) - HYDRAULICS

Схема запчастей Case 590L - (8-102) - BACKHOE CONTROL VALVES, MODELS WITHOUT EXTENDABLE DIPPER, NON-PRIORITY SWING (08) - HYDRAULICS
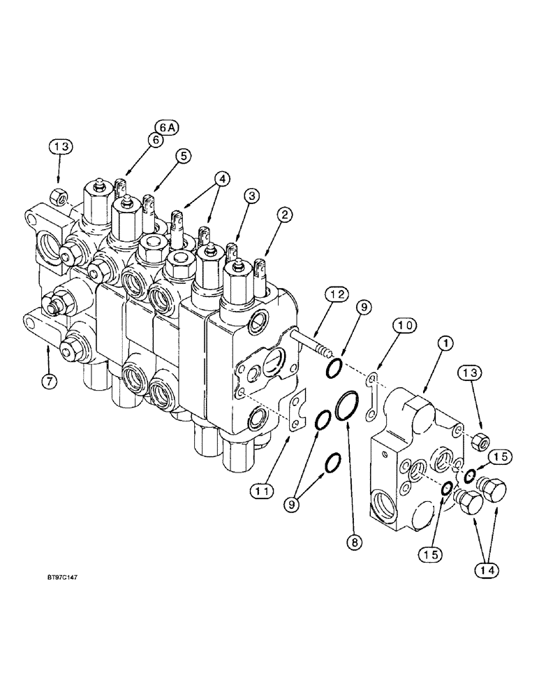
10
13
8
12
9
11
15
3
4
6a
2
14
7
5
15
1
13
6
9
FIT
1:1
100%

Артикул

Название

Примечание

Количество

243135A1

VALVE

ASSEMBLY - backhoe control, 6 spool, foot swing, if used, Includes: Ref. 1 - 15

1шт.

243136A1

VALVE, CONTROL

VALVE ASSEMBLY - backhoe control, 6 spool, hand swing, if used, Includes: Ref. 1 - 15

1шт.

1

113248A1

ELEMENT

SECTION ASSEMBLY - outlet, parts list Figure 8-110

1шт.

2

129864A4

HYD VALVE SECTION

SECTION ASSEMBLY - bucket, parts list Figure 8-112, replaces 129864A3

1шт.

3

136610A5

HYD VALVE SECTION

SECTION ASSEMBLY - dipper, parts list Figure 8-114, replaces 136610A4

1шт.

4

253989A2

HYD VALVE SECTION

SECTION ASSEMBLY - stabilizer, left-hand and right-hand, parts list Figure 8-116, replaces 253989A1

2шт.

5

144321A5

HYD VALVE SECTION

SECTION ASSEMBLY - boom, parts list Figure 8-118, replaces 144321A4

1шт.

6

241088A3

HYD VALVE SECTION

SECTION ASSEMBLY - swing, foot swing control valve, parts list Figure 8-126, replaces 241088A2

1шт.

6a

243145A3

HYD VALVE SECTION

SECTION ASSEMBLY - swing, hand swing control valve, parts list Figure 8-126, replaces 243145A2

1шт.

7

1542829C1

HYD VALVE SECTION

SECTION ASSEMBLY - inlet, parts list Figure 8-110

1шт.

8

238-6127

O-RING,0.103" Thk x 1.424" ID, -127, Cl 6, 90 Duro

Section ports -127, 90 Duro, 1.424" ID x .103" Thk

7шт.

Part of Seal Kit, P/N 1346107C2

1шт.

9

238-6119

O-RING,0.103" Thk x 0.924" ID, -119, Cl 6, 90 Duro

Section ports, small -119, 90 Duro, .924" ID x .103" Thk

21шт.

Part of Seal Kit, P/N 1346107C2

1шт.

10

G107251

SHIM,10.31mm ID x 20.62mm OD x 0.06mm Thk

Section 0.051mm Thk

7шт.

11

G33965

SHIM,22.86mm OD x 0.06mm Thk

Section 0.051mm Thk

7шт.

12

G108900

STUD

- tie, 3/8 NC x 16-15/16 inch

4шт.

13

425-106

NUT,3/8"-16, Cl 5

8шт.

14

86512512

PLUG,7/8" - 14 ORB

- hex, 7/8-14 inch O-ring boss, Outlet section, Incl. Ref. 15

2шт.

15

237-6010

O-RING,0.097" Thk x 0.755" ID, -910, Cl 6, 90 Duro

10-1, 90 Duro, .755" ID x .097" Thk

1шт.

1346107C2

SEAL KIT

KIT - seal, Includes: Ref. 8 and 9, plus additional O-rings not required in this application

1шт.

Выбрано товаров: 21