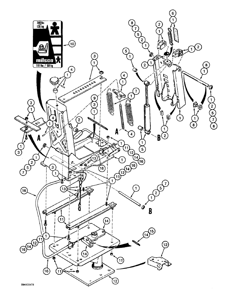
Запчасти Case 590L (9-094) - SUSPENSION SEAT, PEDESTAL, WEIGHT ADJUSTER AND SUSPENSION (09) - CHASSIS/ATTACHMENTS

Схема запчастей Case 590L - (9-094) - SUSPENSION SEAT, PEDESTAL, WEIGHT ADJUSTER AND SUSPENSION (09) - CHASSIS/ATTACHMENTS
1
1
1
16
10
2
8
1
5
15
9
5
1
1
12
11
1
1
5
14
3
13
7
3
3
11
1
1
1
1
11
14
14
1
7
4
5
1
1
14
11
16
1
8
7
2
1
12
11
3
7
1
1
1
12
12
8
5
4
16
12
1
2
1
1
16
2
7
3
1
13
2
13
14
1
2
4
4
1
2
1
6
1
8
11
5
2
14
2
16
FIT
1:1
100%

Артикул

Название

Примечание

Количество

185158A2

SEAT

ASSEMBLY - suspension, gray cloth, includes seat, armrests, suspension, pedestal, and weight adjuster on Figures 9-90 and 9-96, individual component parts NSS, for service order respective component kits, replaces 185158A1, Includes: Ref. 1 - 16

1шт.

185157A1

SEAT

ASSEMBLY - suspension, gray vinyl, includes seat, armrests, suspension, pedestal, and weight adjuster on Figures 9-90 and 9-96, individual component parts NSS, for service order respective component kits, Includes: Ref. 1 - 16

1шт.

1

116549A1

KIT

- suspension, includes parts from seat frame to adjuster slides, see additional parts on Figure 9-90, Ref. 8

1шт.

2

176921A1

KIT

- plastic components, also see additional kit parts on Figure 9-90, Ref. 9

1шт.

3

116521A1

KIT

- fore/aft, adjuster latch, also includes tie straps shown on Figure 9-90, Includes nut

1шт.

131-435

PUSH-ON NUT,Push, 3/8"

NUT - push-on type, 3/8 inch

1шт.

4

176916A1

KIT

- weight adjusting, also includes rubber height control handle grip and (10) shroud plastic retainers shown on Figure 9-90

1шт.

Also includes (10) shroud plastic retainers, (2) washers and (2) tie straps shown on Figure 9-90.

1шт.

5

176914A1

KIT

- suspension damper, also includes rubber height control handle grip and (10) shroud plastic retainers shown on Figure 9-90

1шт.

Also includes (10) shroud plastic retainers, (2) washers and (2) tie straps shown on Figure 9-90.

1шт.

6

116547A1

KIT

- height adjusting spring, see additional kit parts on Figure 9-90, Ref. 10

1шт.

7

176920A1

KIT

- main extension springs, suspension, also includes rubber height control handle grip and (10) shroud plastic retainers shown on Figure 9-90

1шт.

Also includes (10) shroud plastic retainers, (2) washers and (2) tie straps shown on Figure 9-90.

1шт.

8

116551A1

WHEEL BEARING KIT

KIT - upper suspension tower shaft, also includes (10) shroud plastic retainers and (2) washers shown on Figure 9-90

1шт.

9

116545A1

KIT

- fore/aft latch spring, also includes (2) tie straps shown on Figure 9-90

1шт.

10

116534A1

KIT

- decal, seat weight adjustment, includes instructions, included in seat assembly

1шт.

11

116522A2

KIT

- fore/aft adjuster slides, also includes (2) tie straps shown on Figure 9-90

1шт.

12

116538A2

KIT

- pedestal, seat support, includes 119211A1 switch mounting bracket, Ref. 11 on Figure 9-86

1шт.

13

116552A1

KIT

- cable, includes hardware for both ends of cable

1шт.

14

116550A1

KIT

- swivel latch bar, pedestal

1шт.

15

116548A1

KIT

- swivel latch spring only

1шт.

16

181170A1

KIT

- cable, fore-aft/swivel mechanism, also includes (2) tie straps shown on Figure 9-90

1шт.

Выбрано товаров: 22