Запчасти Case 590L (9-114) - CAB REAR WINDSHIELD WIPER (09) - CHASSIS/ATTACHMENTS

Схема запчастей Case 590L - (9-114) - CAB REAR WINDSHIELD WIPER (09) - CHASSIS/ATTACHMENTS
19
12
13
2
11
21
14
9
8
5
18
16
10
6
1
23
15
7
20
3
17
22
FIT
1:1
100%

Артикул

Название

Примечание

Количество

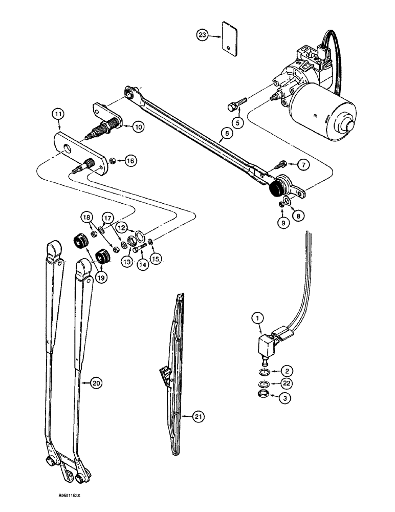
1

A187714

PUSH BUTTON SWITCH

- wiper stop, mounts to window frame inside filter compartment

1шт.

2

A165395

WASHER,.50mm ID x 1.0mm OD x .060 Thk

- flat, 1/2 x 1 x 1/16 inch, used as a seal

1шт.

3

425-157

JAM NUT,Jam, 7/16"-20, G5

1шт.

4

184118A1

WIPER MOTOR

MOTOR - wiper, 12 volt, rear windshield wiper

1шт.

5

N8362

CAPTIVE WASHER SCREW,Hex, M6 x 18.50mm, Gr 10.9

SCREW - with washer, special, motor to cab frame

3шт.

D128018

LINK

ASSEMBLY - wiper, rear motor to wiper pivot shafts, Includes: Ref. 6 and 7

1шт.

6

NSS

NOT SOLD SEPARAT

LINK - crank

1шт.

7

N8362

CAPTIVE WASHER SCREW,Hex, M6 x 18.50mm, Gr 10.9

SCREW - with washer, special

1шт.

8

N8361

SPRING WASHER

- Belleville

1шт.

9

L112090

NUT

- hex, special, 8 mm

1шт.

10

D128020

SHAFT

- pivot, with ball, includes nut

1шт.

11

D128021

SHAFT

- pivot

1шт.

12

L112088

WASHER

- special, large, shaft

1шт.

13

L112087

NUT

- special, large, shaft

1шт.

14

413-416

BOLT,Hex, 1/4" - 20 x 1", Gr 5

- hex, 1/4 NC x 1 inch

1шт.

15

492-11025

LOCK WASHER,1/4"

WASHER, LOCK, 1/4"

1шт.

16

425-104

NUT,1/4"-20, Cl 5

- hex, 1/4 inch NC

1шт.

17

L112089

WASHER

- wave, special, shaft end

2шт.

18

L112090

NUT

- hex, special, 8 mm, shaft end

2шт.

19

L112081

CAP

- pivot shaft end

2шт.

20

R52408

WIPER ARM

ARM - wiper, rear windshield

1шт.

21

D128022

WIPER BLADE

BLADE - wiper, rear windshield

1шт.

22

495-21044

WASHER,3/8"

(flat, 7/16 x 1 x 5/64 inch) 3/8"

1шт.

23

193707A1

LARGE PLATE

PLATE - retainer, harness, mounts on existing wiper motor mounting bolt

1шт.

Выбрано товаров: 24